LEMON Manuals: Even more car manuals for everyone: 1960-2025
Home >> Toyota >> 2013 >> Prius Two >> Repair and Diagnosis (Single Page) >> External Pages >> Different variant/trim >> Section 15 (Lighting System (Diagnostics - Introduction) (Plug-In)) >> Lighting System >> System Diagram >> System Diagram
April 5, 2026: LEMON Manuals is launched! Read the announcement.

System Diagram

WARNING: This page is about a different variant/trim than selected.
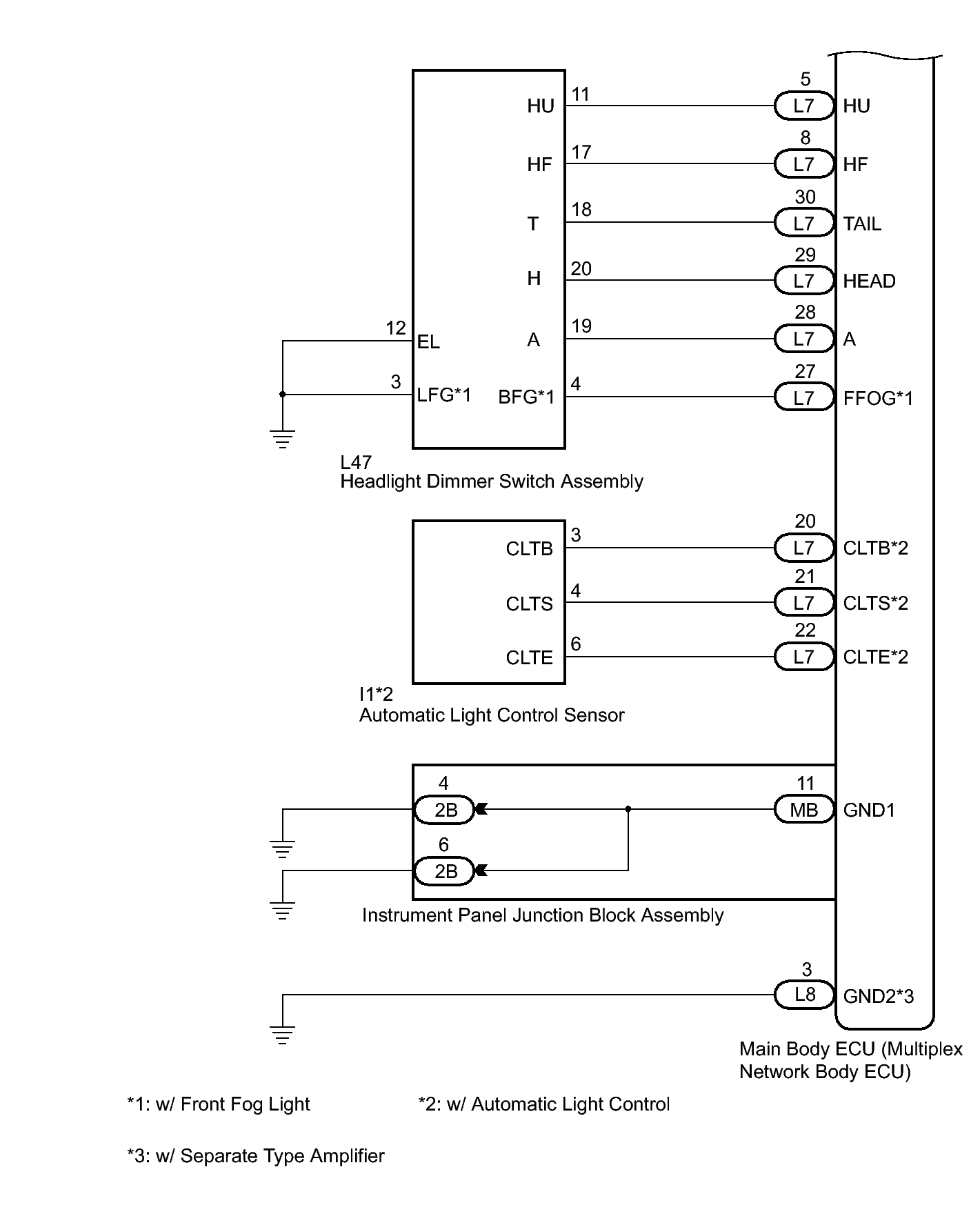
Fig 1: Identifying Lighting System Circuit Diagram (1 Of 5)
GTY325683Courtesy of © TOYOTA, LICENSE AGREEMENT TMS1002
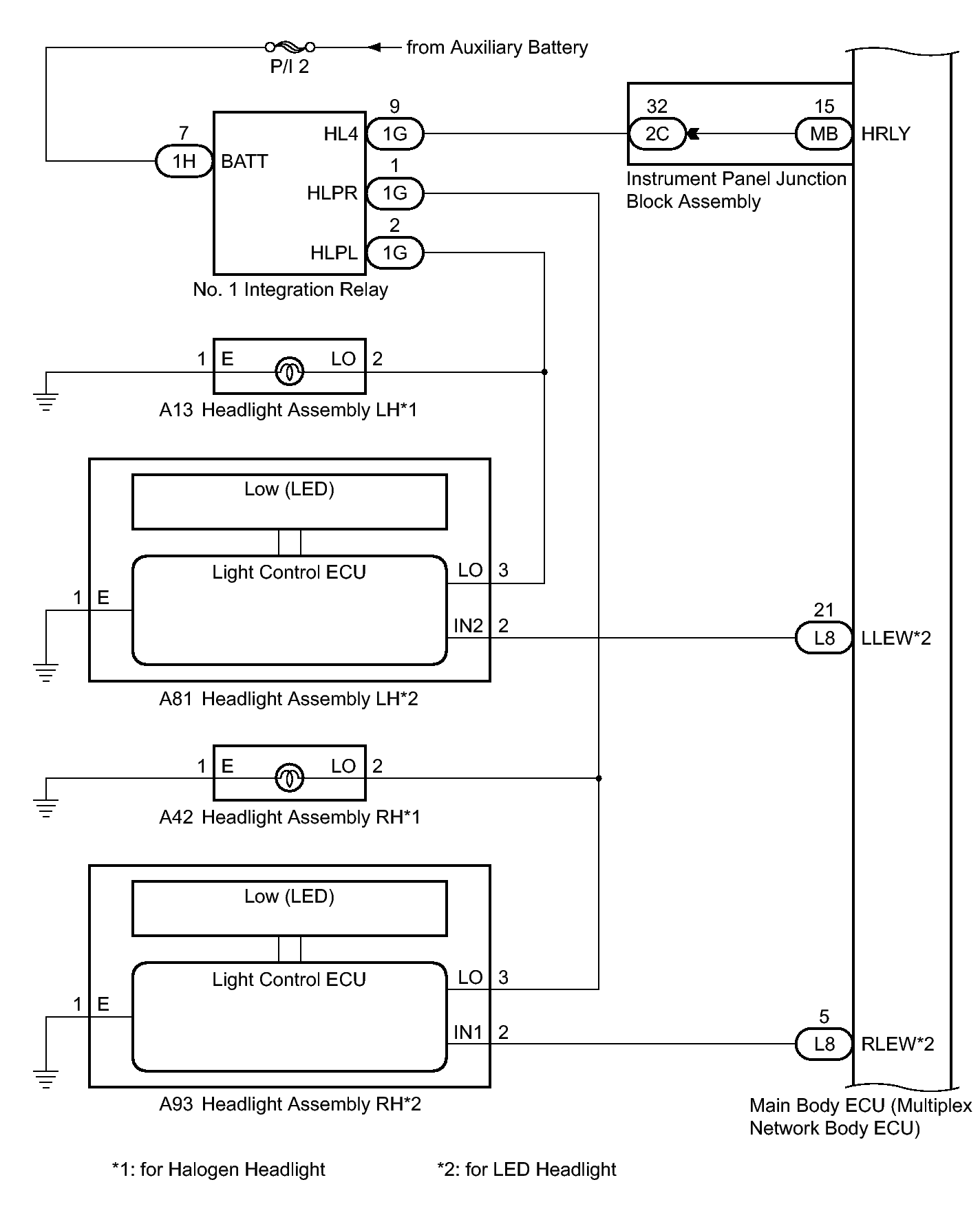
Fig 2: Identifying Lighting System Circuit Diagram (2 Of 5)
GTY337741Courtesy of © TOYOTA, LICENSE AGREEMENT TMS1002
Fig 3: Identifying Lighting System Circuit Diagram (3 Of 5)
GTY381702Courtesy of © TOYOTA, LICENSE AGREEMENT TMS1002
Fig 4: Identifying Lighting System Circuit Diagram (4 Of 5)
GTY331253Courtesy of © TOYOTA, LICENSE AGREEMENT TMS1002
Fig 5: Identifying Lighting System Circuit Diagram (5 Of 5)
GTY339218Courtesy of © TOYOTA, LICENSE AGREEMENT TMS1002