LEMON Manuals: Even more car manuals for everyone: 1960-2025
Home >> Toyota >> 2013 >> Prius Two >> Repair and Diagnosis >> External Pages >> Different variant/trim >> Section 137 (Lighting System (Diagnostic Codes & Circuit Tests) (Plug-In)) >> Lighting System >> Circuit Tests >> Back-up Light Circuit >> Wiring Diagram
April 5, 2026: LEMON Manuals is launched! Read the announcement.

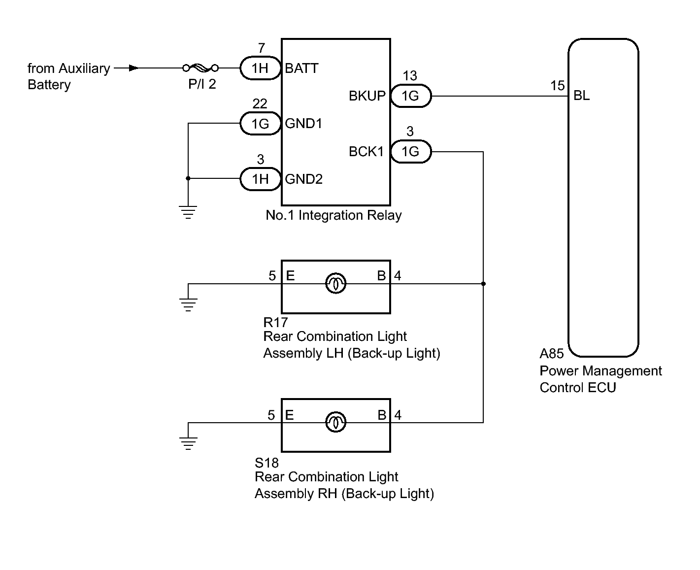
Back-up Light Circuit: Wiring Diagram

WARNING: This page is about a different variant/trim than selected.
Fig 1: Identifying Back-up Light Circuit Diagram
GTY333079Courtesy of © TOYOTA, LICENSE AGREEMENT TMS1002