LEMON Manuals: Even more car manuals for everyone: 1960-2025
Home >> Toyota >> 2013 >> Prius Two >> Repair and Diagnosis >> External Pages >> Different variant/trim >> Section 141 (OEM System Circuits (Plug-In)) >> ABS, TRAC and VSC >> Notes
April 5, 2026: LEMON Manuals is launched! Read the announcement.

ABS, TRAC and VSC: Notes

WARNING: This page is about a different variant/trim than selected.
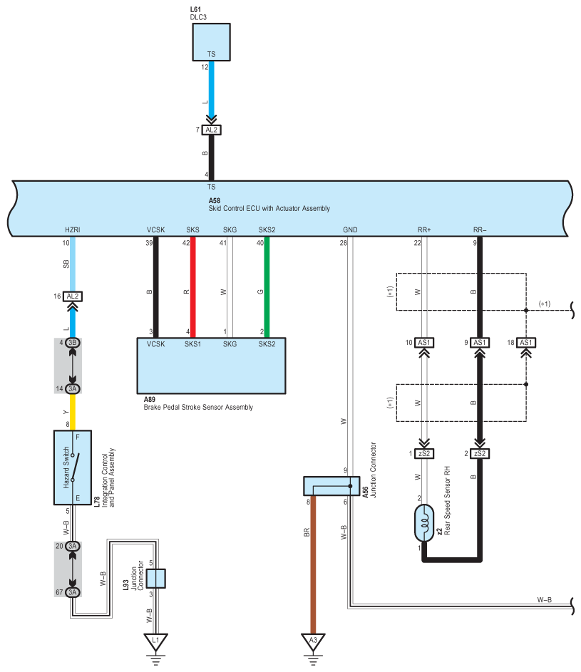
Fig 1: ABS, TRAC And VSC System Wiring Diagram (1 Of 8)
G09100295Courtesy of © TOYOTA, LICENSE AGREEMENT TMS1002
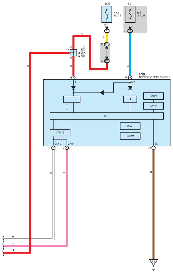
Fig 2: ABS, TRAC And VSC System Wiring Diagram (2 Of 8)
G09100296Courtesy of © TOYOTA, LICENSE AGREEMENT TMS1002
Fig 3: ABS, TRAC And VSC System Wiring Diagram (3 Of 8)
G09100297Courtesy of © TOYOTA, LICENSE AGREEMENT TMS1002
Fig 4: ABS, TRAC And VSC System Wiring Diagram (4 Of 8)
G09100298Courtesy of © TOYOTA, LICENSE AGREEMENT TMS1002
Fig 5: ABS, TRAC And VSC System Wiring Diagram (5 Of 8)
G09100299Courtesy of © TOYOTA, LICENSE AGREEMENT TMS1002
Fig 6: ABS, TRAC And VSC System Wiring Diagram (6 Of 8)
G09100300Courtesy of © TOYOTA, LICENSE AGREEMENT TMS1002
Fig 7: ABS, TRAC And VSC System Wiring Diagram (7 Of 8)
G09100301Courtesy of © TOYOTA, LICENSE AGREEMENT TMS1002
Fig 8: ABS, TRAC And VSC System Wiring Diagram (8 Of 8)
G09100302Courtesy of © TOYOTA, LICENSE AGREEMENT TMS1002