LEMON Manuals: Even more car manuals for everyone: 1960-2025
Home >> Toyota >> 2013 >> Prius Two >> Repair and Diagnosis >> External Pages >> Different variant/trim >> Section 141 (OEM System Circuits (Plug-In)) >> Illumination and Taillight >> Notes
April 5, 2026: LEMON Manuals is launched! Read the announcement.

Illumination and Taillight: Notes

WARNING: This page is about a different variant/trim than selected.
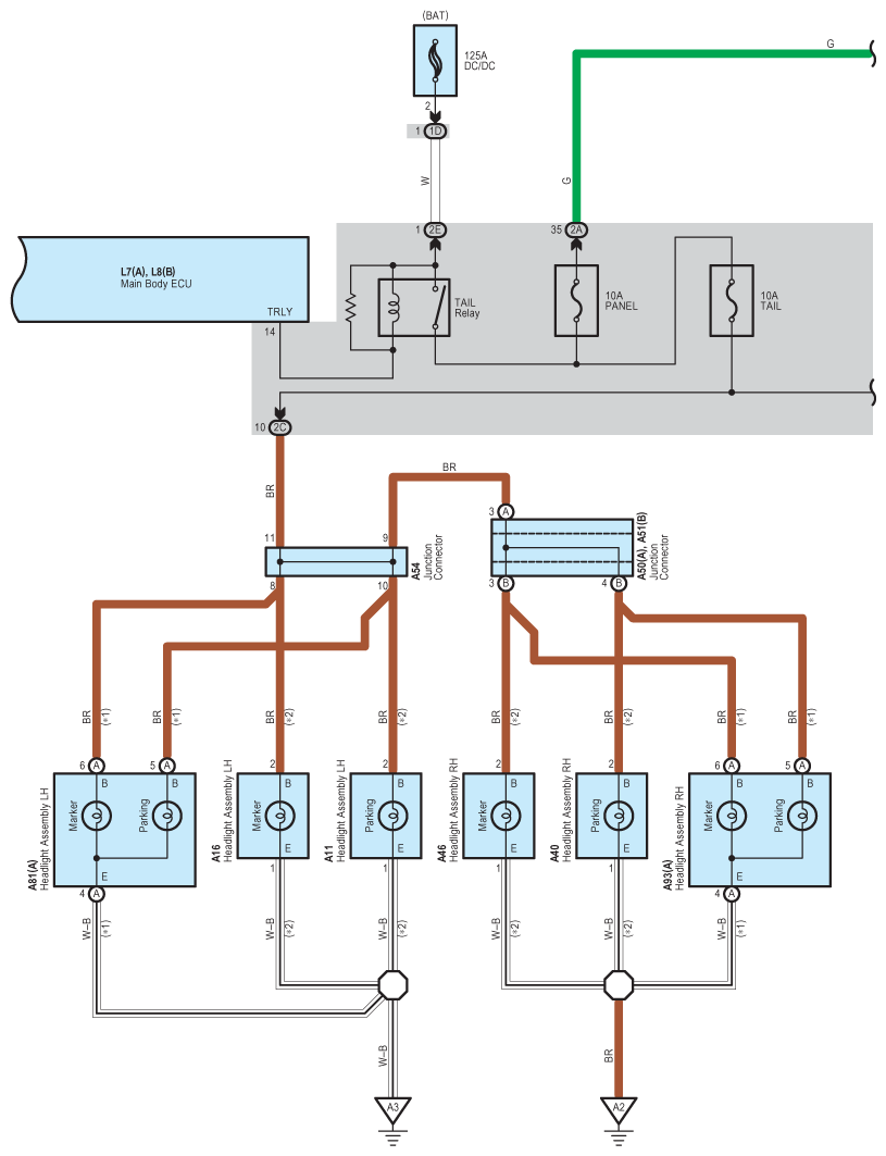
Fig 1: Illumination And Taillight System Wiring Diagram (1 Of 9)
G09100257Courtesy of © TOYOTA, LICENSE AGREEMENT TMS1002
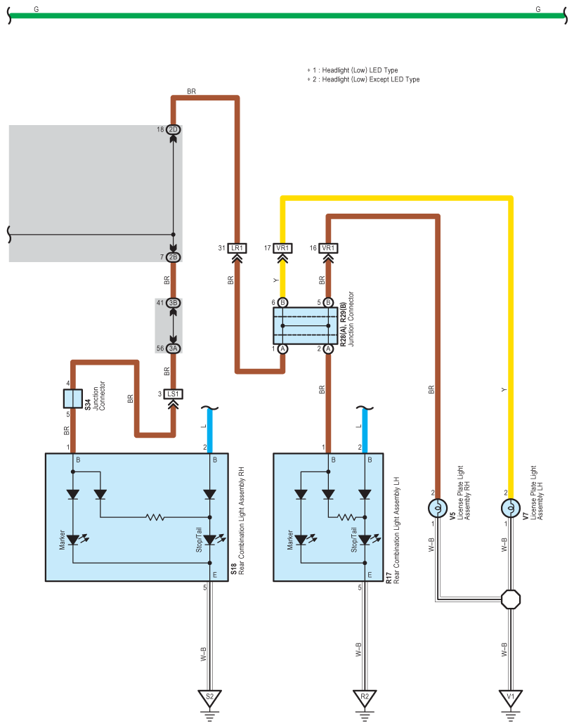
Fig 2: Illumination And Taillight System Wiring Diagram (2 Of 9)
G09100258Courtesy of © TOYOTA, LICENSE AGREEMENT TMS1002
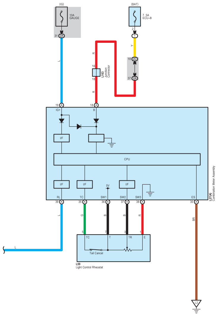
Fig 3: Illumination And Taillight System Wiring Diagram (3 Of 9)
G09100259Courtesy of © TOYOTA, LICENSE AGREEMENT TMS1002
Fig 4: Illumination And Taillight System Wiring Diagram (4 Of 9)
G09100260Courtesy of © TOYOTA, LICENSE AGREEMENT TMS1002
Fig 5: Illumination And Taillight System Wiring Diagram (5 Of 9)
G09100261Courtesy of © TOYOTA, LICENSE AGREEMENT TMS1002
Fig 6: Illumination And Taillight System Wiring Diagram (6 Of 9)
G09100262Courtesy of © TOYOTA, LICENSE AGREEMENT TMS1002
Fig 7: Illumination And Taillight System Wiring Diagram (7 Of 9)
G09100263Courtesy of © TOYOTA, LICENSE AGREEMENT TMS1002
Fig 8: Illumination And Taillight System Wiring Diagram (8 Of 9)
G09100264Courtesy of © TOYOTA, LICENSE AGREEMENT TMS1002
Fig 9: Illumination And Taillight System Wiring Diagram (9 Of 9)
G09100265Courtesy of © TOYOTA, LICENSE AGREEMENT TMS1002