LEMON Manuals: Even more car manuals for everyone: 1960-2025
Home >> Toyota >> 2013 >> Prius Two >> Repair and Diagnosis >> External Pages >> Different variant/trim >> Section 141 (OEM System Circuits (Plug-In)) >> Plug-in Hybrid System and Shift Control System >> Back Door Opener, Hybrid Vehicle Immobilizer System, Smart Key System, Starting and Wireless Door Lock Control
April 5, 2026: LEMON Manuals is launched! Read the announcement.

Back Door Opener, Hybrid Vehicle Immobilizer System, Smart Key System, Starting and Wireless Door Lock Control

WARNING: This page is about a different variant/trim than selected.
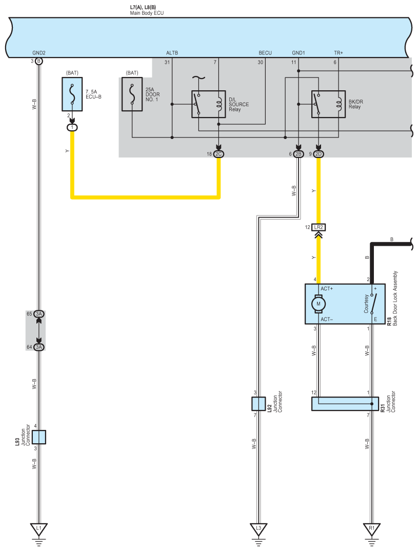
Fig 1: Back Door Opener, Hybrid Vehicle Immobilizer System, Smart Key System And Starting And Wireless Door Lock Control Wiring Diagram (1 Of 22)
G09100179Courtesy of © TOYOTA, LICENSE AGREEMENT TMS1002
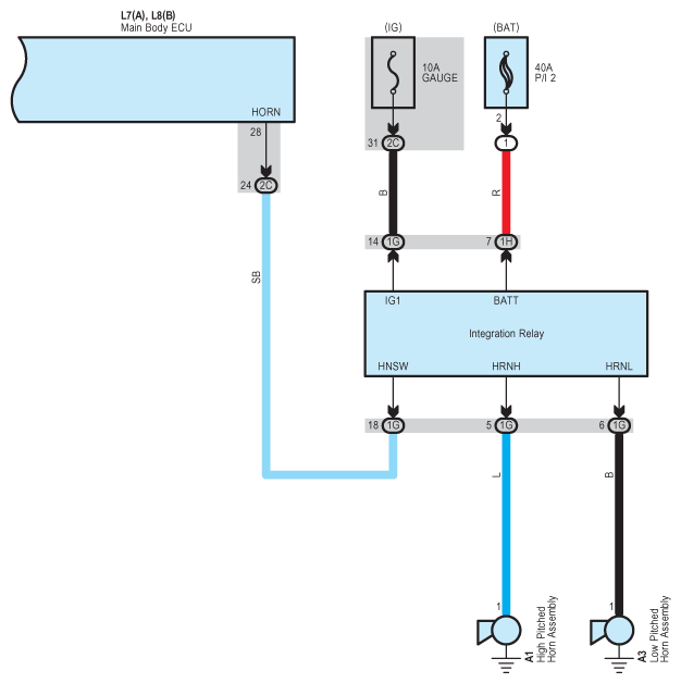
Fig 2: Back Door Opener, Hybrid Vehicle Immobilizer System, Smart Key System And Starting And Wireless Door Lock Control Wiring Diagram (2 Of 22)
G09100180Courtesy of © TOYOTA, LICENSE AGREEMENT TMS1002
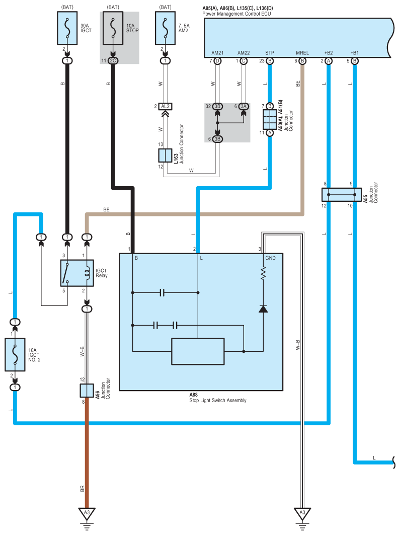
Fig 3: Back Door Opener, Hybrid Vehicle Immobilizer System, Smart Key System And Starting And Wireless Door Lock Control Wiring Diagram (3 Of 22)
G09100181Courtesy of © TOYOTA, LICENSE AGREEMENT TMS1002
Fig 4: Back Door Opener, Hybrid Vehicle Immobilizer System, Smart Key System And Starting And Wireless Door Lock Control Wiring Diagram (4 Of 22)
G09100182Courtesy of © TOYOTA, LICENSE AGREEMENT TMS1002
Fig 5: Back Door Opener, Hybrid Vehicle Immobilizer System, Smart Key System And Starting And Wireless Door Lock Control Wiring Diagram (5 Of 22)
G09100183Courtesy of © TOYOTA, LICENSE AGREEMENT TMS1002
Fig 6: Back Door Opener, Hybrid Vehicle Immobilizer System, Smart Key System And Starting And Wireless Door Lock Control Wiring Diagram (6 Of 22)
G09100184Courtesy of © TOYOTA, LICENSE AGREEMENT TMS1002
Fig 7: Back Door Opener, Hybrid Vehicle Immobilizer System, Smart Key System And Starting And Wireless Door Lock Control Wiring Diagram (7 Of 22)
G09100185Courtesy of © TOYOTA, LICENSE AGREEMENT TMS1002
Fig 8: Back Door Opener, Hybrid Vehicle Immobilizer System, Smart Key System And Starting And Wireless Door Lock Control Wiring Diagram (9 Of 22)
G09100186Courtesy of © TOYOTA, LICENSE AGREEMENT TMS1002
Fig 9: Back Door Opener, Hybrid Vehicle Immobilizer System, Smart Key System And Starting And Wireless Door Lock Control Wiring Diagram (10 Of 22)
G09100187Courtesy of © TOYOTA, LICENSE AGREEMENT TMS1002
Fig 10: Back Door Opener, Hybrid Vehicle Immobilizer System, Smart Key System And Starting And Wireless Door Lock Control Wiring Diagram (11 Of 22)
G09100188Courtesy of © TOYOTA, LICENSE AGREEMENT TMS1002
Fig 11: Back Door Opener, Hybrid Vehicle Immobilizer System, Smart Key System And Starting And Wireless Door Lock Control Wiring Diagram (12 Of 22)
G09100189Courtesy of © TOYOTA, LICENSE AGREEMENT TMS1002
Fig 12: Back Door Opener, Hybrid Vehicle Immobilizer System, Smart Key System And Starting And Wireless Door Lock Control Wiring Diagram (13 Of 22)
G09100190Courtesy of © TOYOTA, LICENSE AGREEMENT TMS1002
Fig 13: Back Door Opener, Hybrid Vehicle Immobilizer System, Smart Key System And Starting And Wireless Door Lock Control Wiring Diagram (14 Of 22)
G09100191Courtesy of © TOYOTA, LICENSE AGREEMENT TMS1002
Fig 14: Back Door Opener, Hybrid Vehicle Immobilizer System, Smart Key System And Starting And Wireless Door Lock Control Wiring Diagram (15 Of 22)
G09100192Courtesy of © TOYOTA, LICENSE AGREEMENT TMS1002
Fig 15: Back Door Opener, Hybrid Vehicle Immobilizer System, Smart Key System And Starting And Wireless Door Lock Control Wiring Diagram (16 Of 22)
G09100193Courtesy of © TOYOTA, LICENSE AGREEMENT TMS1002
Fig 16: Back Door Opener, Hybrid Vehicle Immobilizer System, Smart Key System And Starting And Wireless Door Lock Control Wiring Diagram (17 Of 22)
G09100194Courtesy of © TOYOTA, LICENSE AGREEMENT TMS1002
Fig 17: Back Door Opener, Hybrid Vehicle Immobilizer System, Smart Key System And Starting And Wireless Door Lock Control Wiring Diagram (18 Of 22)
G09100195Courtesy of © TOYOTA, LICENSE AGREEMENT TMS1002
Fig 18: Back Door Opener, Hybrid Vehicle Immobilizer System, Smart Key System And Starting And Wireless Door Lock Control Wiring Diagram (19 Of 22)
G09100196Courtesy of © TOYOTA, LICENSE AGREEMENT TMS1002
Fig 19: Back Door Opener, Hybrid Vehicle Immobilizer System, Smart Key System And Starting And Wireless Door Lock Control Wiring Diagram (20 Of 22)
G09100197Courtesy of © TOYOTA, LICENSE AGREEMENT TMS1002
Fig 20: Back Door Opener, Hybrid Vehicle Immobilizer System, Smart Key System And Starting And Wireless Door Lock Control Wiring Diagram (21 Of 22)
G09100198Courtesy of © TOYOTA, LICENSE AGREEMENT TMS1002
Fig 21: Back Door Opener, Hybrid Vehicle Immobilizer System, Smart Key System And Starting And Wireless Door Lock Control Wiring Diagram (22 Of 22)
G09100199Courtesy of © TOYOTA, LICENSE AGREEMENT TMS1002
Fig 22: Back Door Opener, Hybrid Vehicle Immobilizer System, Smart Key System And Starting And Wireless Door Lock Control Wiring Diagram (22 Of 22)
G09100200Courtesy of © TOYOTA, LICENSE AGREEMENT TMS1002