LEMON Manuals: Even more car manuals for everyone: 1960-2025
Home >> Toyota >> 2013 >> Prius Two >> Repair and Diagnosis >> External Pages >> Different variant/trim >> Section 141 (OEM System Circuits (Plug-In)) >> Seat Heater >> Notes
April 5, 2026: LEMON Manuals is launched! Read the announcement.

Seat Heater: Notes

WARNING: This page is about a different variant/trim than selected.
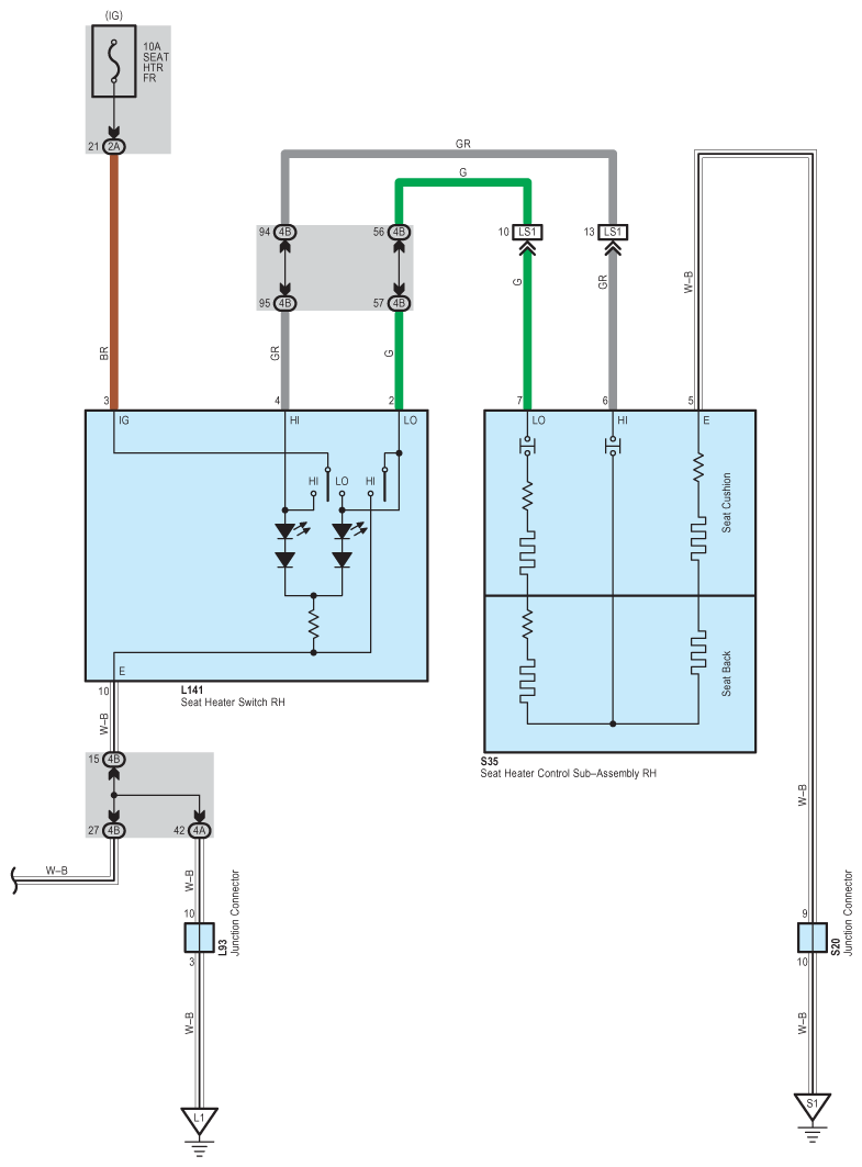
Fig 1: Seat Heater System Wiring Diagram (1 Of 2)
G09100344Courtesy of © TOYOTA, LICENSE AGREEMENT TMS1002
Fig 2: Seat Heater System Wiring Diagram (2 Of 2)
G09100345Courtesy of © TOYOTA, LICENSE AGREEMENT TMS1002