LEMON Manuals: Even more car manuals for everyone: 1960-2025
Home >> Toyota >> 2013 >> Prius Two >> Repair and Diagnosis >> External Pages >> Different variant/trim >> Section 142 (OEM Ground Points (Plug-In)) >> Ground Point >> Notes
April 5, 2026: LEMON Manuals is launched! Read the announcement.

Ground Point: Notes

WARNING: This page is about a different variant/trim than selected.
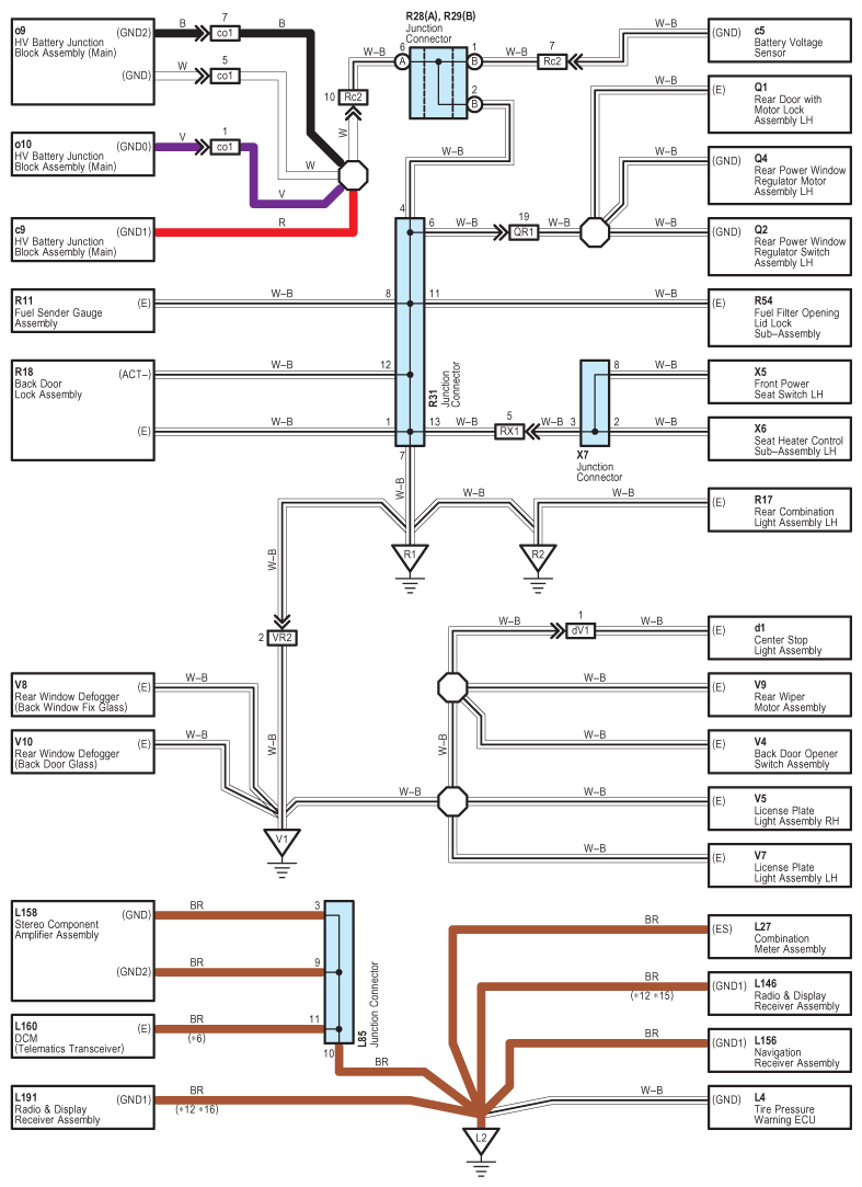
Fig 1: Ground Point System Wiring Diagram (1 Of 5)
G09100429Courtesy of © TOYOTA, LICENSE AGREEMENT TMS1002
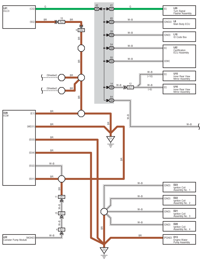
Fig 2: Ground Point System Wiring Diagram (1 Of 5)
G09100430Courtesy of © TOYOTA, LICENSE AGREEMENT TMS1002
Fig 3: Ground Point System Wiring Diagram (1 Of 5)
G09100431Courtesy of © TOYOTA, LICENSE AGREEMENT TMS1002
Fig 4: Ground Point System Wiring Diagram (1 Of 5)
G09100432Courtesy of © TOYOTA, LICENSE AGREEMENT TMS1002
Fig 5: Ground Point System Wiring Diagram (1 Of 5)
G09100433Courtesy of © TOYOTA, LICENSE AGREEMENT TMS1002
Fig 6: Ground Point System Wiring Diagram (1 Of 5)
G09100434Courtesy of © TOYOTA, LICENSE AGREEMENT TMS1002
Fig 7: Ground Point System Wiring Diagram (1 Of 5)
G09100435Courtesy of © TOYOTA, LICENSE AGREEMENT TMS1002
Fig 8: Ground Point System Wiring Diagram (1 Of 5)
G09100436Courtesy of © TOYOTA, LICENSE AGREEMENT TMS1002