LEMON Manuals: Even more car manuals for everyone: 1960-2025
Home >> Toyota >> 2013 >> Prius V >> Repair and Diagnosis (Single Page) >> Electrical >> Starter >> Smart Key System (For Start Function) (Diagnostic Codes & Symptom Tests) >> Smart Key System (For Start Function) >> DTC B2284: Brake Signal Malfunction >> Wiring Diagram
April 5, 2026: LEMON Manuals is launched! Read the announcement.

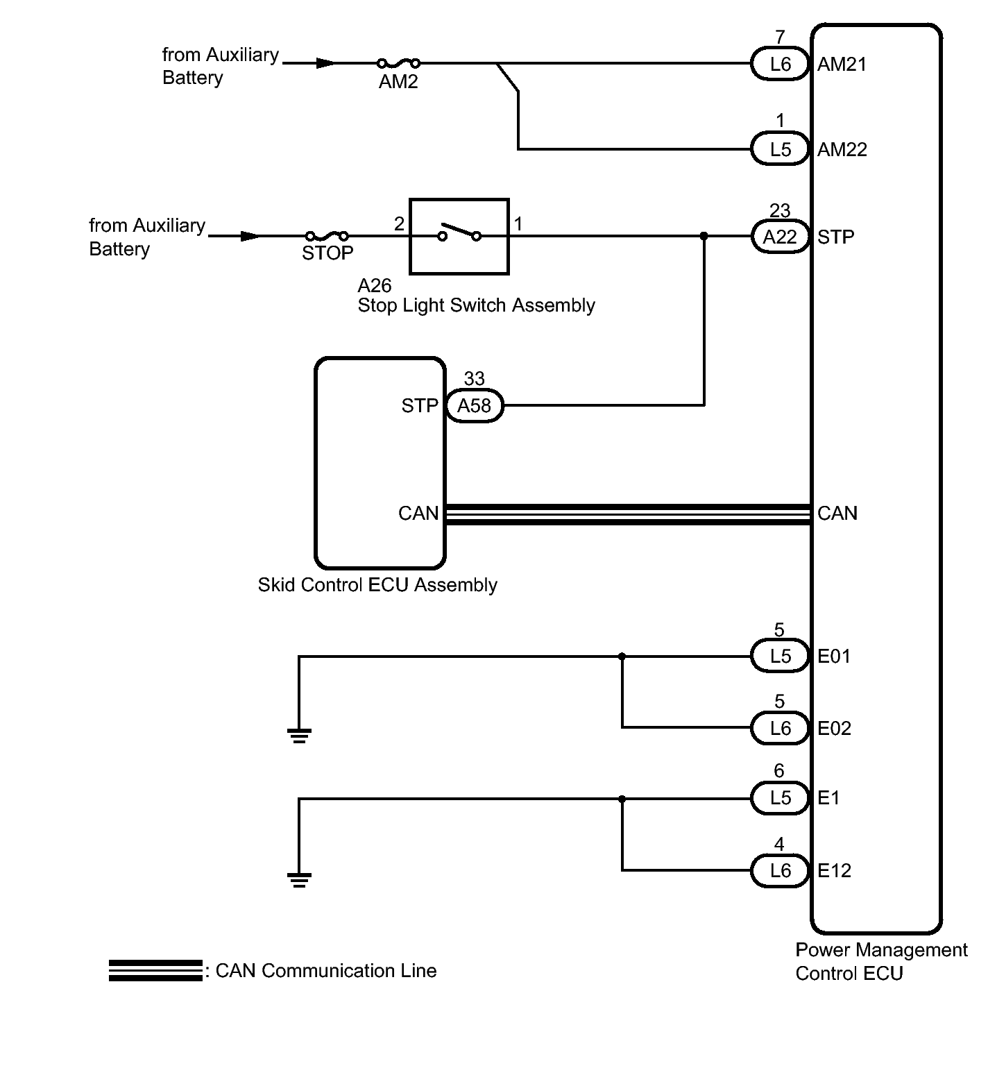
DTC B2284: Brake Signal Malfunction: Wiring Diagram

Fig 1: Stop Light Switch Circuit Wiring Diagram
GTY331081Courtesy of © TOYOTA, LICENSE AGREEMENT TMS1002