LEMON Manuals: Even more car manuals for everyone: 1960-2025
Home >> Toyota >> 2013 >> Prius V >> Repair and Diagnosis (Single Page) >> Electrical >> Starter >> Smart Key System (For Start Function) (Diagnostic Codes & Symptom Tests) >> Smart Key System (For Start Function) >> Symptom Tests >> Power Source Mode does not Change to ON (READY) >> Wiring Diagram
April 5, 2026: LEMON Manuals is launched! Read the announcement.

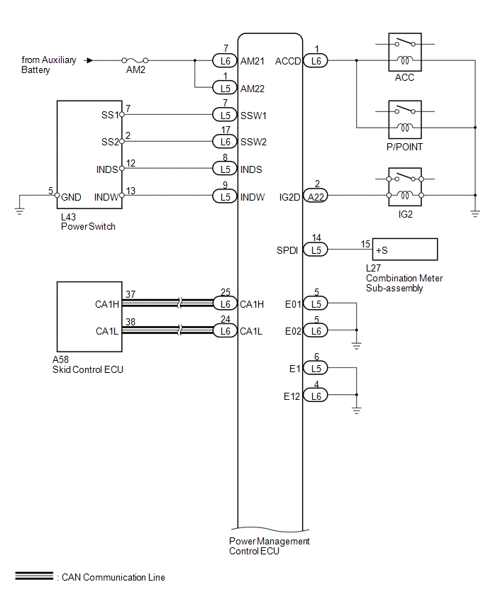
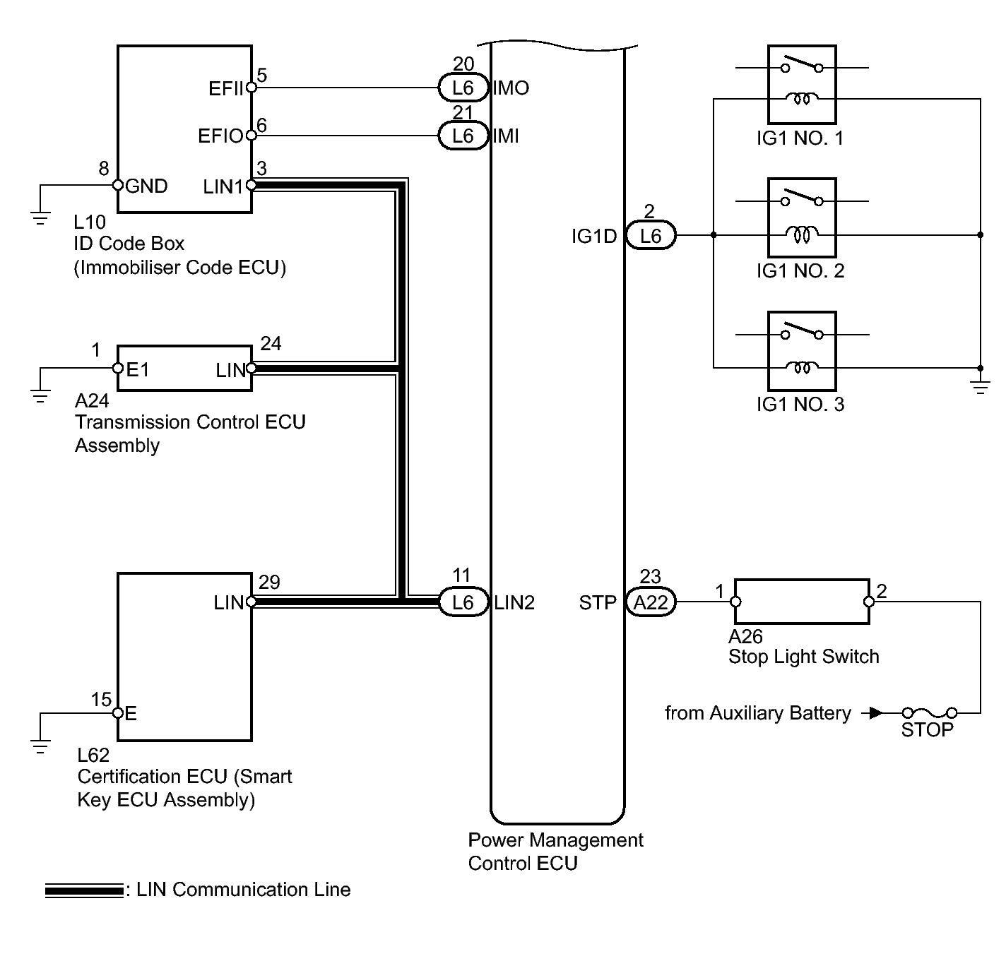
Power Source Mode does not Change to ON (READY): Wiring Diagram

Fig 1: Power Management Control ECU Power Source Circuit Wiring Diagram (1 Of 2)
GTY326316Courtesy of © TOYOTA, LICENSE AGREEMENT TMS1002
Fig 2: Power Management Control ECU Power Source Circuit Wiring Diagram (1 Of 2)
GTY361984Courtesy of © TOYOTA, LICENSE AGREEMENT TMS1002