LEMON Manuals: Even more car manuals for everyone: 1960-2025
Home >> Toyota >> 2013 >> RAV4 LE, AWD >> Repair and Diagnosis (Single Page) >> Electrical >> Body Electrical >> OEM System Circuits >> Audio System, Navigation System and Parking Assist (Rear View Monitor) >> Notes
April 5, 2026: LEMON Manuals is launched! Read the announcement.

Audio System, Navigation System and Parking Assist (Rear View Monitor): Notes

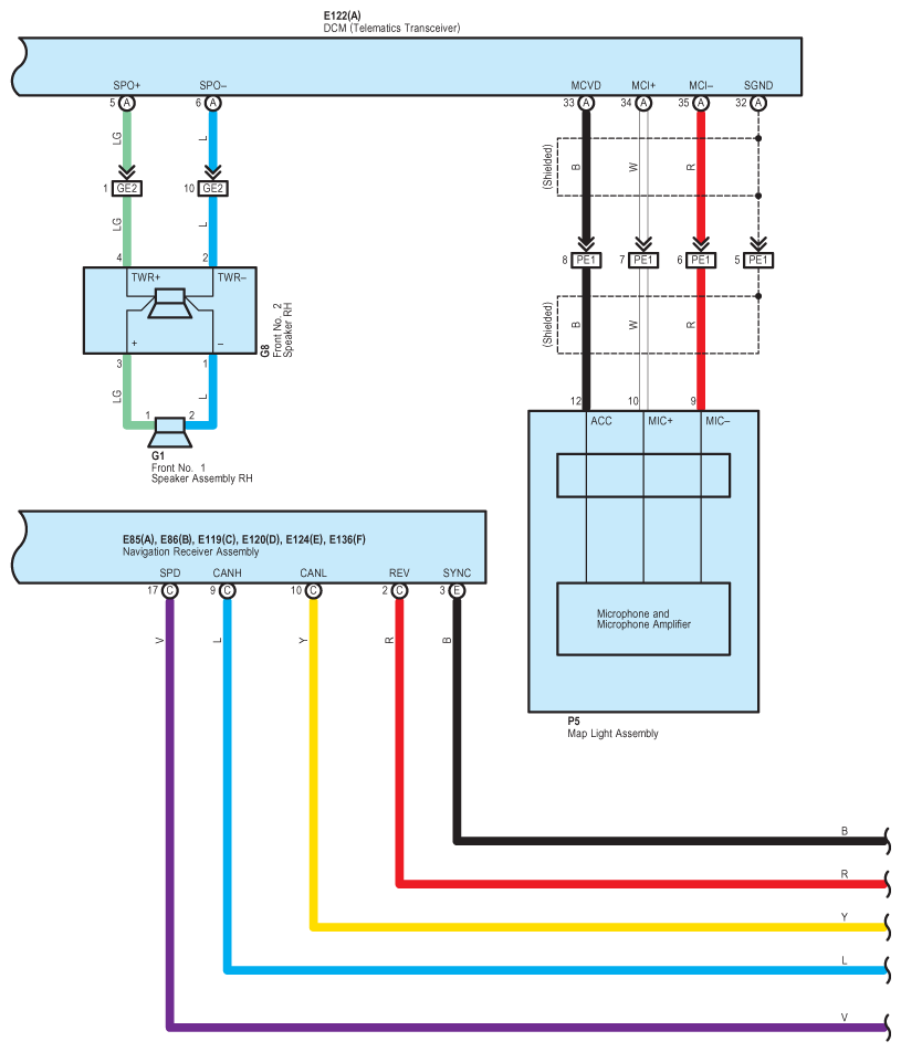
Fig 1: Audio System, Navigation System And Parking Assist System Wiring Diagram (Rear View Monitor) (1 Of 9)
G09110598Courtesy of © TOYOTA, LICENSE AGREEMENT TMS1002
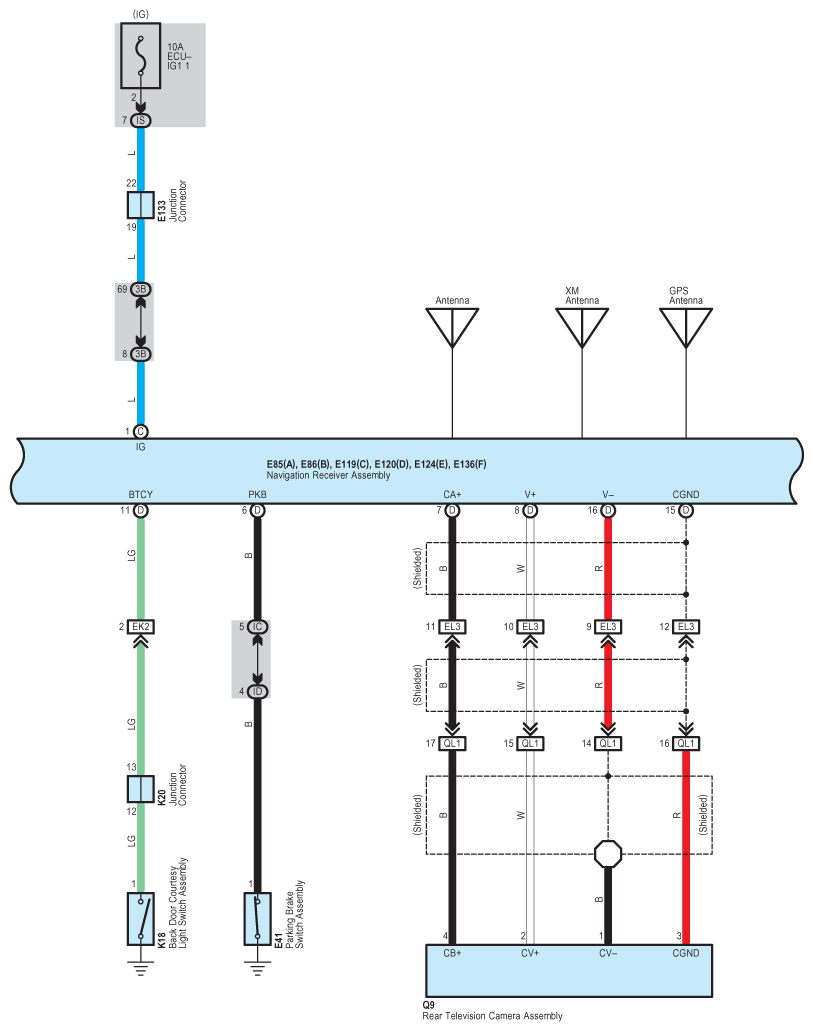
Fig 2: Audio System, Navigation System And Parking Assist System Wiring Diagram (Rear View Monitor) (2 Of 9)
G09110599Courtesy of © TOYOTA, LICENSE AGREEMENT TMS1002
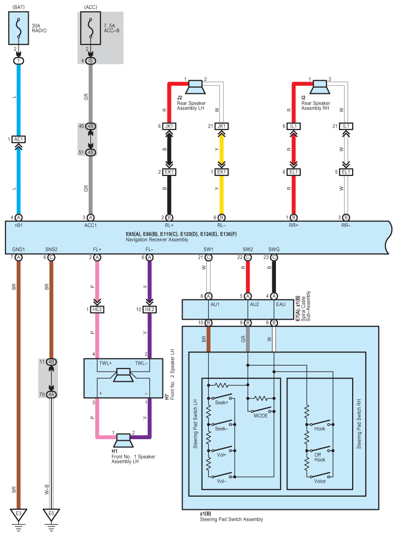
Fig 3: Audio System, Navigation System And Parking Assist System Wiring Diagram (Rear View Monitor) (3 Of 9)
G09110600Courtesy of © TOYOTA, LICENSE AGREEMENT TMS1002
Fig 4: Audio System, Navigation System And Parking Assist System Wiring Diagram (Rear View Monitor) (4 Of 9)
G09110601Courtesy of © TOYOTA, LICENSE AGREEMENT TMS1002
Fig 5: Audio System, Navigation System And Parking Assist System Wiring Diagram (Rear View Monitor) (5 Of 9)
G09110602Courtesy of © TOYOTA, LICENSE AGREEMENT TMS1002
Fig 6: Audio System, Navigation System And Parking Assist System Wiring Diagram (Rear View Monitor) (6 Of 9)
G09110603Courtesy of © TOYOTA, LICENSE AGREEMENT TMS1002
Fig 7: Audio System, Navigation System And Parking Assist System Wiring Diagram (Rear View Monitor) (7 Of 9)
G09110604Courtesy of © TOYOTA, LICENSE AGREEMENT TMS1002
Fig 8: Audio System, Navigation System And Parking Assist System Wiring Diagram (Rear View Monitor) (8 Of 9)
G09110605Courtesy of © TOYOTA, LICENSE AGREEMENT TMS1002
Fig 9: Audio System, Navigation System And Parking Assist System Wiring Diagram (Rear View Monitor) (9 Of 9)
G09110606Courtesy of © TOYOTA, LICENSE AGREEMENT TMS1002