LEMON Manuals: Even more car manuals for everyone: 1960-2025
Home >> Toyota >> 2013 >> RAV4 LE, AWD >> Repair and Diagnosis (Single Page) >> Electrical >> Body Electrical >> OEM System Circuits >> Vehicle Proximity Notification System >> Notes
April 5, 2026: LEMON Manuals is launched! Read the announcement.

Vehicle Proximity Notification System: Notes

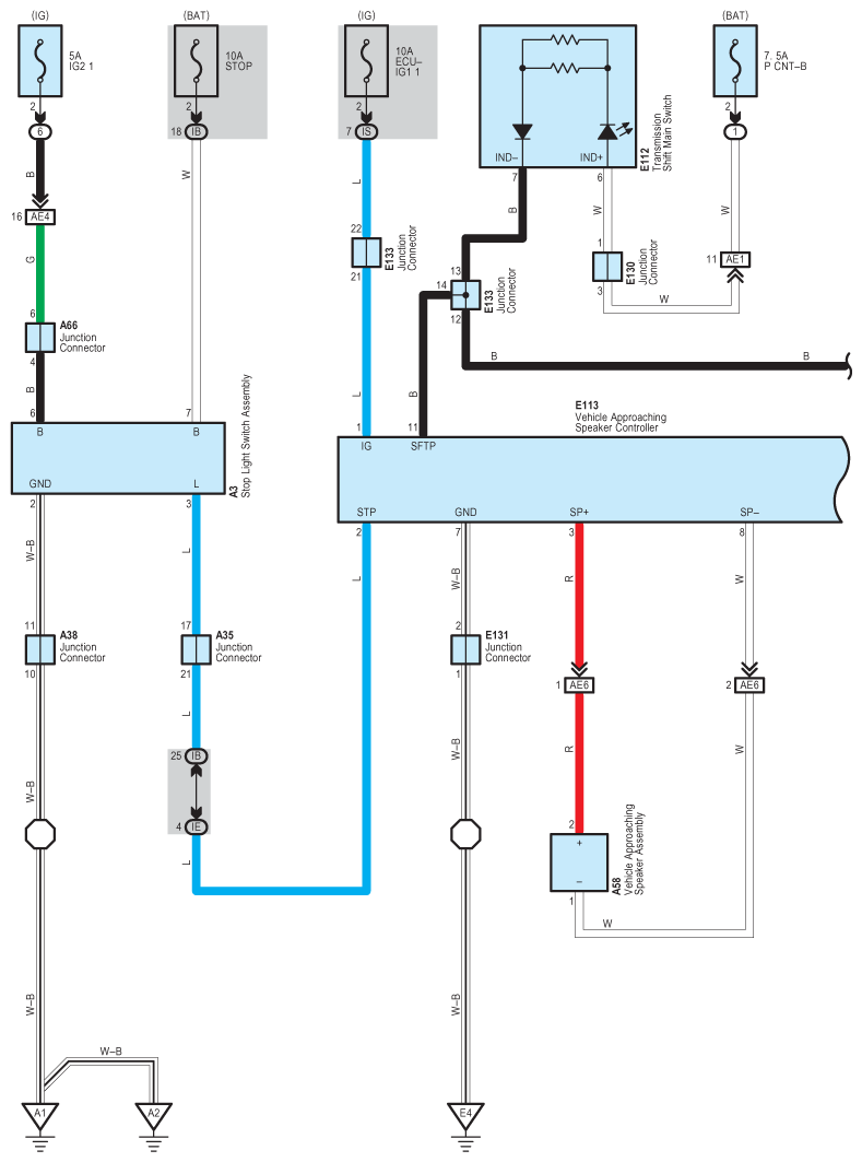
Fig 1: Vehicle Proximity Notification System Wiring Diagram (1 Of 4)
G09110588Courtesy of © TOYOTA, LICENSE AGREEMENT TMS1002
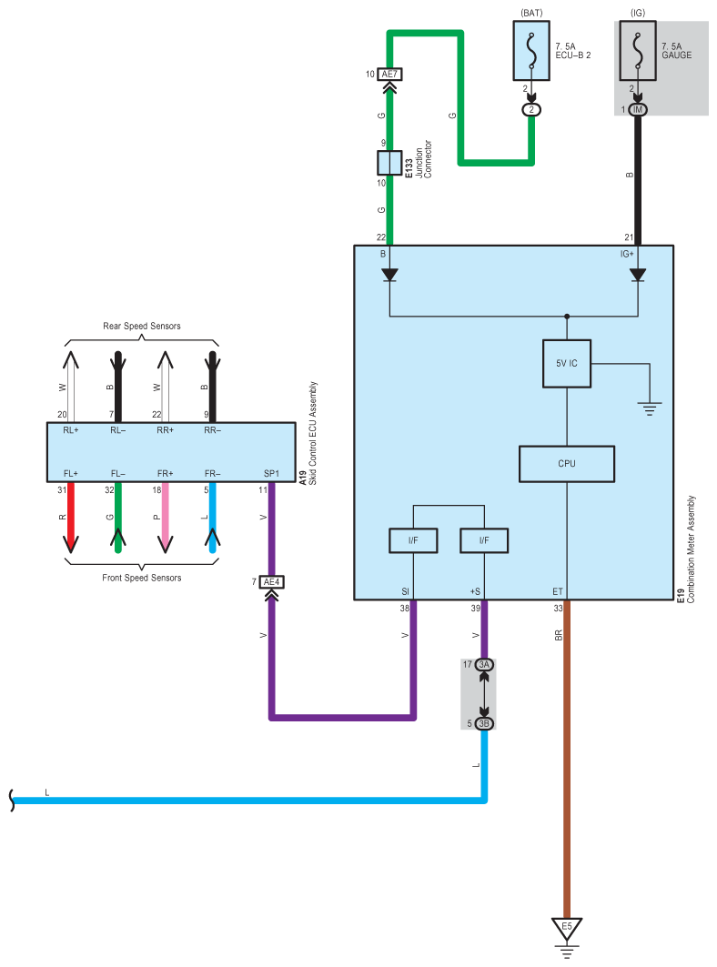
Fig 2: Vehicle Proximity Notification System Wiring Diagram (2 Of 4)
G09110589Courtesy of © TOYOTA, LICENSE AGREEMENT TMS1002
Fig 3: Vehicle Proximity Notification System Wiring Diagram (3 Of 4)
G09110590Courtesy of © TOYOTA, LICENSE AGREEMENT TMS1002
Fig 4: Vehicle Proximity Notification System Wiring Diagram (4 Of 4)
G09110591Courtesy of © TOYOTA, LICENSE AGREEMENT TMS1002