LEMON Manuals: Even more car manuals for everyone: 1960-2025
Home >> Toyota >> 2013 >> RAV4 LE, AWD >> Repair and Diagnosis >> External Pages >> Different variant/trim >> Section 64 (Smart Key System (Keyless Start) (Diagnostics - Introduction) (Electric)) >> SMART KEY SYSTEM (for Start Function) >> System Diagram >> System Diagram
April 5, 2026: LEMON Manuals is launched! Read the announcement.

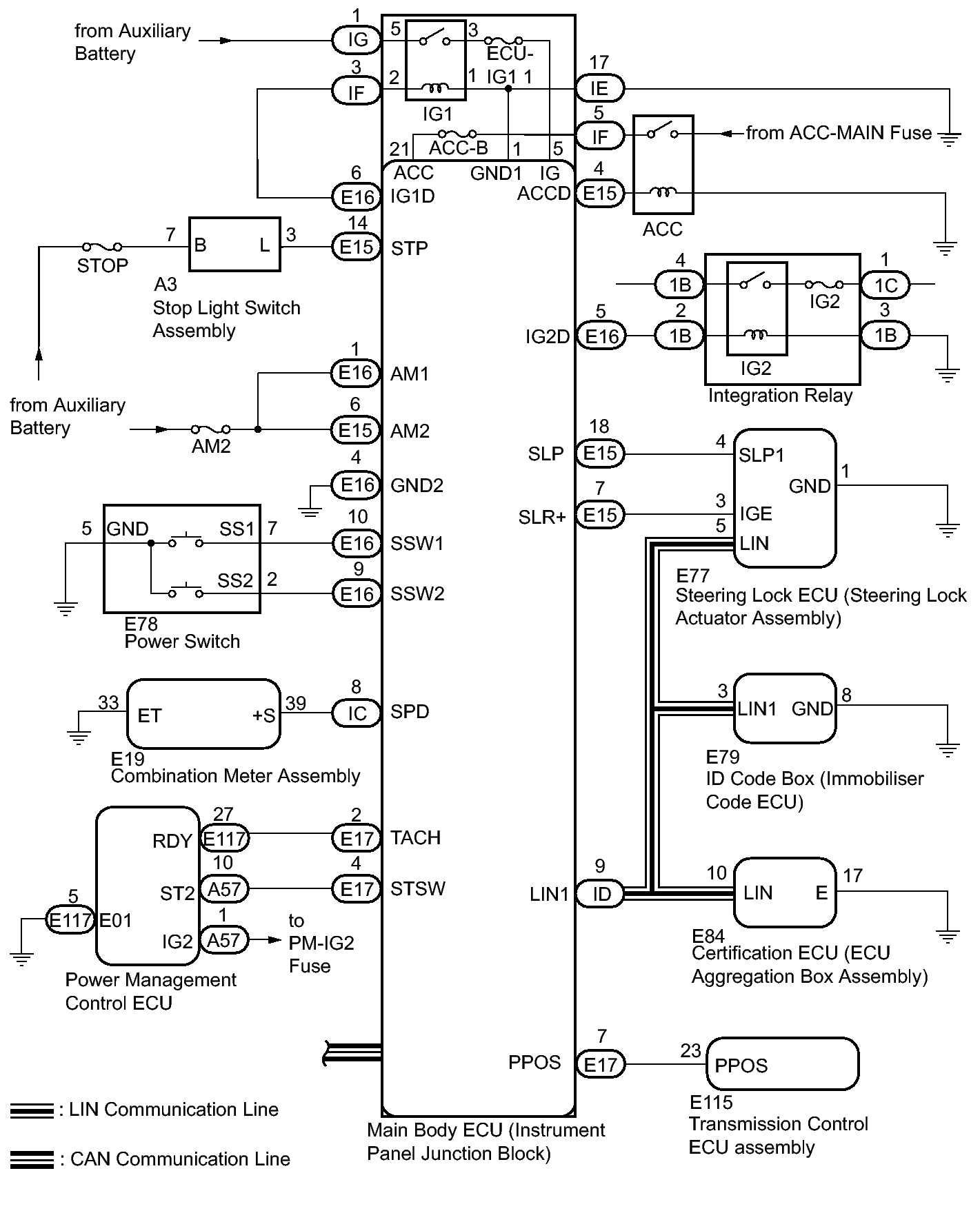
System Diagram

WARNING: This page is about a different variant/trim than selected.
Fig 1: Smart Key System Circuit Diagram
GTY383966Courtesy of © TOYOTA, LICENSE AGREEMENT TMS1002
COMMUNICATION TABLE

Sender Receiver Signal Line
Power management control ECU Main body ECU Ready signal CAN
Skid control ECU Main body ECU Vehicle speed signal CAN
Steering lock ECU (steering lock actuator assembly) Main body ECU Steering lock/unlock signal LIN
Certification ECU (ECU aggregation box assembly) Main body ECU LIN master signal LIN