LEMON Manuals: Even more car manuals for everyone: 1960-2025
Home >> Toyota >> 2013 >> RAV4 Limited, AWD >> Repair and Diagnosis (Single Page) >> Accessories & Equipment >> Anti-Theft Systems >> Wireless Door Lock Control System (W/ Smart Key) - Diagnostics - Introduction - (Except Hybrid) >> WIRELESS DOOR LOCK CONTROL SYSTEM (w/ Smart Key System) >> System Diagram [12/2012 - 10/2015] >> System Diagram [12/2012 - 10/2015]
April 5, 2026: LEMON Manuals is launched! Read the announcement.

System Diagram [12/2012 - 10/2015]

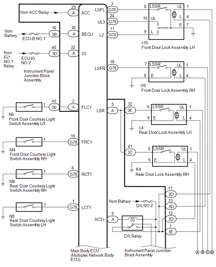
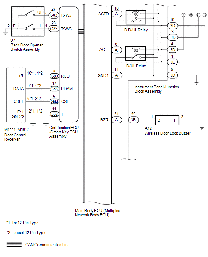
  1. Power Door Lock Control System 
    Fig 1: Power Door Lock Control System Diagram (1 Of 3)
    GTY378293Courtesy of © TOYOTA, LICENSE AGREEMENT TMS1002
    Fig 2: Power Door Lock Control System Diagram (2 Of 3)
    GTY373683Courtesy of © TOYOTA, LICENSE AGREEMENT TMS1002
    Fig 3: Power Door Lock Control System Diagram (3 Of 3)
    GTY366986Courtesy of © TOYOTA, LICENSE AGREEMENT TMS1002