LEMON Manuals: Even more car manuals for everyone: 1960-2025
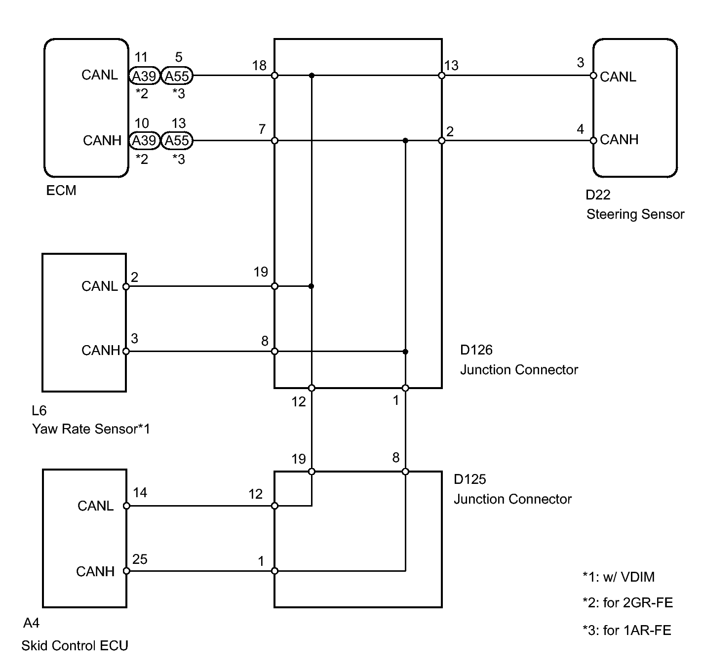
Home >> Toyota >> 2013 >> Sienna L >> Repair and Diagnosis (Single Page) >> Brakes >> Traction Control >> Vehicle Stability Control System (Diagnostic Codes & Symptom Tests) >> Vehicle Stability Control System >> DTC U0073: Control Module Communication Bus OFF; DTC U0100: Lost Communication with ECM / PCM; DTC U0123: Lost Communication with Yaw Rate Sensor Module; DTC U0124: Lost Communication with Lateral Acceleration Sensor Module; DTC U0126: Lost Communication with Steering Angle Sensor Module >> Wiring Diagram
April 5, 2026: LEMON Manuals is launched! Read the announcement.

DTC U0073: Control Module Communication Bus OFF; DTC U0100: Lost Communication with ECM / PCM; DTC U0123: Lost Communication with Yaw Rate Sensor Module; DTC U0124: Lost Communication with Lateral Acceleration Sensor Module; DTC U0126: Lost Communication with Steering Angle Sensor Module: Wiring Diagram

Fig 1: Skid Control ECU to Steering Angle Sensor - Wiring Diagram
GTY302519Courtesy of © TOYOTA, LICENSE AGREEMENT TMS1002