LEMON Manuals: Even more car manuals for everyone: 1960-2025
Home >> Toyota >> 2013 >> Sienna L >> Repair and Diagnosis (Single Page) >> Electrical >> Body Electrical >> OEM System Circuits >> Audio System (w/o Navigation System) >> Notes
April 5, 2026: LEMON Manuals is launched! Read the announcement.

Audio System (w/o Navigation System): Notes

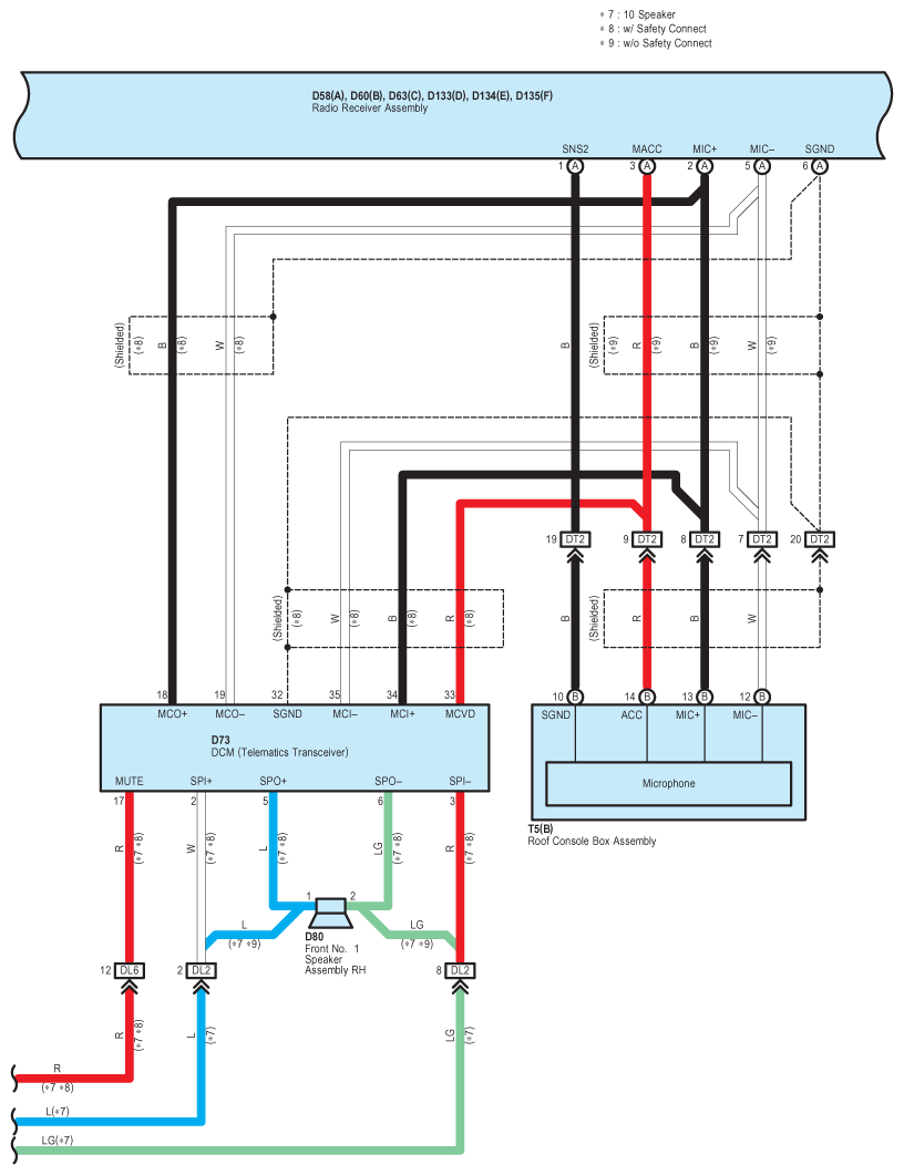
Fig 1: Audio System (W/O Navigation System) System Wiring Diagram (1 Of 12)
G09111703Courtesy of © TOYOTA, LICENSE AGREEMENT TMS1002
Fig 2: Audio System (W/O Navigation System) System Wiring Diagram (2 Of 12)
G09111704Courtesy of © TOYOTA, LICENSE AGREEMENT TMS1002
Fig 3: Audio System (W/O Navigation System) System Wiring Diagram (3 Of 12)
G09111705Courtesy of © TOYOTA, LICENSE AGREEMENT TMS1002
Fig 4: Audio System (W/O Navigation System) System Wiring Diagram (4 Of 12)
G09111706Courtesy of © TOYOTA, LICENSE AGREEMENT TMS1002
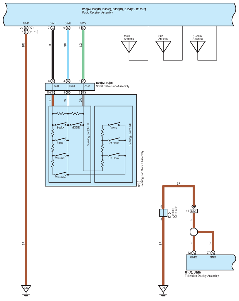
Fig 5: Audio System (W/O Navigation System) System Wiring Diagram (5 Of 12)
G09111707Courtesy of © TOYOTA, LICENSE AGREEMENT TMS1002
Fig 6: Audio System (W/O Navigation System) System Wiring Diagram (6 Of 12)
G09111708Courtesy of © TOYOTA, LICENSE AGREEMENT TMS1002
Fig 7: Audio System (W/O Navigation System) System Wiring Diagram (7 Of 12)
G09111709Courtesy of © TOYOTA, LICENSE AGREEMENT TMS1002
Fig 8: Audio System (W/O Navigation System) System Wiring Diagram (8 Of 12)
G09111710Courtesy of © TOYOTA, LICENSE AGREEMENT TMS1002
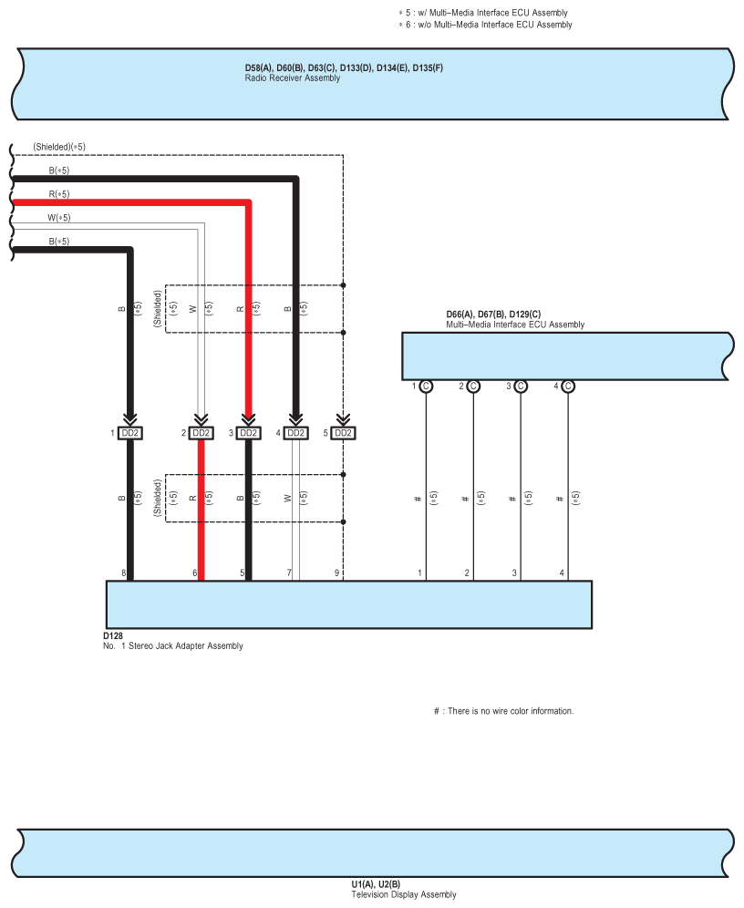
Fig 9: Audio System (W/O Navigation System) System Wiring Diagram (9 Of 12)
G09111711Courtesy of © TOYOTA, LICENSE AGREEMENT TMS1002
Fig 10: Audio System (W/O Navigation System) System Wiring Diagram (10 Of 12)
G09111712Courtesy of © TOYOTA, LICENSE AGREEMENT TMS1002
Fig 11: Audio System (W/O Navigation System) System Wiring Diagram (11 Of 12)
G09111713Courtesy of © TOYOTA, LICENSE AGREEMENT TMS1002
Fig 12: Audio System (W/O Navigation System) System Wiring Diagram (12 Of 12)
G09111714Courtesy of © TOYOTA, LICENSE AGREEMENT TMS1002