LEMON Manuals: Even more car manuals for everyone: 1960-2025
Home >> Toyota >> 2013 >> Sienna L >> Repair and Diagnosis (Single Page) >> Electrical >> Body Electrical >> OEM System Circuits >> Engine Immobilizer System (w/Smart Key System), Smart Key System, Starting (w/Smart Key System), Steering Lock (w/Smart Key System) and Wireless Door Lock Control (w/Smart Key System) >> Notes
April 5, 2026: LEMON Manuals is launched! Read the announcement.

Engine Immobilizer System (w/Smart Key System), Smart Key System, Starting (w/Smart Key System), Steering Lock (w/Smart Key System) and Wireless Door Lock Control (w/Smart Key System): Notes

Fig 1: Engine Immobilizer System, Smart Key System, Starting, Steering Lock And Wireless Door Lock Control (W/ Smart Key System) Wiring Diagram (1 Of 16)
G09111389Courtesy of © TOYOTA, LICENSE AGREEMENT TMS1002
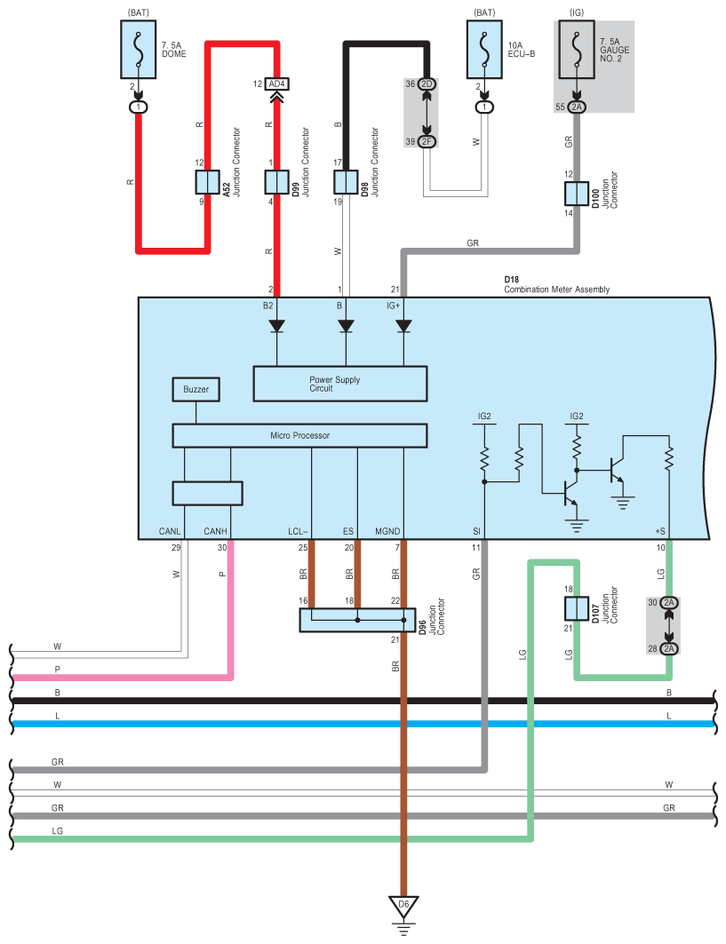
Fig 2: Engine Immobilizer System, Smart Key System, Starting, Steering Lock And Wireless Door Lock Control (W/ Smart Key System) Wiring Diagram (2 Of 16)
G09111390Courtesy of © TOYOTA, LICENSE AGREEMENT TMS1002
Fig 3: Engine Immobilizer System, Smart Key System, Starting, Steering Lock And Wireless Door Lock Control (W/ Smart Key System) Wiring Diagram (3 Of 16)
G09111391Courtesy of © TOYOTA, LICENSE AGREEMENT TMS1002
Fig 4: Engine Immobilizer System, Smart Key System, Starting, Steering Lock And Wireless Door Lock Control (W/ Smart Key System) Wiring Diagram (4 Of 16)
G09111392Courtesy of © TOYOTA, LICENSE AGREEMENT TMS1002
Fig 5: Engine Immobilizer System, Smart Key System, Starting, Steering Lock And Wireless Door Lock Control (W/ Smart Key System) Wiring Diagram (5 Of 16)
G09111393Courtesy of © TOYOTA, LICENSE AGREEMENT TMS1002
Fig 6: Engine Immobilizer System, Smart Key System, Starting, Steering Lock And Wireless Door Lock Control (W/ Smart Key System) Wiring Diagram (6 Of 16)
G09111394Courtesy of © TOYOTA, LICENSE AGREEMENT TMS1002
Fig 7: Engine Immobilizer System, Smart Key System, Starting, Steering Lock And Wireless Door Lock Control (W/ Smart Key System) Wiring Diagram (7 Of 16)
G09111395Courtesy of © TOYOTA, LICENSE AGREEMENT TMS1002
Fig 8: Engine Immobilizer System, Smart Key System, Starting, Steering Lock And Wireless Door Lock Control (W/ Smart Key System) Wiring Diagram (8 Of 16)
G09111396Courtesy of © TOYOTA, LICENSE AGREEMENT TMS1002
Fig 9: Engine Immobilizer System, Smart Key System, Starting, Steering Lock And Wireless Door Lock Control (W/ Smart Key System) Wiring Diagram (9 Of 16)
G09111397Courtesy of © TOYOTA, LICENSE AGREEMENT TMS1002
Fig 10: Engine Immobilizer System, Smart Key System, Starting, Steering Lock And Wireless Door Lock Control (W/ Smart Key System) Wiring Diagram (10 Of 16)
G09111398Courtesy of © TOYOTA, LICENSE AGREEMENT TMS1002
Fig 11: Engine Immobilizer System, Smart Key System, Starting, Steering Lock And Wireless Door Lock Control (W/ Smart Key System) Wiring Diagram (11 Of 16)
G09111399Courtesy of © TOYOTA, LICENSE AGREEMENT TMS1002
Fig 12: Engine Immobilizer System, Smart Key System, Starting, Steering Lock And Wireless Door Lock Control (W/ Smart Key System) Wiring Diagram (12 Of 16)
G09111400Courtesy of © TOYOTA, LICENSE AGREEMENT TMS1002
Fig 13: Engine Immobilizer System, Smart Key System, Starting, Steering Lock And Wireless Door Lock Control (W/ Smart Key System) Wiring Diagram (13 Of 16)
G09111401Courtesy of © TOYOTA, LICENSE AGREEMENT TMS1002
Fig 14: Engine Immobilizer System, Smart Key System, Starting, Steering Lock And Wireless Door Lock Control (W/ Smart Key System) Wiring Diagram (14 Of 16)
G09111402Courtesy of © TOYOTA, LICENSE AGREEMENT TMS1002
Fig 15: Engine Immobilizer System, Smart Key System, Starting, Steering Lock And Wireless Door Lock Control (W/ Smart Key System) Wiring Diagram (15 Of 16)
G09111403Courtesy of © TOYOTA, LICENSE AGREEMENT TMS1002
Fig 16: Engine Immobilizer System, Smart Key System, Starting, Steering Lock And Wireless Door Lock Control (W/ Smart Key System) Wiring Diagram (16 Of 16)
G09111404Courtesy of © TOYOTA, LICENSE AGREEMENT TMS1002