LEMON Manuals: Even more car manuals for everyone: 1960-2025
Home >> Toyota >> 2013 >> Sienna L >> Repair and Diagnosis (Single Page) >> Electrical >> Body Electrical >> OEM System Circuits >> Power Source >> Notes
April 5, 2026: LEMON Manuals is launched! Read the announcement.

Power Source: Notes

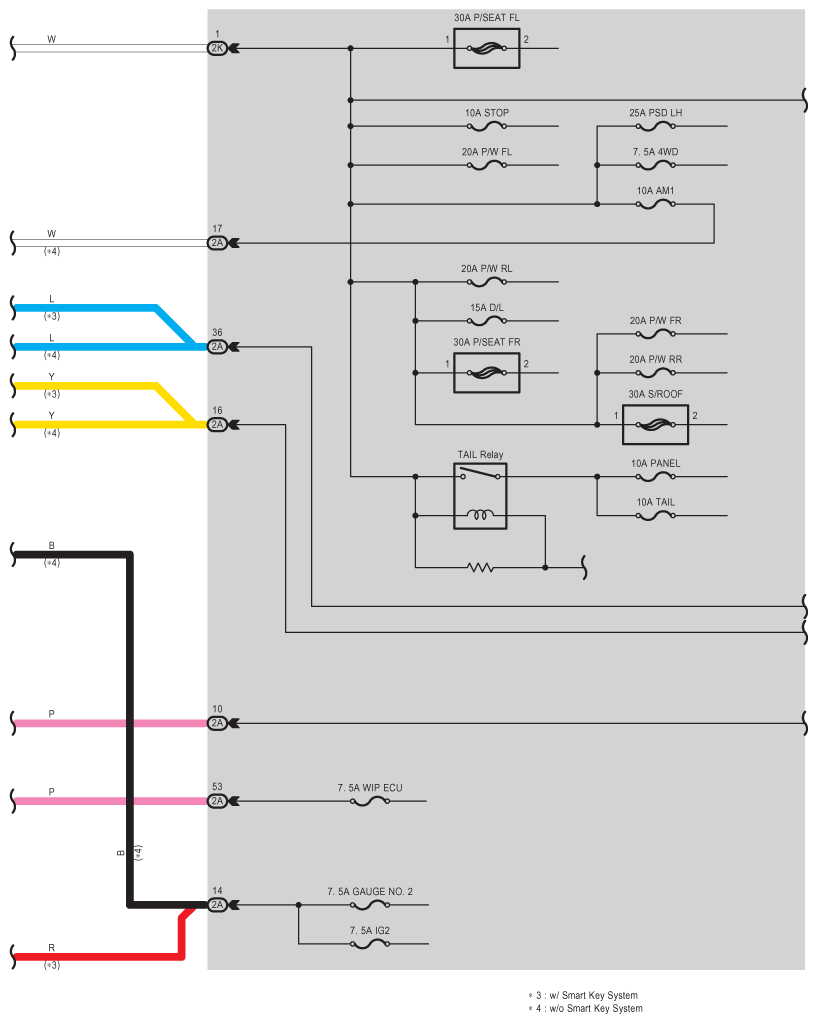
Fig 1: Power Source System Wiring Diagram (1 Of 7)
G09111382Courtesy of © TOYOTA, LICENSE AGREEMENT TMS1002
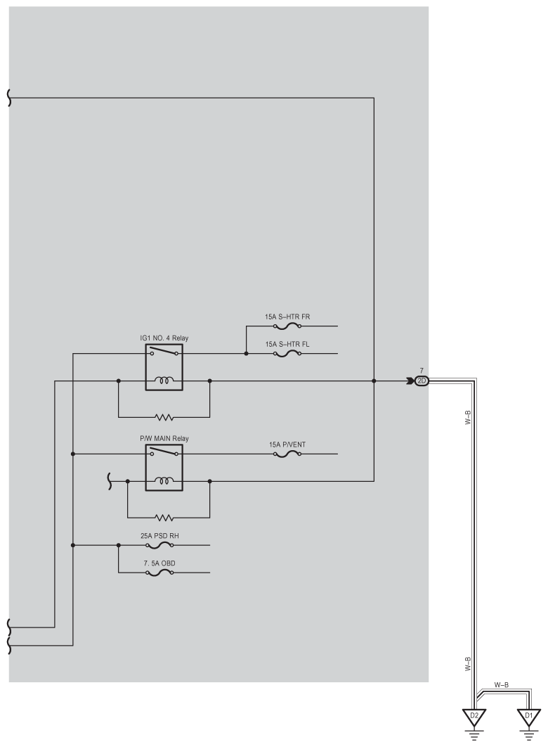
Fig 2: Power Source System Wiring Diagram (2 Of 7)
G09111383Courtesy of © TOYOTA, LICENSE AGREEMENT TMS1002
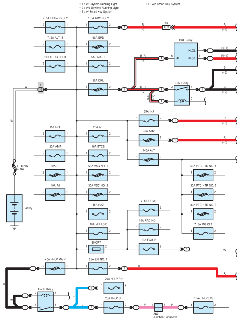
Fig 3: Power Source System Wiring Diagram (3 Of 7)
G09111384Courtesy of © TOYOTA, LICENSE AGREEMENT TMS1002
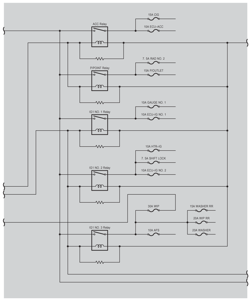
Fig 4: Power Source System Wiring Diagram (4 Of 7)
G09111385Courtesy of © TOYOTA, LICENSE AGREEMENT TMS1002
Fig 5: Power Source System Wiring Diagram (5 Of 7)
G09111386Courtesy of © TOYOTA, LICENSE AGREEMENT TMS1002
Fig 6: Power Source System Wiring Diagram (6 Of 7)
G09111387Courtesy of © TOYOTA, LICENSE AGREEMENT TMS1002
Fig 7: Power Source System Wiring Diagram (7 Of 7)
G09111388Courtesy of © TOYOTA, LICENSE AGREEMENT TMS1002