LEMON Manuals: Even more car manuals for everyone: 1960-2025
Home >> Toyota >> 2013 >> Sienna L >> Repair and Diagnosis (Single Page) >> Electrical >> Motors, Switches, Relays >> OEM System Circuits >> Audio System (w/Navigation System), Navigation System and Parking Assist (Rear View Monitor w/Navigation System) >> Notes
April 5, 2026: LEMON Manuals is launched! Read the announcement.

Audio System (w/Navigation System), Navigation System and Parking Assist (Rear View Monitor w/Navigation System): Notes

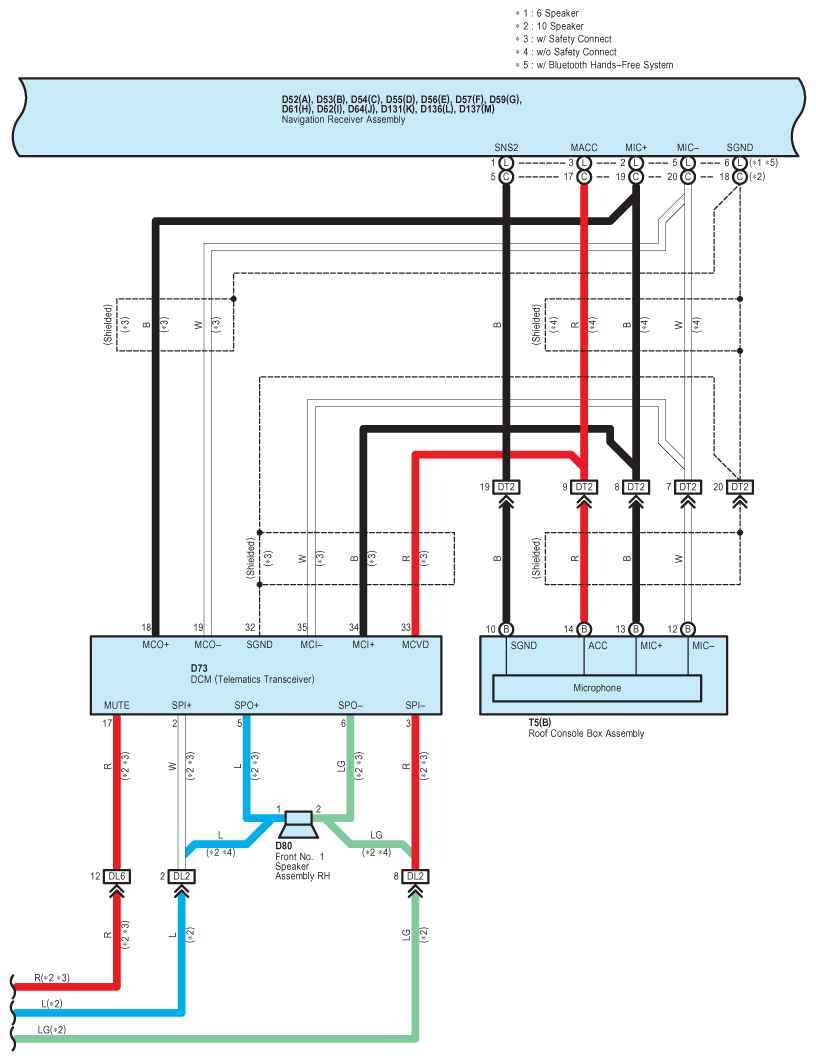
Fig 1: Audio System (W/ Navigation System), Navigation System And Parking Assist (Rear View Monitor W/ Navigation System) System Wiring Diagram (1 Of 16)
G09111687Courtesy of © TOYOTA, LICENSE AGREEMENT TMS1002
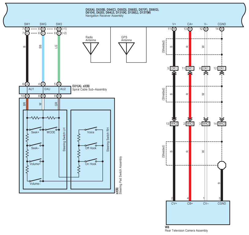
Fig 2: Audio System (W/ Navigation System), Navigation System And Parking Assist (Rear View Monitor W/ Navigation System) System Wiring Diagram (2 Of 16)
G09111688Courtesy of © TOYOTA, LICENSE AGREEMENT TMS1002
Fig 3: Audio System (W/ Navigation System), Navigation System And Parking Assist (Rear View Monitor W/ Navigation System) System Wiring Diagram (3 Of 16)
G09111689Courtesy of © TOYOTA, LICENSE AGREEMENT TMS1002
Fig 4: Audio System (W/ Navigation System), Navigation System And Parking Assist (Rear View Monitor W/ Navigation System) System Wiring Diagram (4 Of 16)
G09111690Courtesy of © TOYOTA, LICENSE AGREEMENT TMS1002
Fig 5: Audio System (W/ Navigation System), Navigation System And Parking Assist (Rear View Monitor W/ Navigation System) System Wiring Diagram (5 Of 16)
G09111691Courtesy of © TOYOTA, LICENSE AGREEMENT TMS1002
Fig 6: Audio System (W/ Navigation System), Navigation System And Parking Assist (Rear View Monitor W/ Navigation System) System Wiring Diagram (6 Of 16)
G09111692Courtesy of © TOYOTA, LICENSE AGREEMENT TMS1002
Fig 7: Audio System (W/ Navigation System), Navigation System And Parking Assist (Rear View Monitor W/ Navigation System) System Wiring Diagram (7 Of 16)
G09111693Courtesy of © TOYOTA, LICENSE AGREEMENT TMS1002
Fig 8: Audio System (W/ Navigation System), Navigation System And Parking Assist (Rear View Monitor W/ Navigation System) System Wiring Diagram (8 Of 16)
G09111694Courtesy of © TOYOTA, LICENSE AGREEMENT TMS1002
Fig 9: Audio System (W/ Navigation System), Navigation System And Parking Assist (Rear View Monitor W/ Navigation System) System Wiring Diagram (9 Of 16)
G09111695Courtesy of © TOYOTA, LICENSE AGREEMENT TMS1002
Fig 10: Audio System (W/ Navigation System), Navigation System And Parking Assist (Rear View Monitor W/ Navigation System) System Wiring Diagram (10 Of 16)
G09111696Courtesy of © TOYOTA, LICENSE AGREEMENT TMS1002
Fig 11: Audio System (W/ Navigation System), Navigation System And Parking Assist (Rear View Monitor W/ Navigation System) System Wiring Diagram (11 Of 16)
G09111697Courtesy of © TOYOTA, LICENSE AGREEMENT TMS1002
Fig 12: Audio System (W/ Navigation System), Navigation System And Parking Assist (Rear View Monitor W/ Navigation System) System Wiring Diagram (12 Of 16)
G09111698Courtesy of © TOYOTA, LICENSE AGREEMENT TMS1002
Fig 13: Audio System (W/ Navigation System), Navigation System And Parking Assist (Rear View Monitor W/ Navigation System) System Wiring Diagram (13 Of 16)
G09111699Courtesy of © TOYOTA, LICENSE AGREEMENT TMS1002
Fig 14: Audio System (W/ Navigation System), Navigation System And Parking Assist (Rear View Monitor W/ Navigation System) System Wiring Diagram (14 Of 16)
G09111700Courtesy of © TOYOTA, LICENSE AGREEMENT TMS1002
Fig 15: Audio System (W/ Navigation System), Navigation System And Parking Assist (Rear View Monitor W/ Navigation System) System Wiring Diagram (15 Of 16)
G09111701Courtesy of © TOYOTA, LICENSE AGREEMENT TMS1002
Fig 16: Audio System (W/ Navigation System), Navigation System And Parking Assist (Rear View Monitor W/ Navigation System) System Wiring Diagram (16 Of 16)
G09111702Courtesy of © TOYOTA, LICENSE AGREEMENT TMS1002