LEMON Manuals: Even more car manuals for everyone: 1960-2025
Home >> Toyota >> 2013 >> Sienna L >> Repair and Diagnosis >> Electrical >> Body Electrical >> OEM System Circuits >> Combination Meter, Multi Display and Parking Assist (Rear View Monitor w/o Navigation System) >> Notes
April 5, 2026: LEMON Manuals is launched! Read the announcement.

Combination Meter, Multi Display and Parking Assist (Rear View Monitor w/o Navigation System): Notes

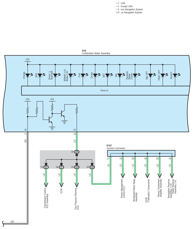
Fig 1: Combination Meter, Multi Display And Parking Assist (Rear View Monitor W/O Navigation System) Wiring Diagram (1 Of 14)
G09111715Courtesy of © TOYOTA, LICENSE AGREEMENT TMS1002
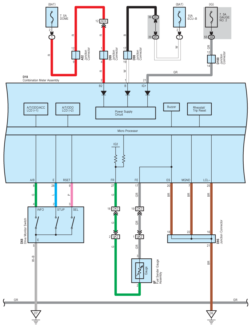
Fig 2: Combination Meter, Multi Display And Parking Assist (Rear View Monitor W/O Navigation System) Wiring Diagram (2 Of 14)
G09111716Courtesy of © TOYOTA, LICENSE AGREEMENT TMS1002
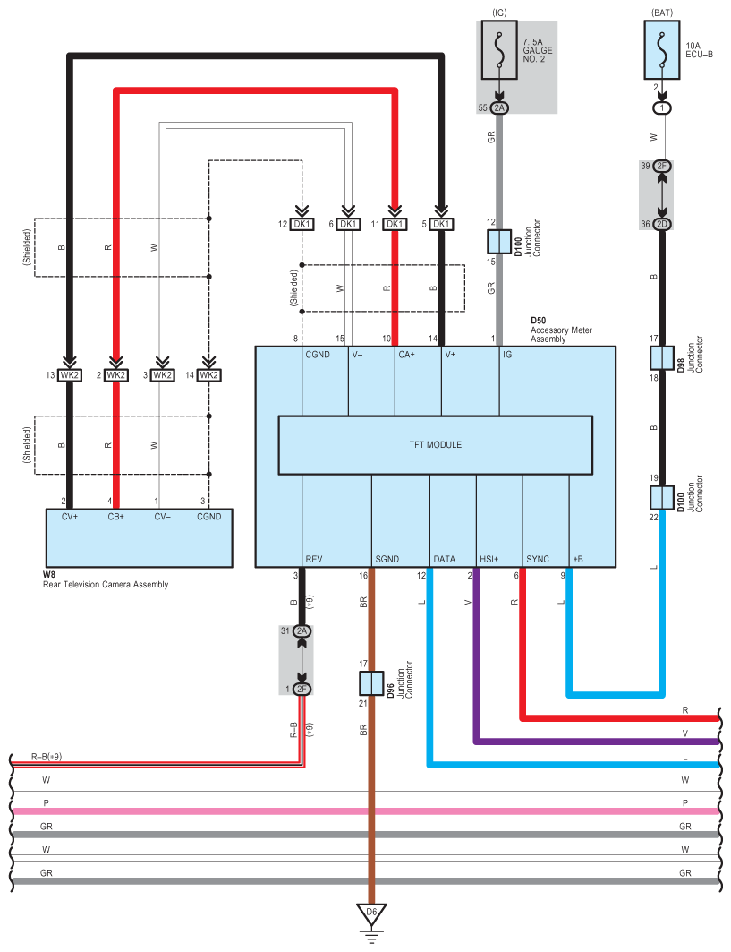
Fig 3: Combination Meter, Multi Display And Parking Assist (Rear View Monitor W/O Navigation System) Wiring Diagram (3 Of 14)
G09111717Courtesy of © TOYOTA, LICENSE AGREEMENT TMS1002
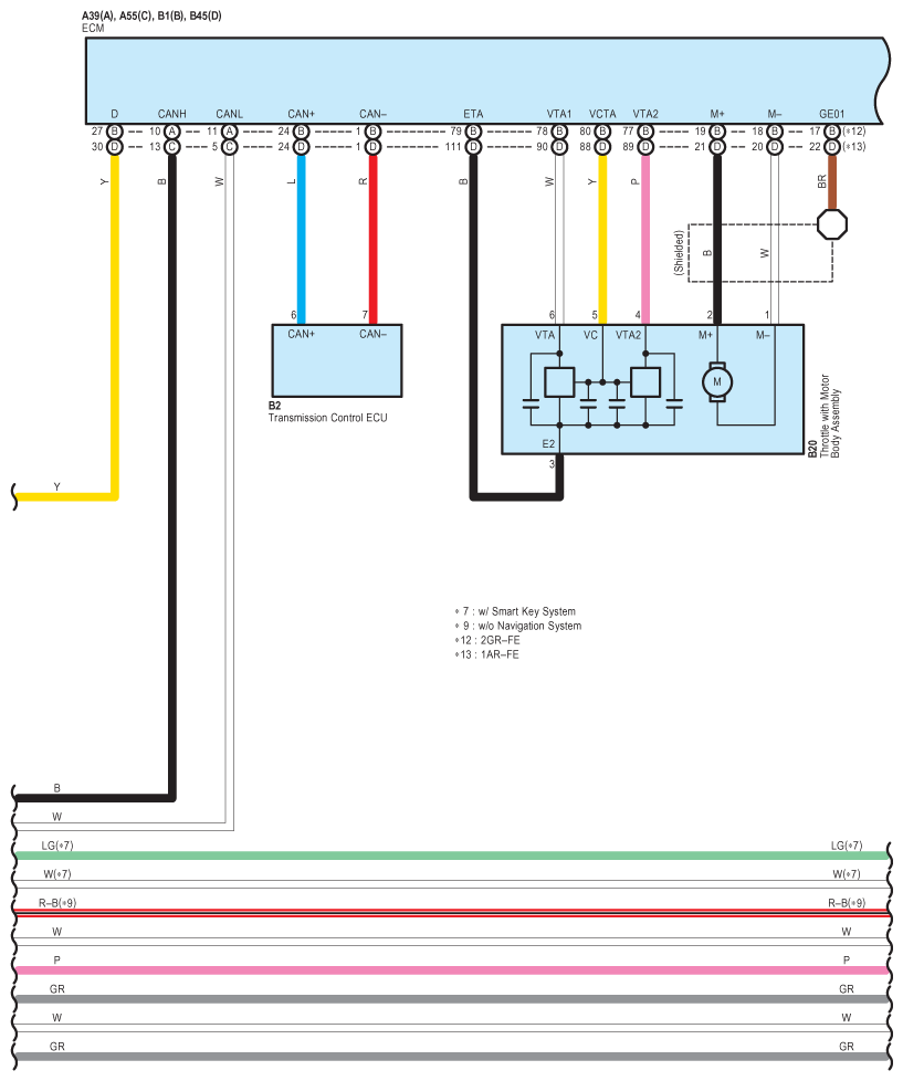
Fig 4: Combination Meter, Multi Display And Parking Assist (Rear View Monitor W/O Navigation System) Wiring Diagram (4 Of 14)
G09111718Courtesy of © TOYOTA, LICENSE AGREEMENT TMS1002
Fig 5: Combination Meter, Multi Display And Parking Assist (Rear View Monitor W/O Navigation System) Wiring Diagram (5 Of 14)
G09111719Courtesy of © TOYOTA, LICENSE AGREEMENT TMS1002
Fig 6: Combination Meter, Multi Display And Parking Assist (Rear View Monitor W/O Navigation System) Wiring Diagram (6 Of 14)
G09111720Courtesy of © TOYOTA, LICENSE AGREEMENT TMS1002
Fig 7: Combination Meter, Multi Display And Parking Assist (Rear View Monitor W/O Navigation System) Wiring Diagram (7 Of 14)
G09111721Courtesy of © TOYOTA, LICENSE AGREEMENT TMS1002
Fig 8: Combination Meter, Multi Display And Parking Assist (Rear View Monitor W/O Navigation System) Wiring Diagram (8 Of 14)
G09111722Courtesy of © TOYOTA, LICENSE AGREEMENT TMS1002
Fig 9: Combination Meter, Multi Display And Parking Assist (Rear View Monitor W/O Navigation System) Wiring Diagram (9 Of 14)
G09111723Courtesy of © TOYOTA, LICENSE AGREEMENT TMS1002
Fig 10: Combination Meter, Multi Display And Parking Assist (Rear View Monitor W/O Navigation System) Wiring Diagram (10 Of 14)
G09111724Courtesy of © TOYOTA, LICENSE AGREEMENT TMS1002
Fig 11: Combination Meter, Multi Display And Parking Assist (Rear View Monitor W/O Navigation System) Wiring Diagram (11 Of 14)
G09111725Courtesy of © TOYOTA, LICENSE AGREEMENT TMS1002
Fig 12: Combination Meter, Multi Display And Parking Assist (Rear View Monitor W/O Navigation System) Wiring Diagram (12 Of 14)
G09111726Courtesy of © TOYOTA, LICENSE AGREEMENT TMS1002
Fig 13: Combination Meter, Multi Display And Parking Assist (Rear View Monitor W/O Navigation System) Wiring Diagram (13 Of 14)
G09111727Courtesy of © TOYOTA, LICENSE AGREEMENT TMS1002
Fig 14: Combination Meter, Multi Display And Parking Assist (Rear View Monitor W/O Navigation System) Wiring Diagram (14 Of 14)
G09111728Courtesy of © TOYOTA, LICENSE AGREEMENT TMS1002