LEMON Manuals: Even more car manuals for everyone: 1960-2025
Home >> Toyota >> 2013 >> Sienna L >> Repair and Diagnosis >> Electrical >> Body Electrical >> OEM System Circuits >> Engine Immobilizer System (w/o Smart Key System) >> Notes
April 5, 2026: LEMON Manuals is launched! Read the announcement.

Engine Immobilizer System (w/o Smart Key System): Notes

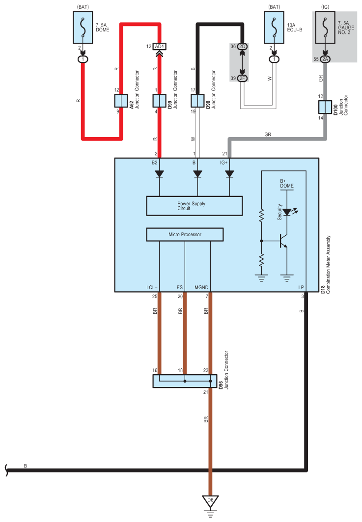
Fig 1: Engine Immobilizer System (W/O Smart Key System) System Wiring Diagram (1 Of 3)
G09111478Courtesy of © TOYOTA, LICENSE AGREEMENT TMS1002
Fig 2: Engine Immobilizer System (W/O Smart Key System) System Wiring Diagram (2 Of 3)
G09111479Courtesy of © TOYOTA, LICENSE AGREEMENT TMS1002
Fig 3: Engine Immobilizer System (W/O Smart Key System) System Wiring Diagram (3 Of 3)
G09111480Courtesy of © TOYOTA, LICENSE AGREEMENT TMS1002