LEMON Manuals: Even more car manuals for everyone: 1960-2025
Home >> Toyota >> 2013 >> Sienna L >> Repair and Diagnosis >> Electrical >> Body Electrical >> OEM System Circuits >> Safety Connect >> Notes
April 5, 2026: LEMON Manuals is launched! Read the announcement.

Safety Connect: Notes

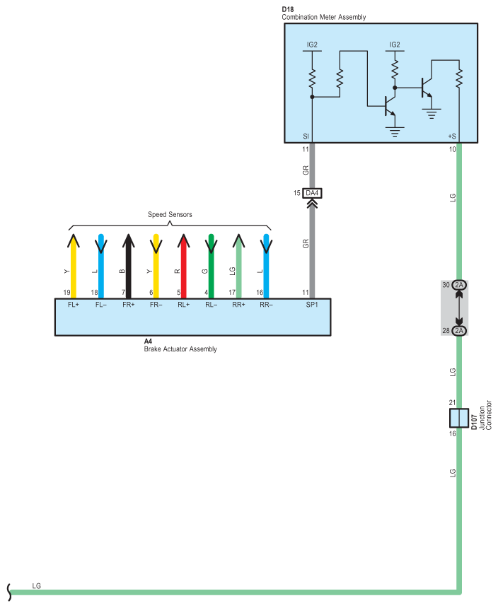
Fig 1: Safety Connect System Wiring Diagram (1 Of 3)
G09111684Courtesy of © TOYOTA, LICENSE AGREEMENT TMS1002
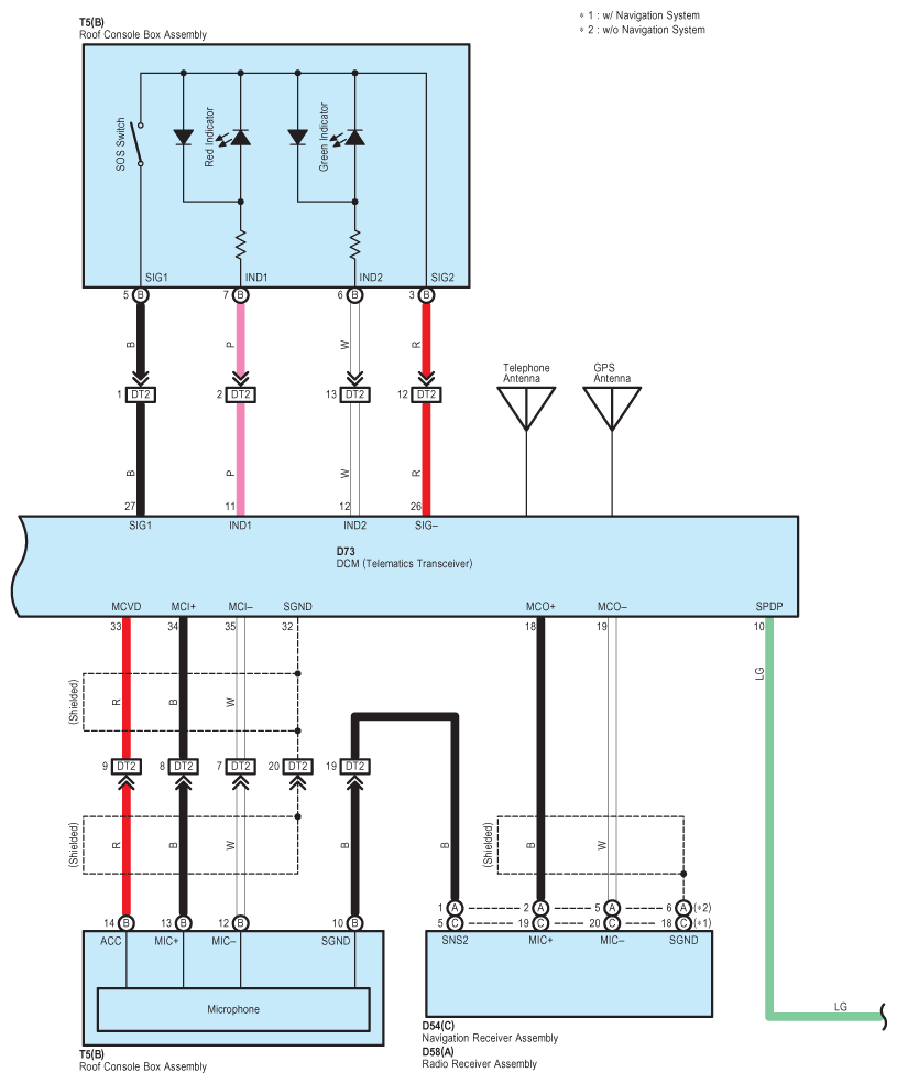
Fig 2: Safety Connect System Wiring Diagram (2 Of 3)
G09111685Courtesy of © TOYOTA, LICENSE AGREEMENT TMS1002
Fig 3: Safety Connect System Wiring Diagram (3 Of 3)
G09111686Courtesy of © TOYOTA, LICENSE AGREEMENT TMS1002