LEMON Manuals: Even more car manuals for everyone: 1960-2025
Home >> Toyota >> 2013 >> Tacoma X-Runner >> Repair and Diagnosis >> Engine Performance >> System >> Engine Control System (1GR-FE) (Diagnostics - Introduction) >> SFI System >> System Diagram >> System Diagram
April 5, 2026: LEMON Manuals is launched! Read the announcement.

System Diagram

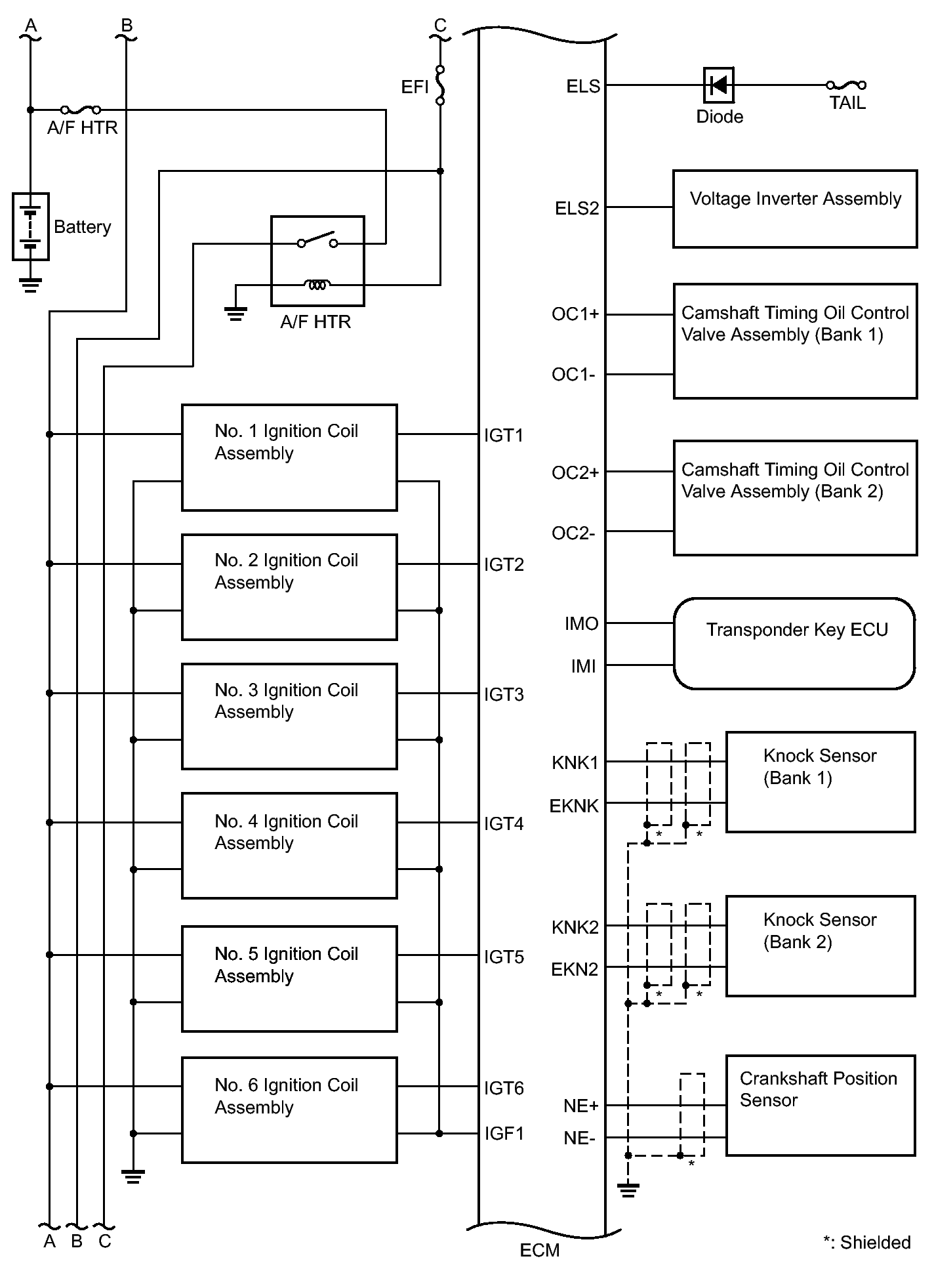
Fig 1: Identifying SFI System Wiring Diagram (1 Of 5)
GTY362404Courtesy of © TOYOTA, LICENSE AGREEMENT TMS1002
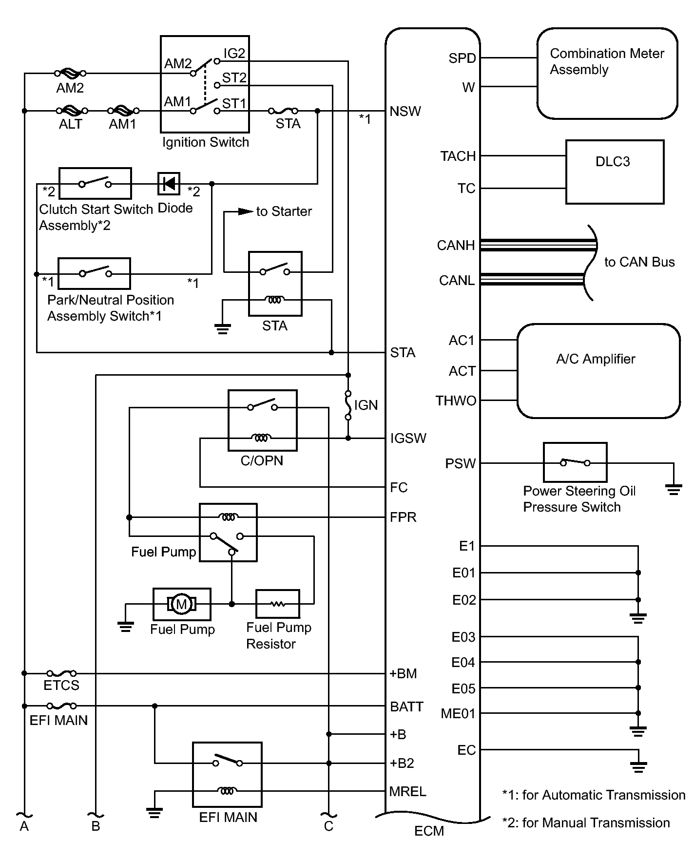
Fig 2: Identifying SFI System Wiring Diagram (2 Of 5)
GTY369340Courtesy of © TOYOTA, LICENSE AGREEMENT TMS1002
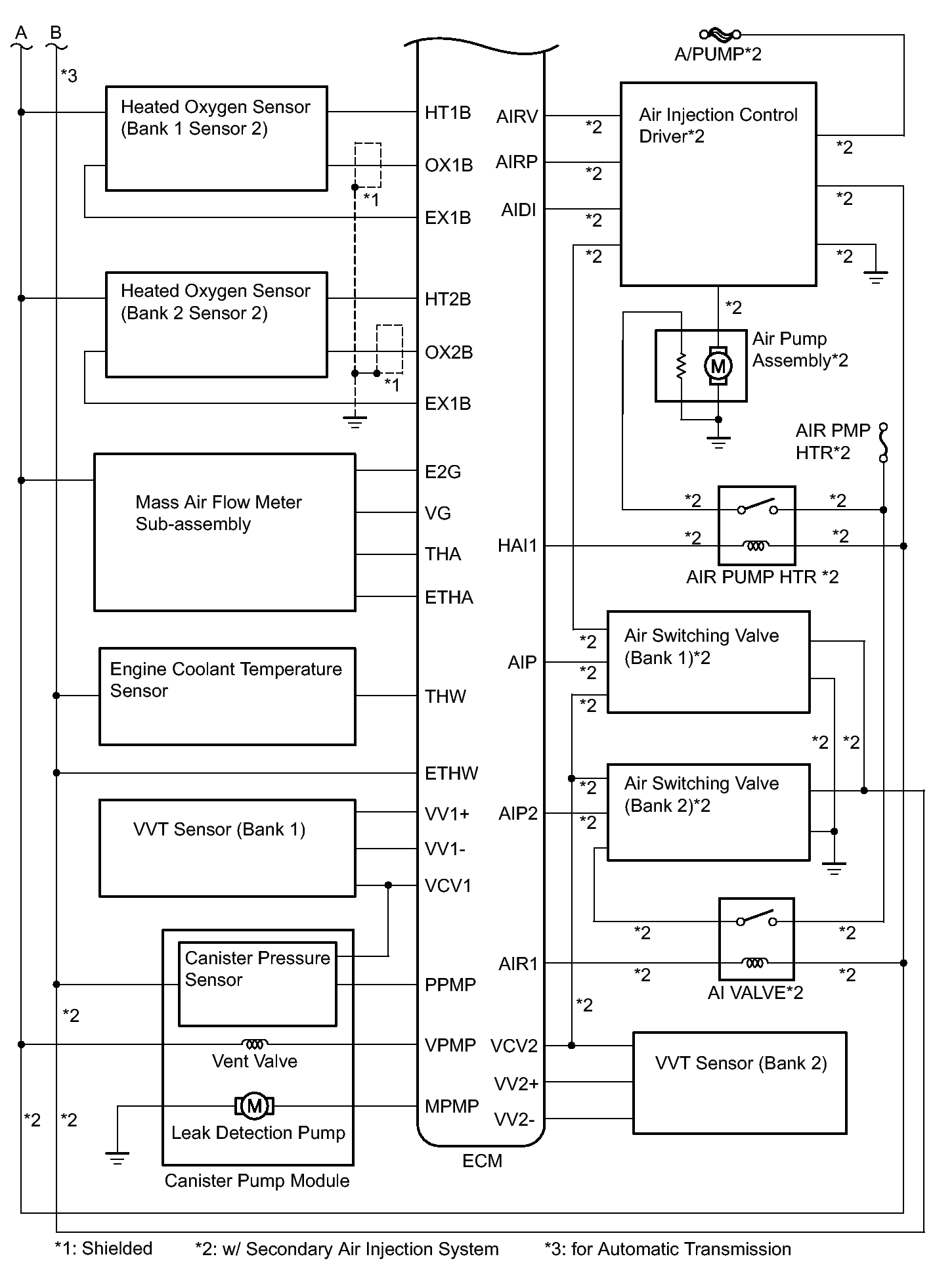
Fig 3: Identifying SFI System Wiring Diagram (3 Of 5)
GTY380505Courtesy of © TOYOTA, LICENSE AGREEMENT TMS1002
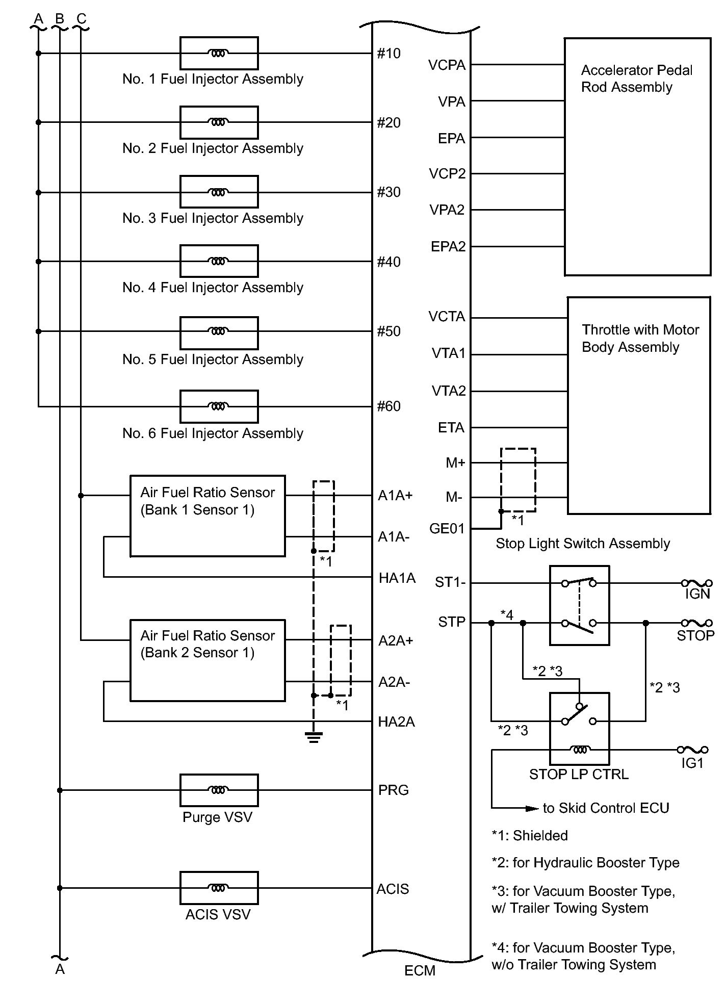
Fig 4: Identifying SFI System Wiring Diagram (4 Of 5)
GTY335517Courtesy of © TOYOTA, LICENSE AGREEMENT TMS1002
Fig 5: Identifying SFI System Wiring Diagram (5 Of 5)
GTY366180Courtesy of © TOYOTA, LICENSE AGREEMENT TMS1002