LEMON Manuals: Even more car manuals for everyone: 1960-2025
Home >> Toyota >> 2014 >> Camry LE >> Repair and Diagnosis (Single Page) >> Restraints >> Air Bag, SRS >> Occupant Classification System (Diagnostic Codes & Symptom Tests) (Except Hybrid) >> Occupant Classification System >> DTC B1783: Rear Occupant Classification Sensor RH Circuit Malfunction [08/2013 - 12/2013] >> Procedure
April 5, 2026: LEMON Manuals is launched! Read the announcement.

DTC B1783: Rear Occupant Classification Sensor RH Circuit Malfunction [08/2013 - 12/2013]: Procedure

  1. CHECK CONNECTORS 
    1. Turn the ignition switch off.
    2. Disconnect the cable from the negative (-) battery terminal.
    3. Check that the connectors are properly connected to the occupant detection ECU and rear occupant classification sensor RH.

      OK

      The connectors are properly connected.

      HINT: 

      If the connectors are not connected securely, reconnect the connectors and proceed to the next inspection.

    4. Disconnect the connectors from the occupant detection ECU and rear occupant classification sensor RH.
    5. Check that the terminals of the connectors are not damaged.

      OK

      The terminals are not deformed or damaged.

    NG → REPLACE FRONT SEAT WIRE RH 

    OK: Go to next step 

  2. CHECK FRONT SEAT WIRE RH (SHORT TO B+) 
    1. Connect the cable to the negative (-) battery terminal.
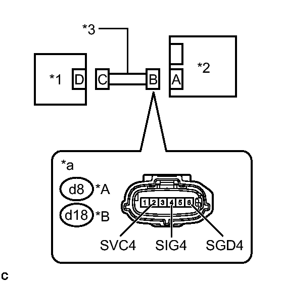
      GTY449777Courtesy of © TOYOTA, LICENSE AGREEMENT TMS1002
    2. Turn the ignition switch to ON.
    3. Measure the voltage according to the value(s) in the table below.

      Standard Voltage

      FOR TMMK MADE:

      Tester Connection Condition Specified Condition
      d8-2 (SVC4) - Body ground Ignition switch ON Below 1 V
      d8-4 (SIG4) - Body ground Ignition switch ON Below 1 V
      d8-6 (SGD4) - Body ground Ignition switch ON Below 1 V
      FOR SIA MADE:

      Tester Connection Condition Specified Condition
      d18-2 (SVC4) - Body ground Ignition switch ON Below 1 V
      d18-4 (SIG4) - Body ground Ignition switch ON Below 1 V
      d18-6 (SGD4) - Body ground Ignition switch ON Below 1 V
    4. Turn the ignition switch off.
    5. Disconnect the cable from the negative (-) battery terminal.
      TEXT IN ILLUSTRATION

      *A for TMMK Made
      *B for SIA Made
      *1 Rear Occupant Classification Sensor RH
      *2 Occupant Detection ECU
      *3 Front Seat Wire RH
      *a Front view of wire harness connector
      (to Occupant Detection ECU)

    NG → See step   12 

    OK: Go to next step 

  3. CHECK FRONT SEAT WIRE RH (OPEN) 
    1. Using a service wire, connect terminals 1 (SVC4) and 3 (SGD4), and connect terminals 2 (SIG4) and 3 (SGD4) of connector C.
      GTY443158Courtesy of © TOYOTA, LICENSE AGREEMENT TMS1002
      NOTE:

      Do not forcibly insert the service wire into the terminals of the connector when connecting the wire.

    2. Measure the resistance according to the value(s) in the table below.

      Standard Resistance

      FOR TMMK MADE:

      Tester Connection Condition Specified Condition
      d8-2 (SVC4) - d8-6 (SGD4) Always Below 1 Ω
      d8-4 (SIG4) - d8-6 (SGD4) Always Below 1 Ω
      FOR SIA MADE:

      Tester Connection Condition Specified Condition
      d18-2 (SVC4) - d18-6 (SGD4) Always Below 1 Ω
      d18-4 (SIG4) - d18-6 (SGD4) Always Below 1 Ω
    3. Disconnect the service wire from connector C.
      TEXT IN ILLUSTRATION

      *A for TMMK Made
      *B for SIA Made
      *1 Rear Occupant Classification Sensor RH
      *2 Occupant Detection ECU
      *3 Front Seat Wire RH
      *4 Service Wire
      *a Front view of wire harness connector
      (to Occupant Detection ECU)
      *b Front view of wire harness connector
      (to Rear Occupant Classification Sensor RH)

    NG → REPLACE FRONT SEAT WIRE RH 

    OK: Go to next step 

  4. CHECK FRONT SEAT WIRE RH (SHORT) 
    1. Measure the resistance according to the value(s) in the table below.
      GTY449777Courtesy of © TOYOTA, LICENSE AGREEMENT TMS1002

      Standard Resistance

      FOR TMMK MADE:

      Tester Connection Condition Specified Condition
      d8-2 (SVC4) - d8-6 (SGD4) Always 1 MΩ or higher
      d8-4 (SIG4) - d8-6 (SGD4) Always 1 MΩ or higher
      d8-2 (SVC4) - d8-4 (SIG4) Always 1 MΩ or higher
      FOR SIA MADE:

      Tester Connection Condition Specified Condition
      d18-2 (SVC4) - d18-6 (SGD4) Always 1 MΩ or higher
      d18-4 (SIG4) - d18-6 (SGD4) Always 1 MΩ or higher
      d18-2 (SVC4) - d18-4 (SIG4) Always 1 MΩ or higher
      TEXT IN ILLUSTRATION

      *A for TMMK Made
      *B for SIA Made
      *1 Rear Occupant Classification Sensor RH
      *2 Occupant Detection ECU
      *3 Front Seat Wire RH
      *a Front view of wire harness connector
      (to Occupant Detection ECU)

    NG → REPLACE FRONT SEAT WIRE RH 

    OK: Go to next step 

  5. CHECK FRONT SEAT WIRE RH (SHORT TO GROUND) 
    1. Measure the resistance according to the value(s) in the table below.
      GTY449777Courtesy of © TOYOTA, LICENSE AGREEMENT TMS1002

      Standard Resistance

      FOR TMMK MADE:

      Tester Connection Condition Specified Condition
      d8-2 (SVC4) - Body ground Always 1 MΩ or higher
      d8-4 (SIG4) - Body ground Always 1 MΩ or higher
      d8-6 (SGD4) - Body ground Always 1 MΩ or higher
      FOR SIA MADE:

      Tester Connection Condition Specified Condition
      d18-2 (SVC4) - Body ground Always 1 MΩ or higher
      d18-4 (SIG4) - Body ground Always 1 MΩ or higher
      d18-6 (SGD4) - Body ground Always 1 MΩ or higher
      TEXT IN ILLUSTRATION

      *A for TMMK Made
      *B for SIA Made
      *1 Rear Occupant Classification Sensor RH
      *2 Occupant Detection ECU
      *3 Front Seat Wire RH
      *a Front view of wire harness connector
      (to Occupant Detection ECU)

    NG → REPLACE FRONT SEAT WIRE RH 

    OK: Go to next step 

  6. CHECK DTC 
    1. Connect the connectors to the occupant detection ECU and rear occupant classification sensor RH.
    2. Connect the cable to the negative (-) battery terminal.
    3. Clear the DTCs stored in the occupant detection ECU. Refer to DTC CHECK / CLEAR [08/2013 - ] .
    4. Clear the DTCs stored in the airbag sensor assembly. Refer to DTC CHECK / CLEAR [08/2013 - ] .
    5. Turn the ignition switch off.
    6. Turn the ignition switch to ON.
    7. Check for DTCs. Refer to DTC CHECK / CLEAR [08/2013 - ] .

      OK

      DTC B1783 is not output.

      HINT: 

      Codes other than DTC B1783 may be output at this time, but they are not related to this check.

    8. Turn the ignition switch off.

    NG → See step   7 

    OK → See step   14 

  7. CHECK OCCUPANT DETECTION ECU 
    1. Disconnect the cable from the negative (-) battery terminal.
    2. Replace the occupant detection ECU with a known good one. Refer to REMOVAL [08/2013 - ] .

      HINT: 

      Perform the following inspection using known good parts from another vehicle if possible.

    3. Connect the cable to the negative (-) battery terminal.
    4. Clear the DTCs stored in the occupant detection ECU. Refer to DTC CHECK / CLEAR [08/2013 - ] .
    5. Clear the DTCs stored in the airbag sensor assembly. Refer to DTC CHECK / CLEAR [08/2013 - ] .
    6. Turn the ignition switch off.
    7. Turn the ignition switch to ON.
    8. Check for DTCs. Refer to DTC CHECK / CLEAR [08/2013 - ] .

      OK

      DTC B1783 is not output.

      HINT: 

      Codes other than DTC B1783 may be output at this time, but they are not related to this check.

    9. Turn the ignition switch off.
    10. Disconnect the cable from the negative (-) battery terminal.
    11. Restore the occupant detection ECU that was installed for testing to its original location. Refer to REMOVAL [08/2013 - ] .

    NG → See step   10 

    OK: Go to next step 

  8. REPLACE OCCUPANT DETECTION ECU 
    1. Disconnect the cable from the negative (-) battery terminal.
    2. Replace the occupant detection ECU with a new one. Refer to REMOVAL [08/2013 - ] .
    3. Connect the cable to the negative (-) battery terminal.

    NEXT: Go to next step 

  9. PERFORM ZERO POINT CALIBRATION AND SENSITIVITY CHECK 
    1. Using the Techstream, perform Zero Point Calibration and Sensitivity Check. Refer to INITIALIZATION [08/2013 - ] .

    NEXT → END 

  10. REPLACE FRONT SEAT FRAME WITH ADJUSTER ASSEMBLY RH 
    1. Disconnect the cable from the negative (-) battery terminal.
    2. Replace the front seat frame with adjuster assembly RH. Refer to REMOVAL [08/2013 - 12/2013] for TMMK Made Manual Seat. Refer to REMOVAL [08/2013 - 12/2013] for TMMK Made Power Seat. Refer to REMOVAL [08/2013 - 12/2013] for SIA Made Manual Seat. Refer to REMOVAL [08/2013 - 12/2013] for SIA Made Power Seat).
    3. Connect the cable to the negative (-) battery terminal.

    NEXT: Go to next step 

  11. PERFORM ZERO POINT CALIBRATION AND SENSITIVITY CHECK 
    1. Using the Techstream, perform Zero Point Calibration and Sensitivity Check. Refer to INITIALIZATION [08/2013 - ] .

    NEXT → END 

  12. REPLACE FRONT SEAT FRAME WITH ADJUSTER ASSEMBLY RH 
    1. Disconnect the cable from the negative (-) battery terminal.
    2. Replace the front seat frame with adjuster assembly RH. Refer to REMOVAL [08/2013 - 12/2013] for TMMK Made Manual Seat. Refer to REMOVAL [08/2013 - 12/2013] for TMMK Made Power Seat. Refer to REMOVAL [08/2013 - 12/2013] for SIA Made Manual Seat. Refer to REMOVAL [08/2013 - 12/2013] for SIA Made Power Seat).
      NOTE:

      Replace the front seat wire RH at the same time.

      HINT: 

      When the front seat wire RH has a short to B+, the rear occupant classification sensor RH will be damaged. Therefore, replace the front seat wire RH and the front seat frame with adjuster assembly RH, which includes the rear occupant classification sensor RH.

    3. Connect the cable to the negative (-) battery terminal.

    NEXT: Go to next step 

  13. PERFORM ZERO POINT CALIBRATION AND SENSITIVITY CHECK 
    1. Using the Techstream, perform Zero Point Calibration and Sensitivity Check. Refer to INITIALIZATION [08/2013 - ] .

    NEXT → END 

  14. USE SIMULATION METHOD TO CHECK. Refer to  HOW TO PROCEED WITH TROUBLESHOOTING [08/2013 - 12/2013]