LEMON Manuals: Even more car manuals for everyone: 1960-2025
Home >> Toyota >> 2014 >> Camry LE >> Repair and Diagnosis >> Restraints >> Air Bag, SRS >> Occupant Classification System (Diagnostic Codes & Symptom Tests) (Except Hybrid) >> Occupant Classification System >> DTC B1783: Rear Occupant Classification Sensor RH Circuit Malfunction [08/2013 - 12/2013] >> Wiring Diagram
April 5, 2026: LEMON Manuals is launched! Read the announcement.

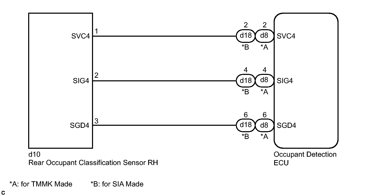
DTC B1783: Rear Occupant Classification Sensor RH Circuit Malfunction [08/2013 - 12/2013]: Wiring Diagram

Fig 1: Rear Occupant Classification Sensor RH Circuit - Wiring Diagram
GTY438344Courtesy of © TOYOTA, LICENSE AGREEMENT TMS1002