LEMON Manuals: Even more car manuals for everyone: 1960-2025
Home >> Toyota >> 2014 >> Corolla L, Automatic Trans >> Repair and Diagnosis >> Steering >> Manual Steering >> Power Steering System - Diagnostics - Introduction (Model Code: ZRE172) >> Power Steering System >> System Diagram [08/2014 - 08/2016] >> System Diagram [08/2014 - 08/2016]
April 5, 2026: LEMON Manuals is launched! Read the announcement.

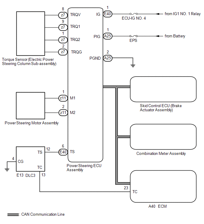
System Diagram [08/2014 - 08/2016]

Fig 1: Power Steering System Circuit Diagram
GTY480607Courtesy of © TOYOTA, LICENSE AGREEMENT TMS1002