LEMON Manuals: Even more car manuals for everyone: 1960-2025
Home >> Toyota >> 2014 >> Corolla LE Eco Plus >> Repair and Diagnosis >> External Pages >> Different car >> Section 6 (Dynamic Radar Cruise Control System - Diagnostics - Introduction (Model Code: ZRE172)) >> Dynamic Radar Cruise Control System >> System Diagram [08/2016 - ] >> System Diagram [08/2016 - ]
April 5, 2026: LEMON Manuals is launched! Read the announcement.

System Diagram [08/2016 - ]

WARNING: This page is about a different car, the 2019 Toyota Corolla, 2018 Toyota Corolla, and 2017 Toyota Corolla. However, it is still accessible from the selected car via links, so may be relevant.
Fig 1: Dynamic Radar Cruise Control System Circuit Diagram (1 Of 4)
GTY772274Courtesy of © TOYOTA, LICENSE AGREEMENT TMS1002
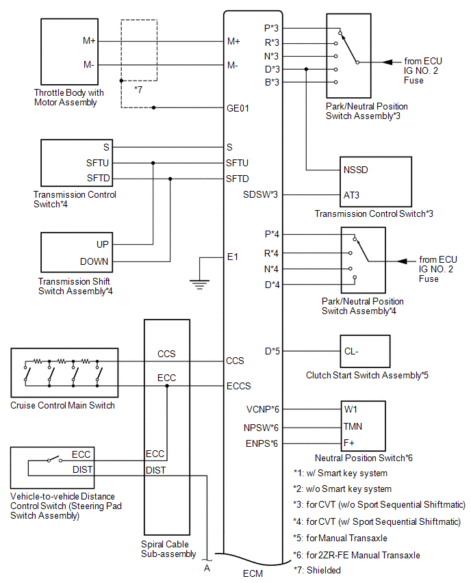
Fig 2: Dynamic Radar Cruise Control System Circuit Diagram (2 Of 4)
GTY704131Courtesy of © TOYOTA, LICENSE AGREEMENT TMS1002
Fig 3: Dynamic Radar Cruise Control System Circuit Diagram (3 Of 4)
GTY709825Courtesy of © TOYOTA, LICENSE AGREEMENT TMS1002
Fig 4: Dynamic Radar Cruise Control System Circuit Diagram (4 Of 4)
GTY716511Courtesy of © TOYOTA, LICENSE AGREEMENT TMS1002
COMMUNICATION TABLE

Sender Receiver Signal Line
ECM Driving Support ECU Assembly
  • Cruise control operation signal
  • Accelerator pedal idle position signal
  • Accel override operation signal
  • Cruise control speed status signal
  • Approach warning signal
  • Brake signal
  • Cruise control main switch (ON/OFF button) on signal
  • Cruise control mode signal
  • Set vehicle-to-vehicle distance signal
  • Cruise preset vehicle speed signal
CAN
ECM Brake Actuator Assembly (Skid Control ECU)
  • Cruise control operation signal
  • Accelerator pedal idle position signal
  • Cruise control operation request signal
  • Braking request signal
  • Target acceleration from cruise control system signal
CAN
ECM Combination Meter Assembly
  • Low speed cancel buzzer request signal
  • Low speed zone leading vehicle lost buzzer signal
  • Control vehicle speed unit signal
  • Cruise control display ID signal
  • Cruise control vehicle speed signal
CAN
ECM Forward Recognition Camera Cruise control operation signal CAN
Driving Support ECU Assembly ECM
  • Cruise control target acceleration signal
  • Cruise control mode signal
  • Target vehicle detection signal
  • Vehicle-to-vehicle distance control switch status signal
  • Detection of dirt adhesion on millimeter wave radar sensor signal
  • Millimeter wave radar sensor malfunction signal
  • Approach warning signal
  • Bad environment detection signal
  • Cruise control target acceleration raw data signal
  • Force request for driving support ECU assembly signal
  • Control status of driving support ECU assembly signal
CAN
Driving Support ECU Assembly Combination Meter Assembly Millimeter wave radar sensor beam axis deviation signal CAN
Brake Actuator Assembly (Skid Control ECU) Driving Support ECU Assembly
  • Stop light switch status signal
  • Yaw rate sensor zero point signal
  • Yaw rate sensor zero point malfunction signal
  • Under brake control signal
CAN
Brake Actuator Assembly (Skid Control ECU) ECM
  • Wheel speed signal
  • Under TRC control signal
  • Under VSC control signal
  • Cruise control cancellation request signal
  • Stop light switch control relay malfunction signal
  • Temporary inhibition of brake control signal
  • Under brake control signal
  • Presumed road slope signal
  • Estimated acceleration signal
CAN
Steering Sensor Driving Support ECU Assembly
  • Steering sensor malfunction signal
  • Steering angle signal
  • Steering sensor zero point signal
CAN
Main Body ECU (Multiplex Network Body ECU) Driving Support ECU Assembly Destination information signal CAN
Airbag Sensor Assembly (Yaw Rate And Acceleration Sensor) Driving Support ECU Assembly
  • Yaw rate sensor signal
  • Yaw rate sensor malfunction signal
  • Yaw rate sensor voltage signal
CAN