LEMON Manuals: Even more car manuals for everyone: 1960-2025
Home >> Toyota >> 2014 >> Corolla S, Standard Trans >> Repair and Diagnosis >> Restraints >> Air Bag, SRS >> Occupant Classification System - Diagnostics - Introduction (Model Code: ZRE172) >> Occupant Classification System >> System Diagram [08/2013 - 08/2016] >> System Diagram [08/2013 - 08/2016]
April 5, 2026: LEMON Manuals is launched! Read the announcement.

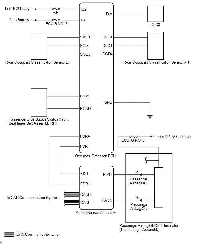
System Diagram [08/2013 - 08/2016]

Fig 1: Occupant Classification System Circuit Diagram
GTY436334Courtesy of © TOYOTA, LICENSE AGREEMENT TMS1002