LEMON Manuals: Even more car manuals for everyone: 1960-2025
Home >> Toyota >> 2014 >> Highlander LE Plus, AWD >> Repair and Diagnosis (Single Page) >> Body & Frame >> Door Locks >> Smart Key System (Entry Function) - Diagnostics - Introduction - (Except Hybrid) >> SMART KEY SYSTEM (for Entry Function) >> System Diagram [11/2016 - ] >> System Diagram [11/2016 - ]
April 5, 2026: LEMON Manuals is launched! Read the announcement.

System Diagram [11/2016 - ]

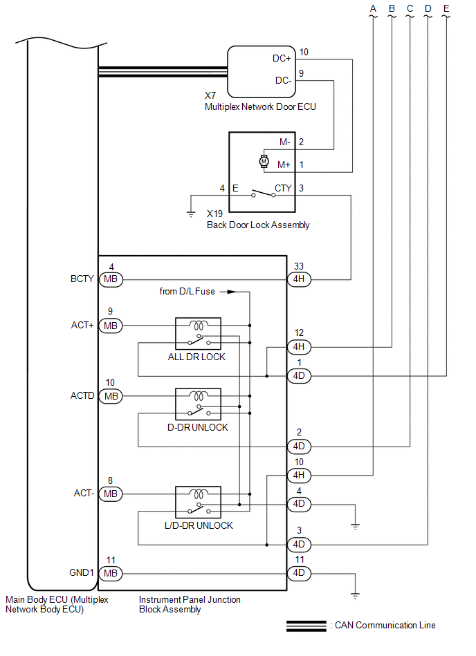
Fig 1: Smart Key System (for Entry Function) Wiring Diagram (1 Of 5) (11/2016 -)
GTY688046Courtesy of © TOYOTA, LICENSE AGREEMENT TMS1002
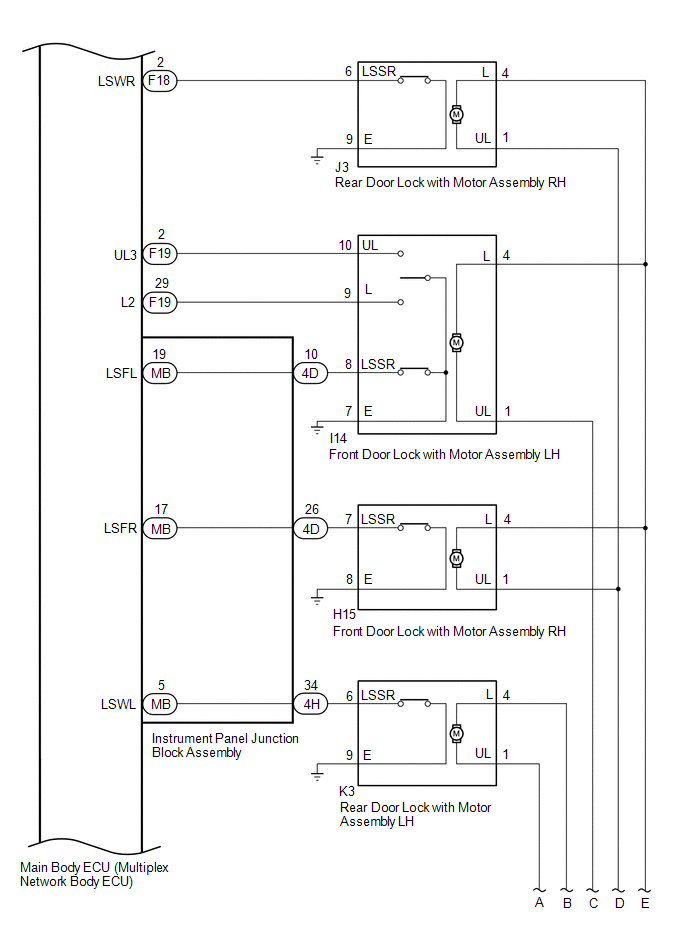
Fig 2: Smart Key System (for Entry Function) Wiring Diagram (2 Of 5) (11/2016 -)
GTY727468Courtesy of © TOYOTA, LICENSE AGREEMENT TMS1002
Fig 3: Smart Key System (for Entry Function) Wiring Diagram (3 Of 5) (11/2016 -)
GTY442390Courtesy of © TOYOTA, LICENSE AGREEMENT TMS1002
Fig 4: Smart Key System (for Entry Function) Wiring Diagram (4 Of 5) (11/2016 -)
GTY447858Courtesy of © TOYOTA, LICENSE AGREEMENT TMS1002
Fig 5: Smart Key System (for Entry Function) Wiring Diagram (5 Of 5) (11/2016 -)
GTY767857Courtesy of © TOYOTA, LICENSE AGREEMENT TMS1002
Component Function
Front door outside handle assembly Receives request signals from the certification ECU (smart key ECU assembly) via the built-in electrical key antenna (front door) and forms the vehicle exterior detection area.
Uses the built-in touch sensor (lock sensor/unlock sensor) to detect the operation of the front door outside handle assembly and sends signals to the certification ECU (smart key ECU assembly).
No. 1 indoor electrical key antenna assembly (front floor) Receives the request code from the certification ECU (smart key ECU assembly) and forms the vehicle interior detection area.
No. 2 indoor electrical key antenna assembly (rear floor)
No. 3 indoor electrical key antenna assembly (inside luggage compartment)
Electrical key antenna (outside luggage compartment) Receives the request code from the certification ECU (smart key ECU assembly) and forms the back door exterior detection area.
Back door opener switch assembly Sends switch operation signals to the certification ECU (smart key ECU assembly).
Glass hatch opener switch assembly
Door control receiver Receives the smart key system code/wireless code sent from the electrical key transmitter sub-assembly and sends it to the certification ECU (smart key ECU assembly).
Wireless door lock buzzer Sounds when warning functions operate in accordance with certification ECU (smart key ECU assembly) control.
Electrical key transmitter sub-assembly Sends the ID code upon receiving a request signal.
Certification ECU (smart key ECU assembly) Sends request codes to each electrical key antenna.
Distinguishes and verifies the ID code from the electrical key transmitter sub-assembly and sends signals to each ECU in response to operated functions (controls entire system).