LEMON Manuals: Even more car manuals for everyone: 1960-2025
Home >> Toyota >> 2014 >> Highlander LE Plus, AWD >> Repair and Diagnosis (Single Page) >> Transmission >> Transfer Case >> Dynamic Torque Control AWD System - Diagnostics - Introduction (Except Hybrid) >> Dynamic Torque Control AWD System >> System Diagram [11/2016 - ] >> System Diagram [11/2016 - ]
April 5, 2026: LEMON Manuals is launched! Read the announcement.

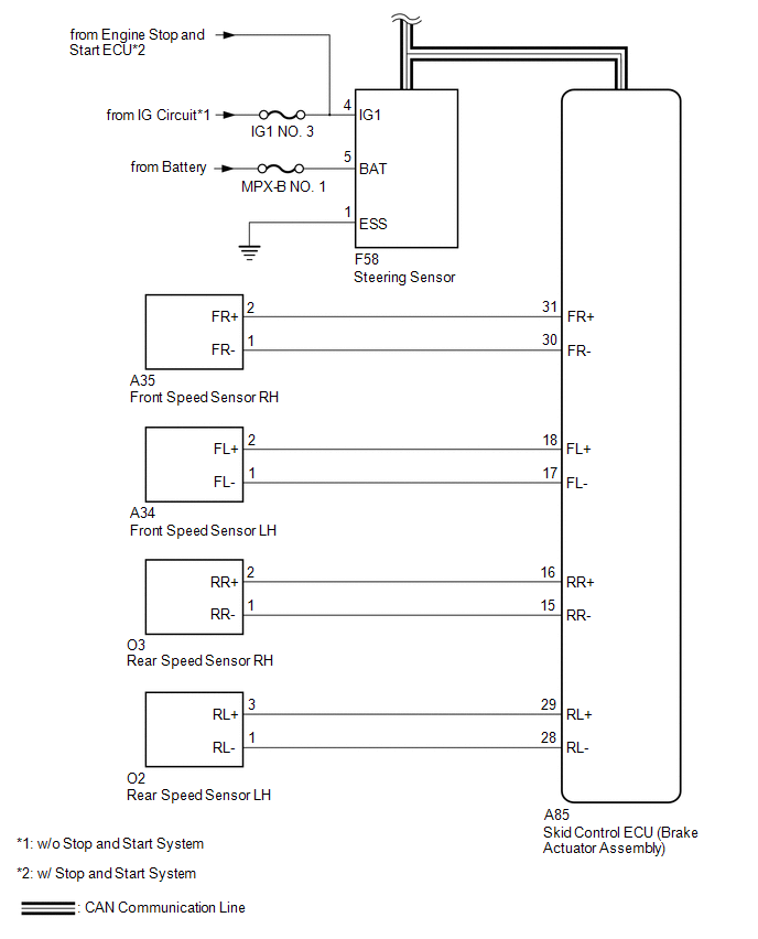
System Diagram [11/2016 - ]

Fig 1: Dynamic Torque Control AWD System Wiring Diagram (1 Of 2)
GTY725679Courtesy of © TOYOTA, LICENSE AGREEMENT TMS1002
Fig 2: Dynamic Torque Control AWD System Wiring Diagram (2 Of 2)
GTY732888Courtesy of © TOYOTA, LICENSE AGREEMENT TMS1002
COMMUNICATION TABLE

Transmitting ECU Receiving ECU Signal Communication Method
Skid control ECU (Brake actuator assembly) 4WD ECU assembly
  • Wheel speed sensor signal
  • Stop light switch signal
CAN communication system
ECM 4WD ECU assembly
  • Shift position sensor signal
  • Throttle position sensor signal
  • Crankshaft position sensor signal
CAN communication system
Main body ECU (Multiplex network body ECU) 4WD ECU assembly
  • Parking brake switch signal
  • Ambient temperature signal
CAN communication system
4WD ECU assembly Combination meter assembly
  • AWD warning signal
  • AWD lock mode indicator light signal
CAN communication system
Steering sensor 4WD ECU assembly Steering angle sensor signal CAN communication system
Acceleration sensor (Airbag sensor assembly) 4WD ECU assembly Acceleration sensor signal CAN communication system