LEMON Manuals: Even more car manuals for everyone: 1960-2025
Home >> Toyota >> 2014 >> Prius C Two >> Repair and Diagnosis (Single Page) >> Body & Frame >> Windows >> Power Window Control System (Diagnostic Codes & Symptom Tests) >> Power Window Control System >> Symptom Tests >> Remote Up / Down Function does not Operate [12/2013 - ] >> Wiring Diagram
April 5, 2026: LEMON Manuals is launched! Read the announcement.

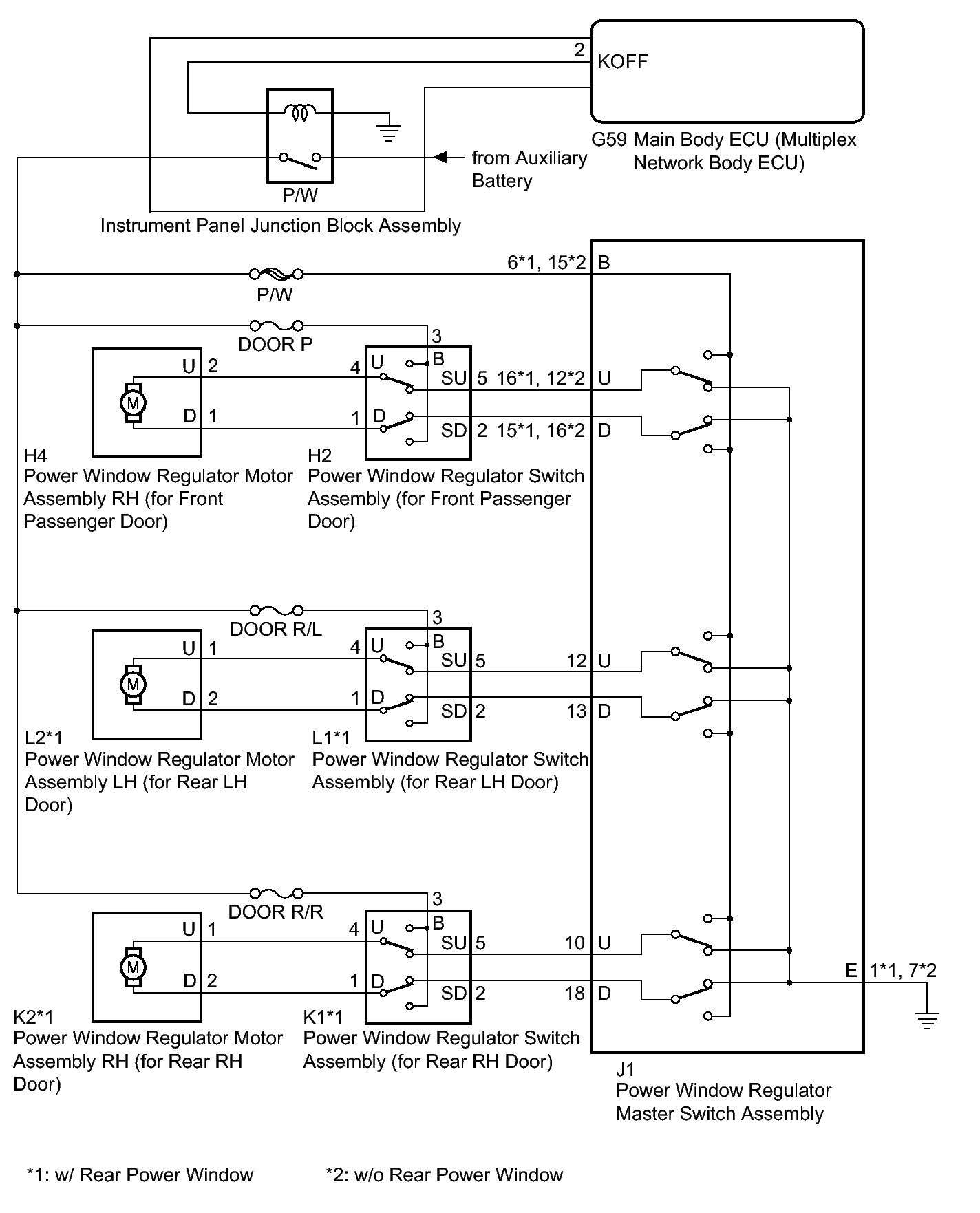
Remote Up / Down Function does not Operate [12/2013 - ]: Wiring Diagram

Fig 1: Identifying Remote Up / Down Function Wiring Diagram
GTY341438Courtesy of © TOYOTA, LICENSE AGREEMENT TMS1002