LEMON Manuals: Even more car manuals for everyone: 1960-2025
Home >> Toyota >> 2014 >> Prius Five >> Repair and Diagnosis (Single Page) >> External Pages >> Different variant/trim >> Section 92 (Cruise Control System (Diagnostics - Introduction) (Plug-In)) >> Cruise Control System >> System Diagram [10/2013 - ] >> System Diagram [10/2013 - ]
April 5, 2026: LEMON Manuals is launched! Read the announcement.

System Diagram [10/2013 - ]

WARNING: This page is about a different variant/trim than selected.
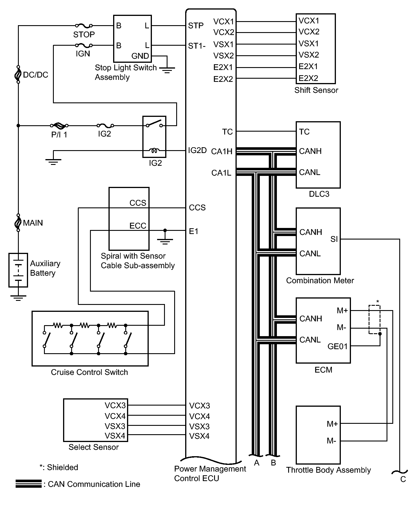
Fig 1: Cruise Control System Circuit Diagram (1 Of 2)
GTY331146Courtesy of © TOYOTA, LICENSE AGREEMENT TMS1002
Fig 2: Cruise Control System Circuit Diagram (2 Of 2)
GTY339059Courtesy of © TOYOTA, LICENSE AGREEMENT TMS1002