LEMON Manuals: Even more car manuals for everyone: 1960-2025
Home >> Toyota >> 2014 >> Prius Plug-in >> Repair and Diagnosis (Single Page) >> External Pages >> Different variant/trim >> Section 37 (Hybrid Control System (Diagnostics - Introduction) (Except Plug-In)) >> Hybrid Control System >> System Diagram [10/2013 - ] >> System Diagram [10/2013 - ]
April 5, 2026: LEMON Manuals is launched! Read the announcement.

System Diagram [10/2013 - ]

WARNING: This page is about a different variant/trim than selected.
Fig 1: Identifying Hybrid Control System Wiring Diagram (1 Of 4)
GTY332712Courtesy of © TOYOTA, LICENSE AGREEMENT TMS1002
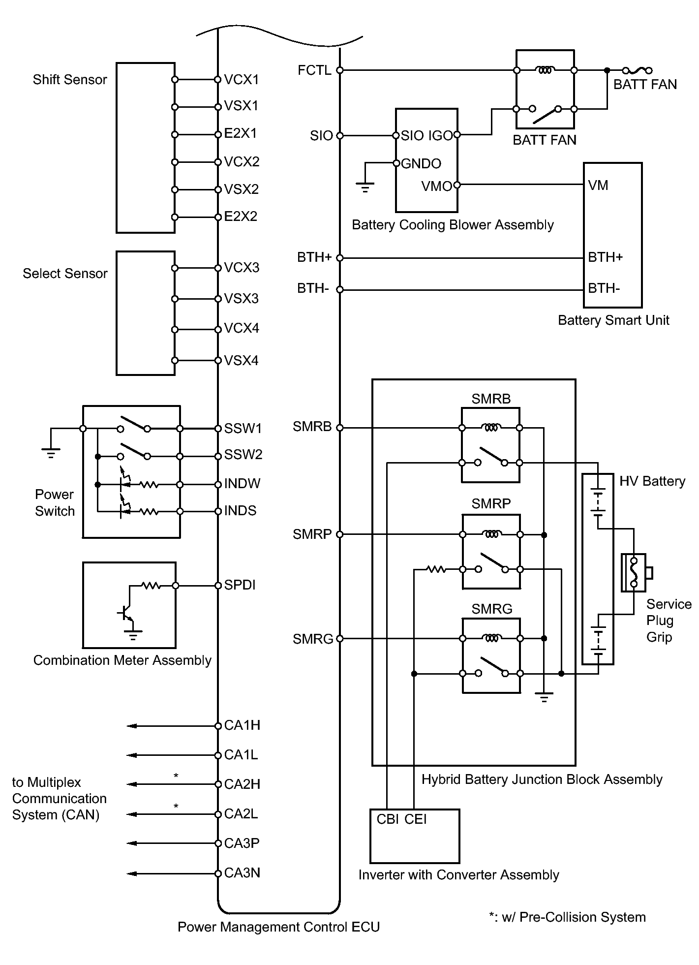
Fig 2: Identifying Hybrid Control System Wiring Diagram (2 Of 4)
GTY375360Courtesy of © TOYOTA, LICENSE AGREEMENT TMS1002
Fig 3: Identifying Hybrid Control System Wiring Diagram (3 Of 4)
GTY433464Courtesy of © TOYOTA, LICENSE AGREEMENT TMS1002
Fig 4: Identifying Hybrid Control System Wiring Diagram (4 Of 4)
GTY291704Courtesy of © TOYOTA, LICENSE AGREEMENT TMS1002