LEMON Manuals: Even more car manuals for everyone: 1960-2025
Home >> Toyota >> 2014 >> Prius Plug-in >> Repair and Diagnosis (Single Page) >> Transmission >> Automatic Trans >> Electronic Shift Lever System (Diagnostics - Introduction) (Plug-In) >> Electronic Shift Lever System >> System Diagram [10/2013 - ] >> System Diagram [10/2013 - ]
April 5, 2026: LEMON Manuals is launched! Read the announcement.

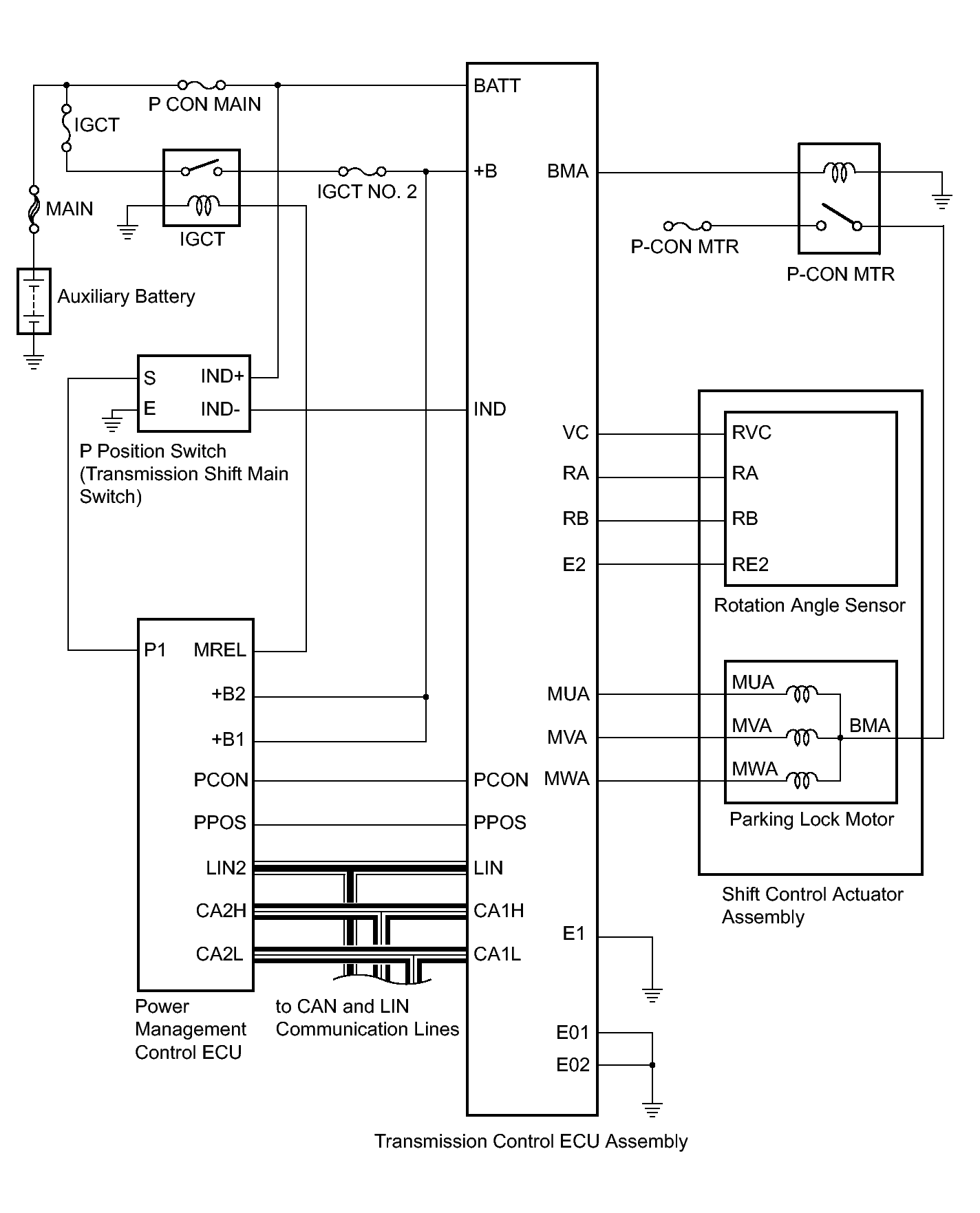
System Diagram [10/2013 - ]

Fig 1: Identifying Electronic Shift Lever System Diagram
GTY371555Courtesy of © TOYOTA, LICENSE AGREEMENT TMS1002