LEMON Manuals: Even more car manuals for everyone: 1960-2025
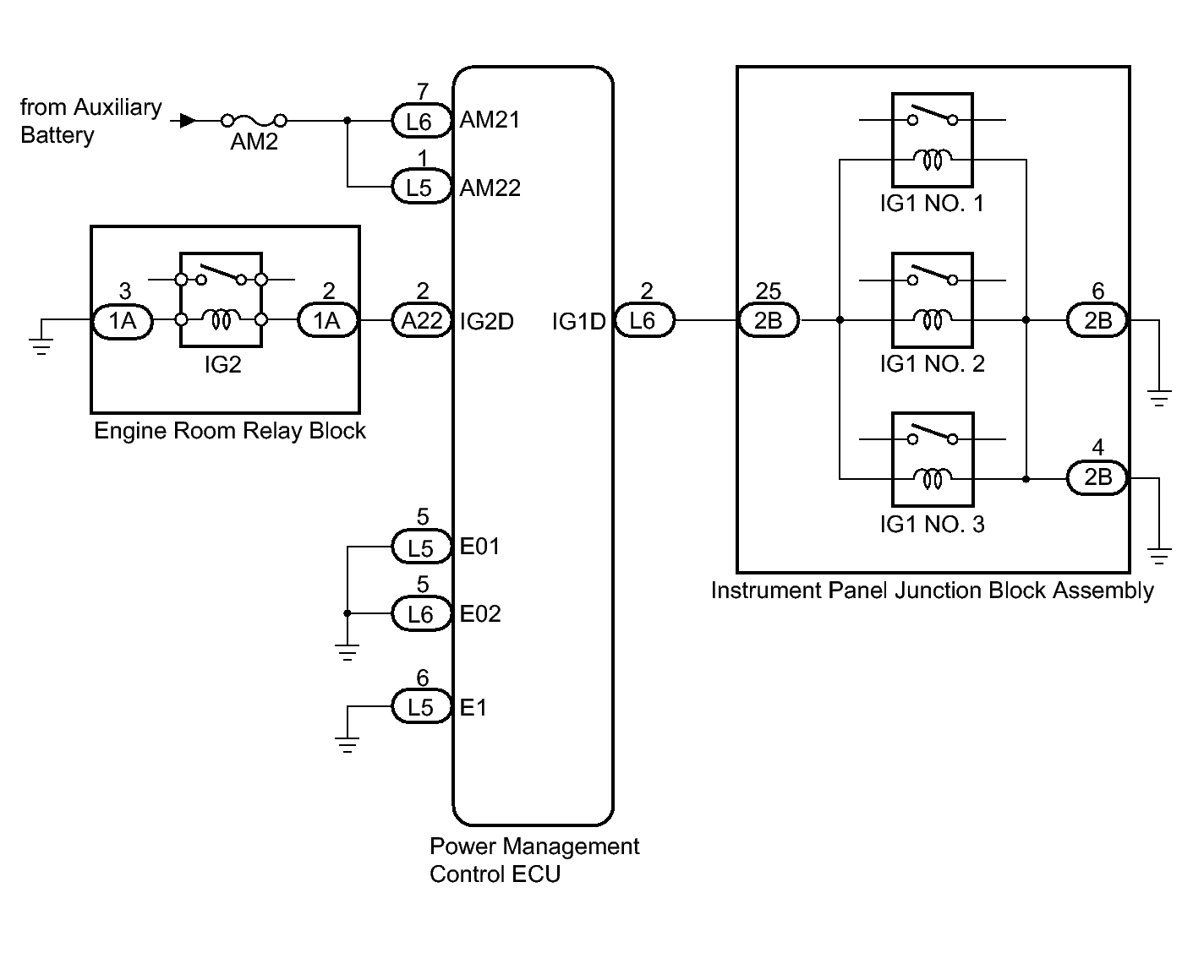
Home >> Toyota >> 2014 >> Prius Plug-in >> Repair and Diagnosis >> External Pages >> Different variant/trim >> Section 120 (Smart Key System (For Start Function) (Diagnostic Codes & Symptom Tests) (Except Plug-In)) >> SMART KEY SYSTEM (for Start Function) >> DTC B2271: Ignition Hold Monitor Malfunction [10/2013 - ] >> Wiring Diagram
April 5, 2026: LEMON Manuals is launched! Read the announcement.

DTC B2271: Ignition Hold Monitor Malfunction [10/2013 - ]: Wiring Diagram

WARNING: This page is about a different variant/trim than selected.
Fig 1: Ignition Hold Monitor Wiring Diagram
GTY364782Courtesy of © TOYOTA, LICENSE AGREEMENT TMS1002