LEMON Manuals: Even more car manuals for everyone: 1960-2025
Home >> Toyota >> 2014 >> Prius Three >> Repair and Diagnosis >> External Pages >> Different variant/trim >> Section 16 (Vehicle Proximity Notification System (Diagnostics - Introduction) (Plug-In)) >> Vehicle Proximity Notification System >> System Diagram [10/2013 - ] >> System Diagram [10/2013 - ]
April 5, 2026: LEMON Manuals is launched! Read the announcement.

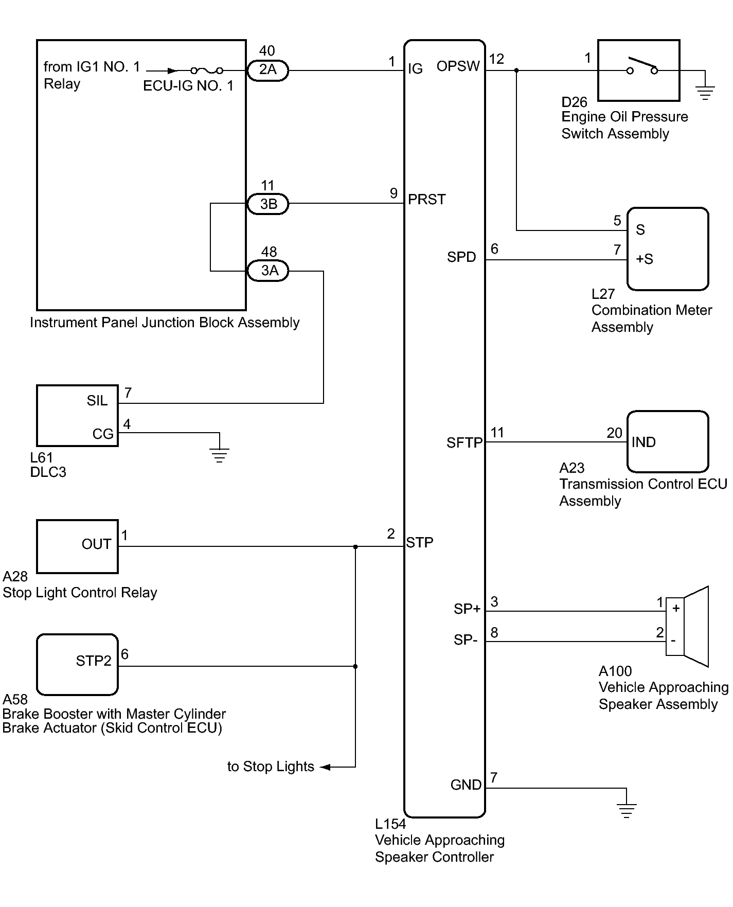
System Diagram [10/2013 - ]

WARNING: This page is about a different variant/trim than selected.
Fig 1: Vehicle Proximity Notification System Diagram
GTY434310Courtesy of © TOYOTA, LICENSE AGREEMENT TMS1002