LEMON Manuals: Even more car manuals for everyone: 1960-2025
Home >> Toyota >> 2014 >> Prius Two >> Repair and Diagnosis (Single Page) >> Body & Frame >> Door Locks >> Smart Key System (For Start Function) (Diagnostic Codes & Symptom Tests) (Except Plug-In) >> SMART KEY SYSTEM (for Start Function) >> Symptom Tests >> Power Source Mode does not Change to ON (READY) [10/2013 - ] >> Wiring Diagram
April 5, 2026: LEMON Manuals is launched! Read the announcement.

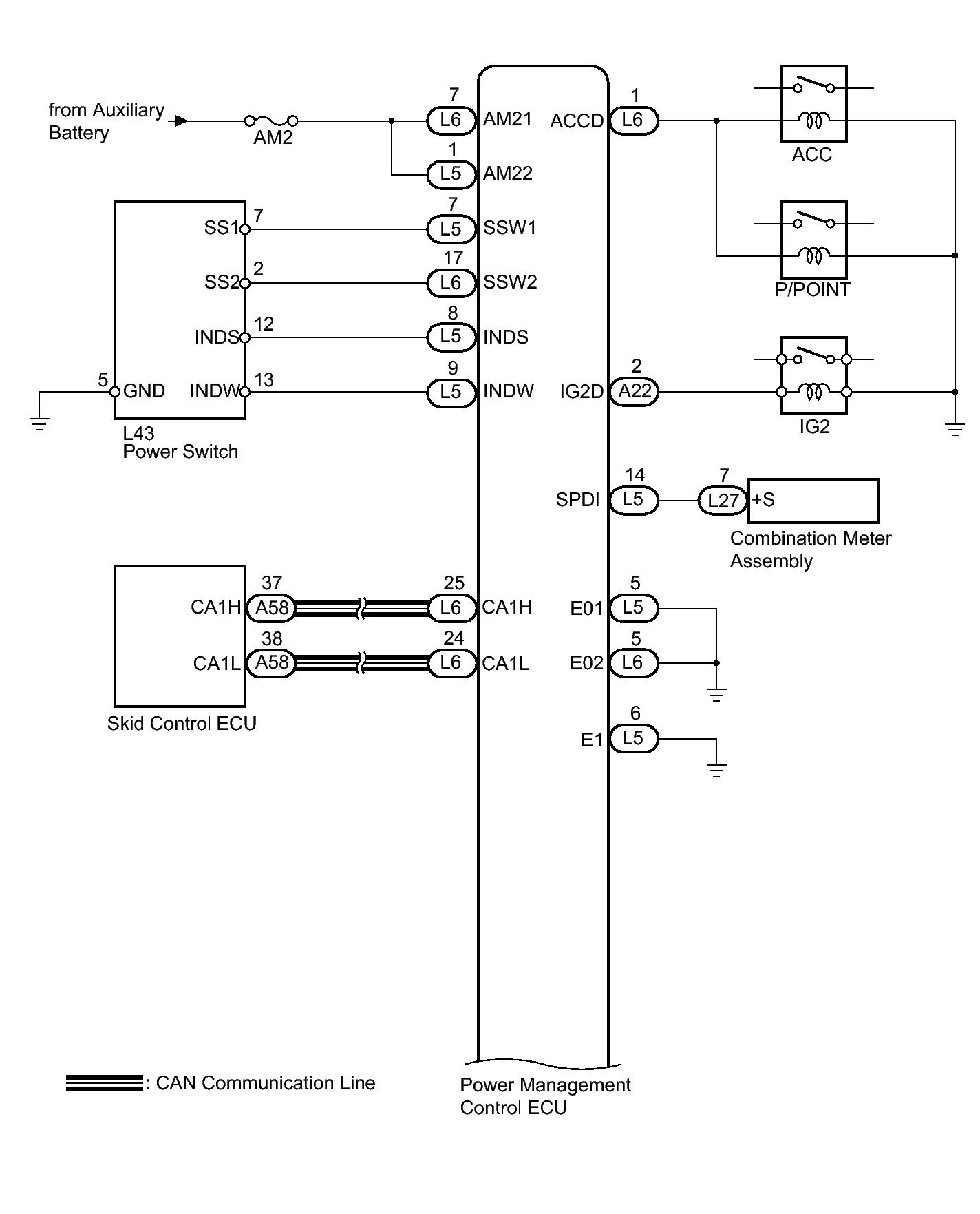
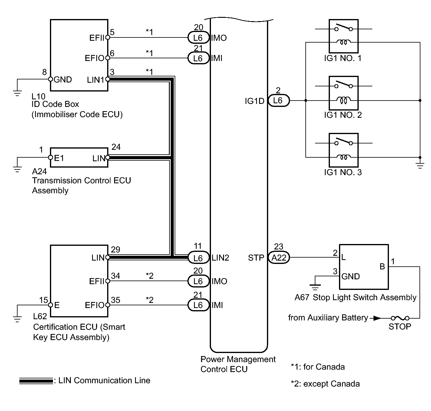
Power Source Mode does not Change to ON (READY) [10/2013 - ]: Wiring Diagram

Fig 1: Power Source Mode Wiring Diagram (1 Of 2)
GTY374927Courtesy of © TOYOTA, LICENSE AGREEMENT TMS1002
Fig 2: Power Source Mode Wiring Diagram (2 Of 2)
GTY370313Courtesy of © TOYOTA, LICENSE AGREEMENT TMS1002