LEMON Manuals: Even more car manuals for everyone: 1960-2025
Home >> Toyota >> 2014 >> Prius Two >> Repair and Diagnosis (Single Page) >> Engine Performance >> System >> Engine Control System (Diagnostic Codes (P0300 - P0657)) (Except Plug-In) >> SFI System >> DTC P0403: Exhaust Gas Recirculation Control Circuit [10/2013 - ] >> Wiring Diagram
April 5, 2026: LEMON Manuals is launched! Read the announcement.

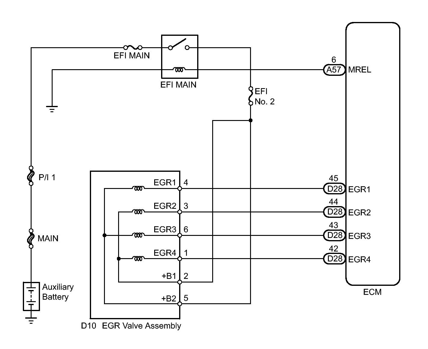
DTC P0403: Exhaust Gas Recirculation Control Circuit [10/2013 - ]: Wiring Diagram

Fig 1: Exhaust Gas Recirculation Control Circuit Wiring Diagram
GTY324883Courtesy of © TOYOTA, LICENSE AGREEMENT TMS1002