LEMON Manuals: Even more car manuals for everyone: 1960-2025
Home >> Toyota >> 2014 >> Prius Two >> Repair and Diagnosis (Single Page) >> Hybrid/Electric Powertrain >> Testing and Diagnosis >> Hybrid Control System (Diagnostic Codes & Circuit Tests) (Except Plug-In) >> Hybrid Control System >> DTC P3108-536: Lost Communication with A/C System Control Module [10/2013 - ] >> Wiring Diagram
April 5, 2026: LEMON Manuals is launched! Read the announcement.

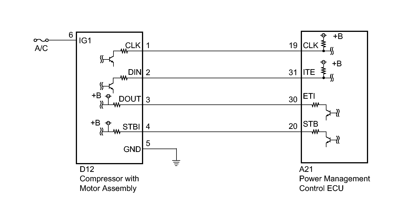
DTC P3108-536: Lost Communication with A/C System Control Module [10/2013 - ]: Wiring Diagram

Fig 1: A/C Amplifier Communication - Wiring Diagram
GTY221079Courtesy of © TOYOTA, LICENSE AGREEMENT TMS1002