LEMON Manuals: Even more car manuals for everyone: 1960-2025
Home >> Toyota >> 2014 >> Prius Two >> Repair and Diagnosis >> External Pages >> Different variant/trim >> Section 11 (Lighting System (Interior) (Diagnostics & Circuit Tests) (Plug-In)) >> Lighting System >> System Diagram [10/2013 - ] >> System Diagram [10/2013 - ]
April 5, 2026: LEMON Manuals is launched! Read the announcement.

System Diagram [10/2013 - ]

WARNING: This page is about a different variant/trim than selected.
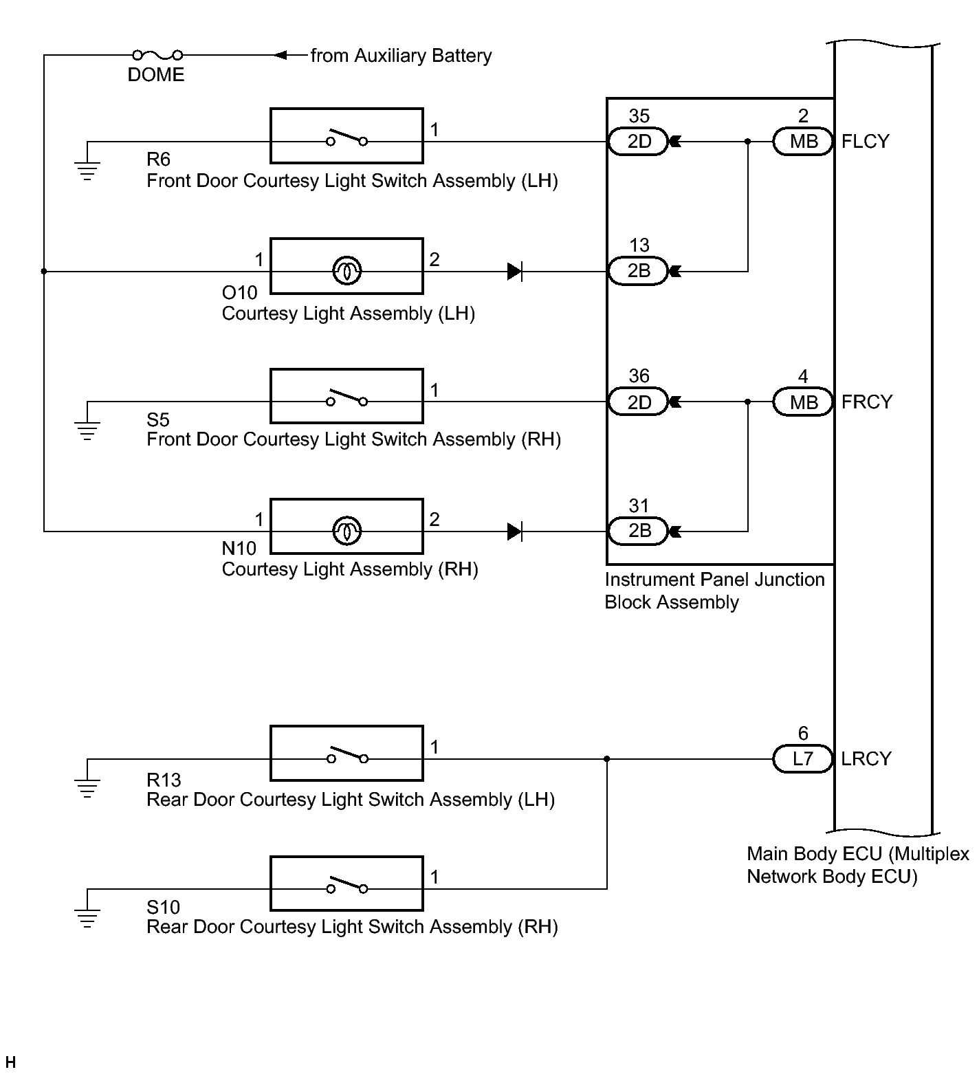
Fig 1: Identifying Interior Lighting System Circuit Diagram (1 Of 5)
GTY336051Courtesy of © TOYOTA, LICENSE AGREEMENT TMS1002
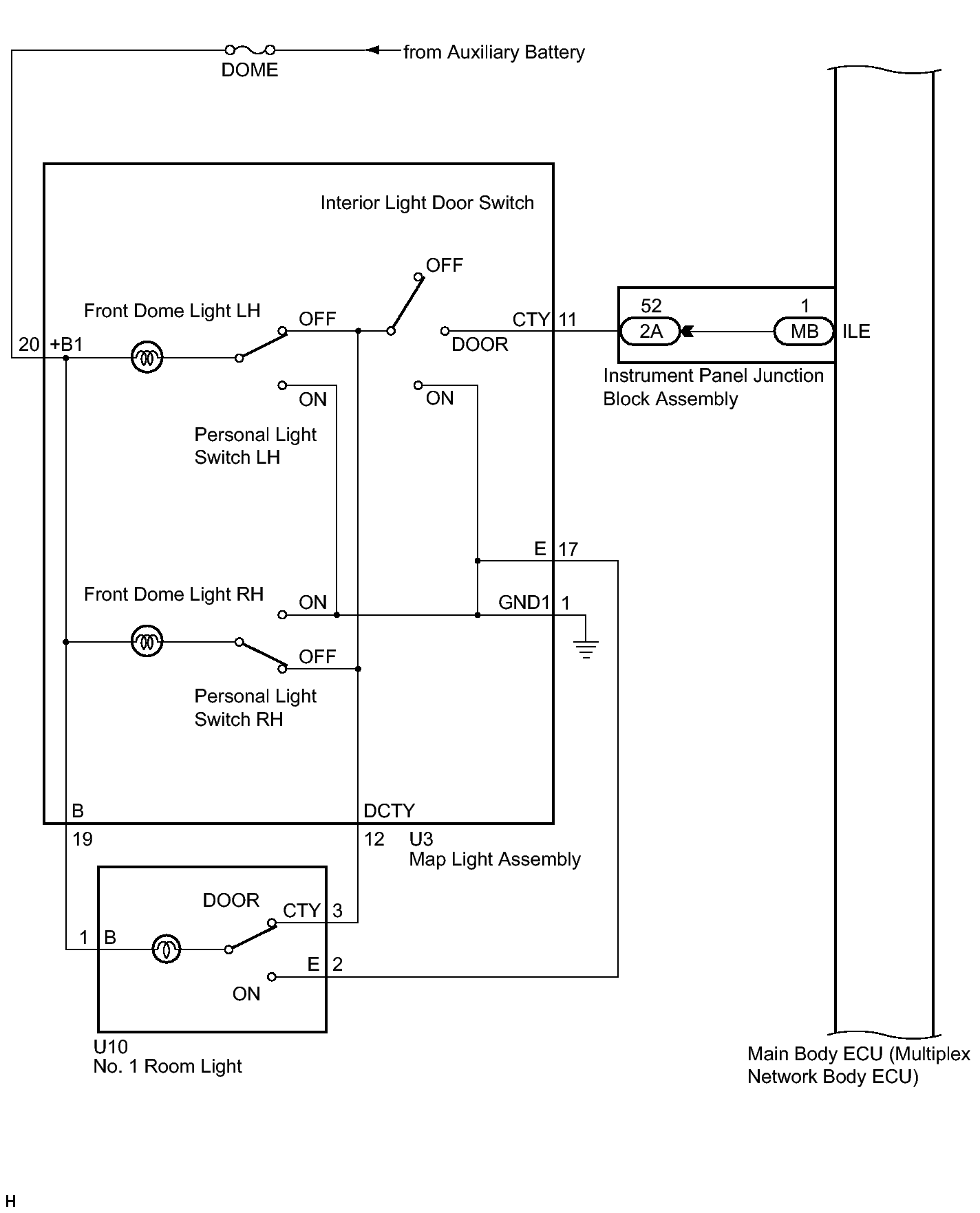
Fig 2: Identifying Interior Lighting System Circuit Diagram (2 Of 5)
GTY324646Courtesy of © TOYOTA, LICENSE AGREEMENT TMS1002
Fig 3: Identifying Interior Lighting System Circuit Diagram (3 Of 5)
GTY383164Courtesy of © TOYOTA, LICENSE AGREEMENT TMS1002
Fig 4: Identifying Interior Lighting System Circuit Diagram (4 Of 5)
GTY328726Courtesy of © TOYOTA, LICENSE AGREEMENT TMS1002
Fig 5: Identifying Interior Lighting System Circuit Diagram (5 Of 5)
GTY333245Courtesy of © TOYOTA, LICENSE AGREEMENT TMS1002
Fig 6: Identifying Power Switch Illumination Circuit Wiring Diagram
GTY326948Courtesy of © TOYOTA, LICENSE AGREEMENT TMS1002