LEMON Manuals: Even more car manuals for everyone: 1960-2025
Home >> Toyota >> 2014 >> RAV4 LE, AWD >> Repair and Diagnosis (Single Page) >> Accessories & Equipment >> Anti-Theft Systems >> Wireless Door Lock Control System (W/O Smart Key) - Diagnostics - Introduction - (Except Hybrid) >> WIRELESS DOOR LOCK CONTROL SYSTEM (W/O Smart Key System) >> System Diagram [12/2012 - 10/2015] >> System Diagram [12/2012 - 10/2015]
April 5, 2026: LEMON Manuals is launched! Read the announcement.

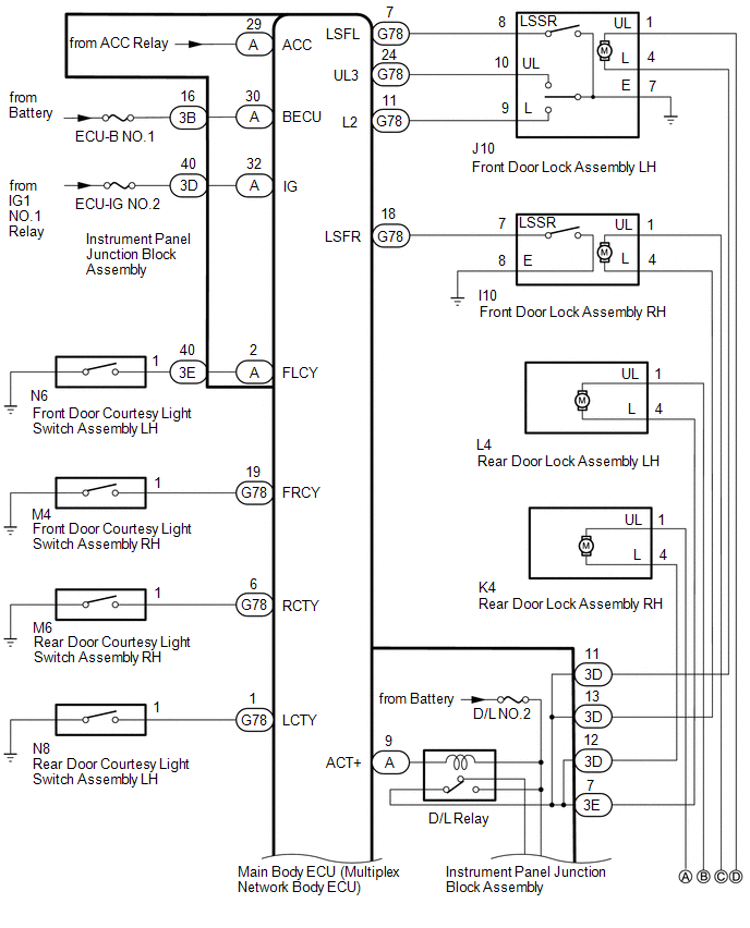
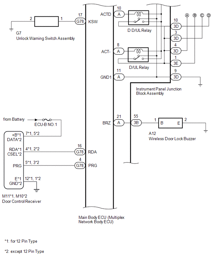
System Diagram [12/2012 - 10/2015]

  1. Wireless Door Lock Control System 
    Fig 1: Wireless Door Lock Control System Diagram (1 Of 4)
    GTY363876Courtesy of © TOYOTA, LICENSE AGREEMENT TMS1002
    Fig 2: Wireless Door Lock Control System Diagram (2 Of 4)
    GTY362998Courtesy of © TOYOTA, LICENSE AGREEMENT TMS1002
    Fig 3: Wireless Door Lock Control System Diagram (3 Of 4)
    GTY366985Courtesy of © TOYOTA, LICENSE AGREEMENT TMS1002
    Fig 4: Wireless Door Lock Control System Diagram (4 Of 4)
    GTY375791Courtesy of © TOYOTA, LICENSE AGREEMENT TMS1002