LEMON Manuals: Even more car manuals for everyone: 1960-2025
Home >> Toyota >> 2014 >> Venza Limited, FWD >> Repair and Diagnosis >> Engine Mechanical >> Starter >> Smart Key System (For Start Function) (Diagnostics - Introduction) >> SMART KEY SYSTEM (for Start Function) >> System Diagram [08/2013 - ] >> System Diagram [08/2013 - ]
April 5, 2026: LEMON Manuals is launched! Read the announcement.

System Diagram [08/2013 - ]

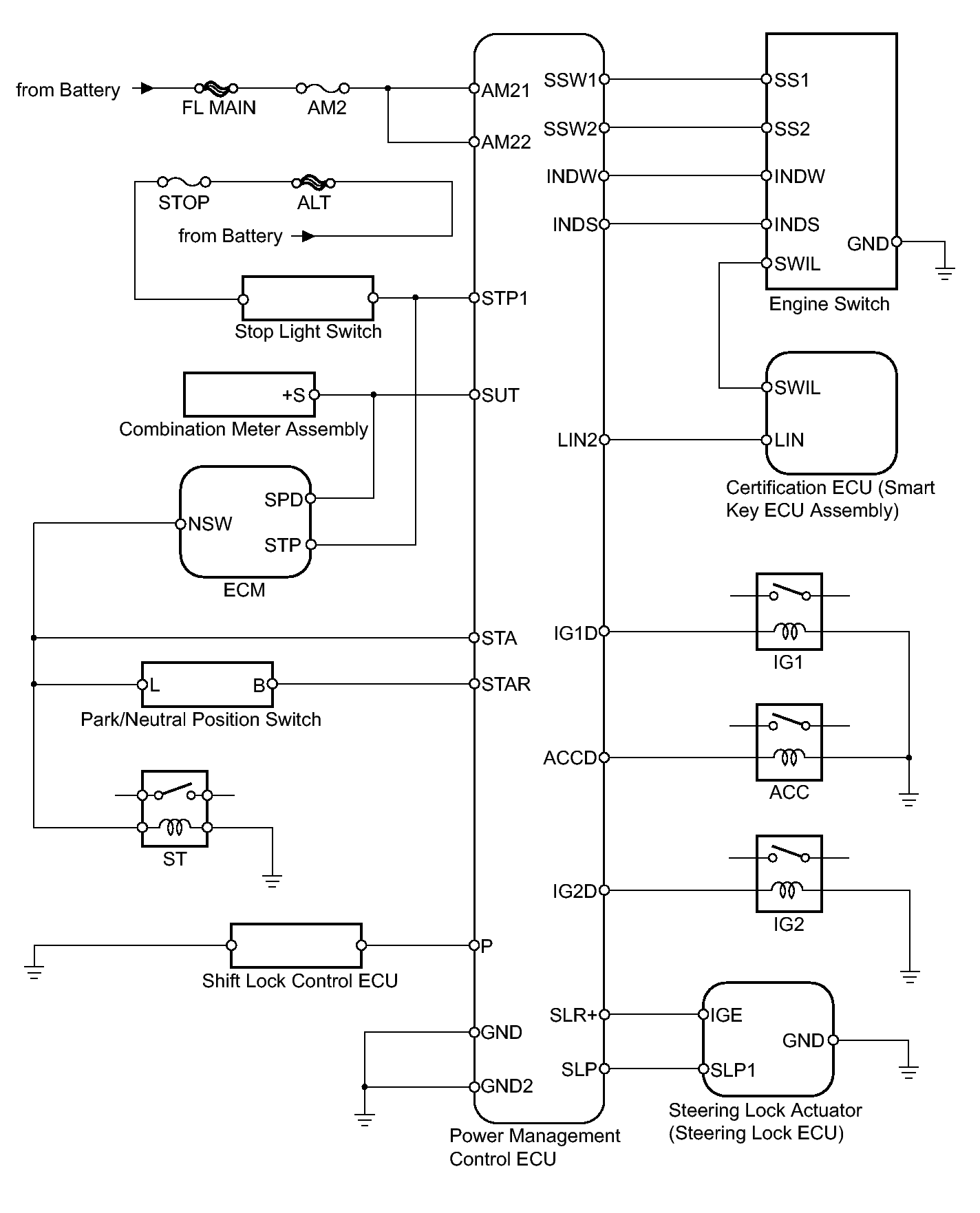
Fig 1: Smart Key System (For Start Function) Wiring Diagram (1 Of 2)
GTY249345Courtesy of © TOYOTA, LICENSE AGREEMENT TMS1002
Fig 2: Smart Key System (For Start Function) Wiring Diagram (2 Of 2)
GTY249903Courtesy of © TOYOTA, LICENSE AGREEMENT TMS1002
COMMUNICATION TABLE

Transmitting ECU
(Transmitter)
Receiving ECU
(Receiver)
Signal Communication Method
Combination meter Power management control ECU Vehicle speed signal CAN communication line/Local communication
ECM Power management control ECU Stop light switch signal CAN communication line/Local communication
ECM Power management control ECU Engine speed signal CAN/Local communication
ECM Power management control ECU Shift position P signal CAN/Local communication
Power management control ECU Combination meter Message request signal for push start CAN
Power management control ECU Certification ECU (smart key ECU assembly) Shift position P signal LIN
Power management control ECU Certification ECU (smart key ECU assembly) ID code certification result request signal LIN
Power management control ECU Certification ECU (smart key ECU assembly) Power supply ON operation condition signal LIN
Power management control ECU Certification ECU (smart key ECU assembly) Engine start operation condition signal LIN
Power management control ECU Certification ECU (smart key ECU assembly) ACC relay drive condition signal LIN
Steering lock actuator assembly (steering lock ECU) Certification ECU (smart key ECU assembly) Lock-side sensor condition signal LIN
Steering lock actuator assembly (steering lock ECU) Certification ECU (smart key ECU assembly) Unlock-side sensor condition signal LIN
Steering lock actuator assembly (steering lock ECU) Certification ECU (smart key ECU assembly) Sensor malfunction signal LIN
Steering lock actuator assembly (steering lock ECU) Certification ECU (smart key ECU assembly) Lock lever engagement malfunction signal LIN
Steering lock actuator assembly (steering lock ECU) Certification ECU (smart key ECU assembly) Abnormal push-signal LIN
Steering lock actuator assembly (steering lock ECU) Certification ECU (smart key ECU assembly) Engine start permission signal LIN
Steering lock actuator assembly (steering lock ECU) Certification ECU (smart key ECU assembly) L code certification condition signal LIN
Certification ECU (smart key ECU assembly) Steering lock actuator assembly (steering lock ECU) Steering unlock request signal LIN
Certification ECU (smart key ECU assembly) Steering lock actuator assembly (steering lock ECU) Steering lock request signal LIN
Steering lock actuator assembly (steering lock ECU) Power management control ECU Unlock position signal LIN
Power management control ECU Steering lock actuator assembly (steering lock ECU) Steering lock relay power supply condition signal LIN
Power management control ECU Steering lock actuator assembly (steering lock ECU) IG relay drive condition signal LIN