LEMON Manuals: Even more car manuals for everyone: 1960-2025
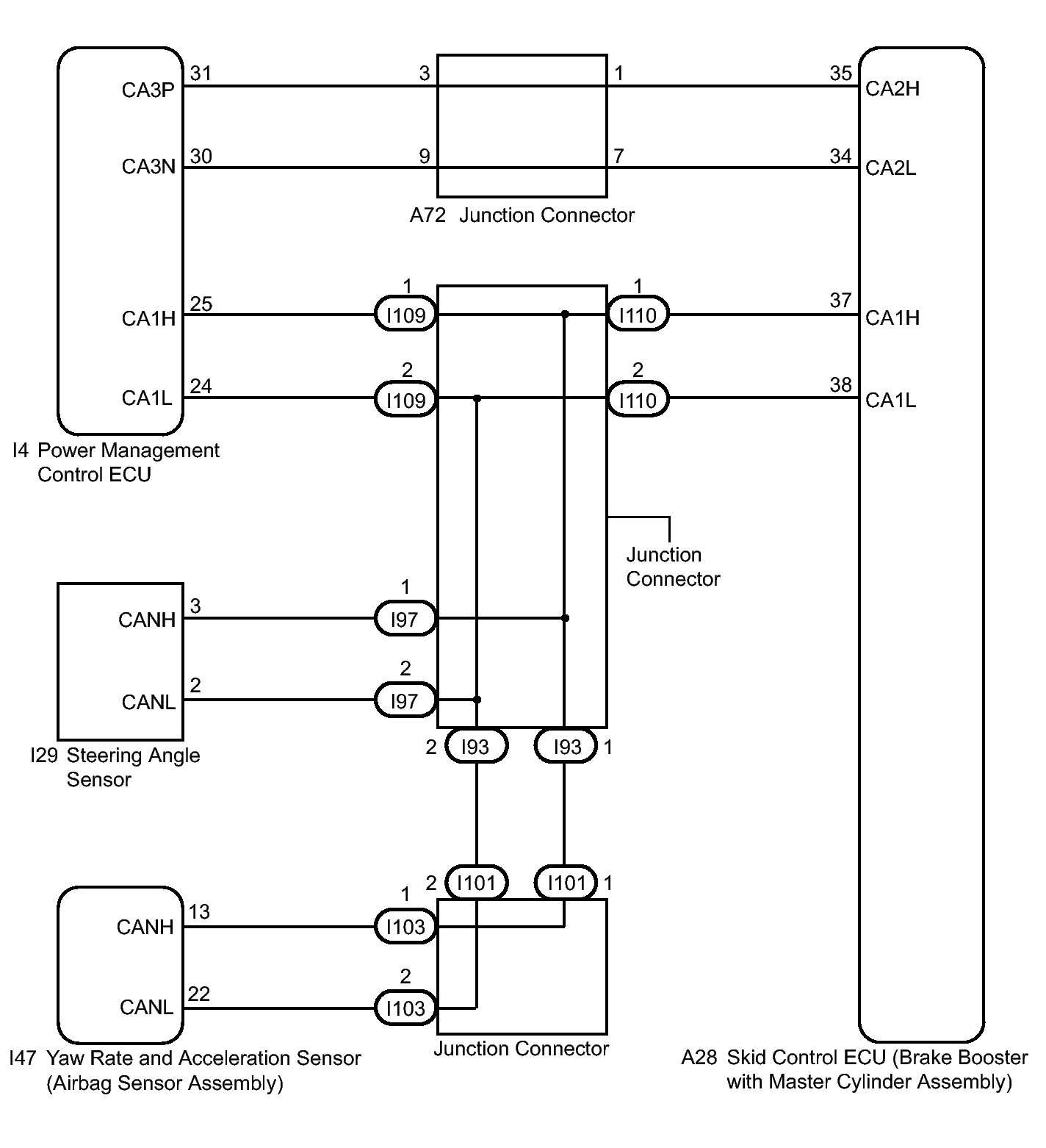
Home >> Toyota >> 2015 >> Camry LE >> Repair and Diagnosis (Single Page) >> Brakes >> Brakes Control Systems >> Electronically Controlled Brake System - (Diagnostic Codes & Symptom Tests) (Hybrid) >> Electronically Controlled Brake System >> DTC U0073/94: Control Module Communication Bus OFF; DTC U0123/62: Lost Communication with Yaw Rate Sensor Module; DTC U0124/95: Lost Communication with Lateral Acceleration Sensor Module; DTC U0126/63: Lost Communication with Steering Angle Sensor Module; DTC U0293/59: Communication Error from HV ECU [09/2014 - ] >> Wiring Diagram
April 5, 2026: LEMON Manuals is launched! Read the announcement.

DTC U0073/94: Control Module Communication Bus OFF; DTC U0123/62: Lost Communication with Yaw Rate Sensor Module; DTC U0124/95: Lost Communication with Lateral Acceleration Sensor Module; DTC U0126/63: Lost Communication with Steering Angle Sensor Module; DTC U0293/59: Communication Error from HV ECU [09/2014 - ]: Wiring Diagram

Fig 1: Electronically Controlled Brake System Communication Wiring Diagram
GTY376537Courtesy of © TOYOTA, LICENSE AGREEMENT TMS1002