LEMON Manuals: Even more car manuals for everyone: 1960-2025
Home >> Toyota >> 2015 >> Corolla LE >> Repair and Diagnosis (Single Page) >> Accessories & Equipment >> Anti-Theft Systems >> Immobilizer System (W/O Smart Key) - Diagnostics - Introduction (Model Code: ZRE172) >> IMMOBILIZER SYSTEM (W/O Smart Key System) >> System Diagram [08/2017 - ] >> System Diagram [08/2017 - ]
April 5, 2026: LEMON Manuals is launched! Read the announcement.

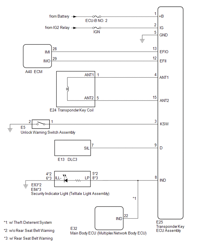
System Diagram [08/2017 - ]

Fig 1: Immobilizer System (W/O Smart Key System) Wiring Diagram
GTY748184Courtesy of © TOYOTA, LICENSE AGREEMENT TMS1002