LEMON Manuals: Even more car manuals for everyone: 1960-2025
Home >> Toyota >> 2015 >> Prius Four >> Repair and Diagnosis >> External Pages >> Different variant/trim >> Section 103 (Wiper / Washer System - (Diagnostics - Introduction) (Plug-In)) >> Wiper And Washer System >> System Diagram [08/2014 - ] >> System Diagram [08/2014 - ]
April 5, 2026: LEMON Manuals is launched! Read the announcement.

System Diagram [08/2014 - ]

WARNING: This page is about a different variant/trim than selected.
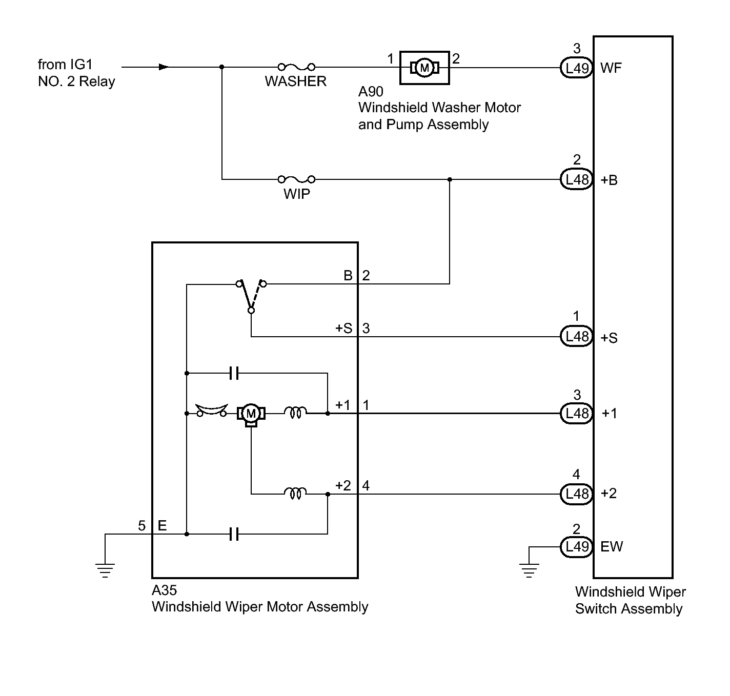
  1. FRONT WIPER AND WASHER SYSTEM 
    Fig 1: Identifying Front Wiper And Washer System Wiring Diagram
    GTY361247Courtesy of © TOYOTA, LICENSE AGREEMENT TMS1002
  2. REAR WIPER AND WASHER SYSTEM 
    Fig 2: Identifying Rear Wiper And Washer System Wiring Diagram
    GTY366186Courtesy of © TOYOTA, LICENSE AGREEMENT TMS1002
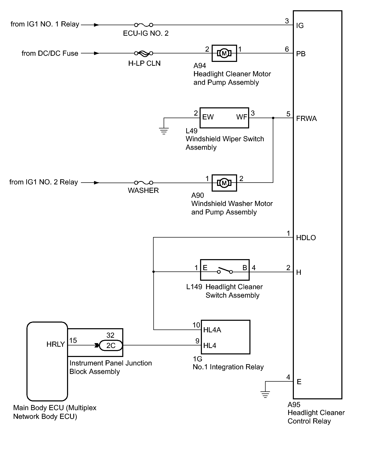
  3. HEADLIGHT CLEANER SYSTEM 
    Fig 3: Identifying Headlight Cleaner System Wiring Diagram
    GTY373070Courtesy of © TOYOTA, LICENSE AGREEMENT TMS1002