LEMON Manuals: Even more car manuals for everyone: 1960-2025
Home >> Toyota >> 2015 >> Prius Plug-in >> Repair and Diagnosis >> Engine Performance >> Engine Control Systems >> Plug-In Charge Control System - Diagnostic Codes & Circuit Tests (Plug-In) >> Plug-In Charge Control System >> Circuit Test >> ECU Power Source Circuit [08/2014 - ] >> Procedure
April 5, 2026: LEMON Manuals is launched! Read the announcement.

ECU Power Source Circuit [08/2014 - ]: Procedure

  1. CHECK PLUGIN CHARGE CONTROL ECU ASSEMBLY (IG2 TERMINAL VOLTAGE) 
    1. Turn the power switch on (IG).
    2. Measure the voltage according to the value(s) in the table below.
      GTY376544Courtesy of © TOYOTA, LICENSE AGREEMENT TMS1002

      Standard Voltage

      Tester Connection Switch Condition Specified Condition
      S31-10 (IG2) - Body ground Power switch on (IG) 11 to 14 V
      TEXT IN ILLUSTRATION

      *a Component with harness connected
      (Plugin Charge Control ECU Assembly)
    3. Turn the power switch off.

    NG → See step   3 

    OK: Go to next step 

  2. CHECK PLUGIN CHARGE CONTROL ECU ASSEMBLY (+B1 TERMINAL VOLTAGE) 
    1. Turn the power switch on (IG).
    2. Measure the voltage according to the value(s) in the table below.
      GTY376827Courtesy of © TOYOTA, LICENSE AGREEMENT TMS1002

      Standard Voltage

      Tester Connection Switch Condition Specified Condition
      S31-23 (+B1) - Body ground Power switch on (IG) 11 to 14 V
      TEXT IN ILLUSTRATION

      *a Component with harness connected
      (Plugin Charge Control ECU Assembly)
    3. Turn the power switch off.

    NG → See step   4 

    OK → See step   16 

  3. CHECK HARNESS AND CONNECTOR (PLUGIN CHARGE CONTROL ECU ASSEMBLY - IG2 RELAY) 
    1. Remove the No. 2 integration relay from the engine room relay block and junction block assembly.
    2. Disconnect connector S31 from the plugin charge control ECU assembly.
    3. Measure the resistance according to the value(s) in the table below.
      GTY373778Courtesy of © TOYOTA, LICENSE AGREEMENT TMS1002

      Standard Resistance

      Tester Connection Switch Condition Specified Condition
      1A-4 - S31-10 (IG2) Power switch off Below 1 Ω
      1A-4 or S31-10 (IG2) - Body ground and other terminals Power switch off 10 kΩ or higher
      TEXT IN ILLUSTRATION

      *a Front view of wire harness connector
      (to No. 2 Integration Relay)
      *b Rear view of wire harness connector
      (to Plugin Charge Control ECU Assembly)
    4. Install the No. 2 integration relay.
    5. Connect the plugin charge control ECU assembly connector.

    NG → REPAIR OR REPLACE HARNESS OR CONNECTOR 

    OK → See step   19 

  4. CHECK HARNESS AND CONNECTOR (PLUGIN CHARGE CONTROL ECU ASSEMBLY - BODY GROUND) 
    1. Disconnect connector S31 from the plugin charge control ECU assembly.
    2. Measure the resistance according to the value(s) in the table below.
      GTY384731Courtesy of © TOYOTA, LICENSE AGREEMENT TMS1002

      Standard Resistance

      Tester Connection Switch Condition Specified Condition
      S31-14 (E1) - Body ground Power switch off Below 1 Ω
      TEXT IN ILLUSTRATION

      *a Rear view of wire harness connector
      (to Plugin Charge Control ECU Assembly)
    3. Connect the plugin charge control ECU assembly connector.

    NG → REPAIR OR REPLACE HARNESS OR CONNECTOR 

    OK: Go to next step 

  5. CHECK PLUGIN CHARGE CONTROL ECU ASSEMBLY (MREL TERMINAL VOLTAGE) 
    1. Turn the power switch on (IG).
    2. Measure the voltage according to the value(s) in the table below.
      GTY341209Courtesy of © TOYOTA, LICENSE AGREEMENT TMS1002

      Standard Voltage

      Tester Connection Switch Condition Specified Condition
      S31-24 (MREL) - Body ground Power switch on (IG) 11 to 14 V
      TEXT IN ILLUSTRATION

      *a Component with harness connected
      (Plugin Charge Control ECU Assembly)
    3. Turn the power switch off.

    NG → See step   18 

    OK: Go to next step 

  6. CHECK FUSE (PIMR) 
    1. Remove the PIMR fuse from the engine room relay block and junction block assembly.
      GTY334185Courtesy of © TOYOTA, LICENSE AGREEMENT TMS1002
      TEXT IN ILLUSTRATION

      *1 Engine Room Relay Block and Junction Block Assembly
      *2 PIMR Fuse
    2. Measure the resistance according to the value(s) in the table below.

      Standard Resistance

      Tester Connection Switch Condition Specified Condition
      PIMR fuse terminals Always Below 1 Ω
    3. Install the PIMR fuse.

    NG → See step   12 

    OK: Go to next step 

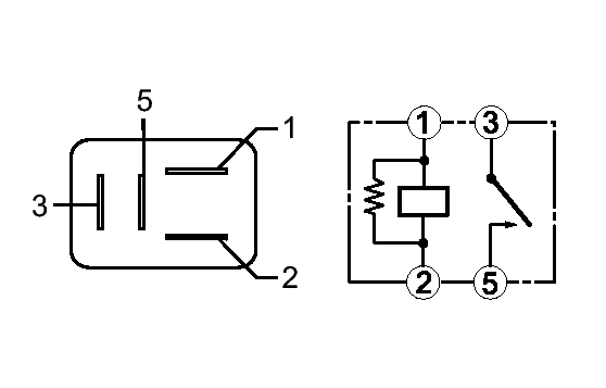
  7. INSPECT RELAY (PIMR) 
    1. Remove the PIMR relay from the relay block assembly.
    2. Measure the resistance according to the value(s) in the table below.
      GTY336632Courtesy of © TOYOTA, LICENSE AGREEMENT TMS1002

      Standard Resistance

      Tester Connection Switch Condition Specified Condition
      3 - 5 No auxiliary battery voltage is applied across terminals 1 and 2 10 kΩ or higher
      Auxiliary battery voltage is applied across terminals 1 and 2 Below 1 Ω
    3. Install the PIMR relay.

    NG → REPLACE RELAY (PIMR) 

    OK: Go to next step 

  8. CHECK HARNESS AND CONNECTOR (PIMR RELAY - PIMR FUSE) 
    1. Remove the PIMR fuse from the engine room relay block and junction block assembly.
      GTY334185Courtesy of © TOYOTA, LICENSE AGREEMENT TMS1002
      TEXT IN ILLUSTRATION

      *1 Engine Room Relay Block and Junction Block Assembly
      *2 PIMR Fuse
    2. Remove the PIMR relay from the relay block assembly.
    3. Measure the resistance according to the value(s) in the table below.
      GTY324530Courtesy of © TOYOTA, LICENSE AGREEMENT TMS1002
      TEXT IN ILLUSTRATION

      *1 Relay Block Assembly (PIMR Relay) *2 Engine Room Relay Block and Junction Block Assembly
      *3 PIMR Fuse - -

      Standard Resistance

      Tester Connection Switch Condition Specified Condition
      3 (B) - 2 (PIMR fuse) Power switch off Below 1 Ω
    4. Install the PIMR relay.
    5. Install the PIMR fuse.

    NG → REPAIR OR REPLACE HARNESS OR CONNECTOR 

    OK: Go to next step 

  9. CHECK HARNESS AND CONNECTOR (PIMR RELAY - PLUGIN CHARGE CONTROL ECU ASSEMBLY) 
    1. Remove the PIMR relay from the relay block assembly.
    2. Disconnect connector S31 from the plugin charge control ECU assembly.
    3. Measure the resistance according to the value(s) in the table below.
      GTY339324Courtesy of © TOYOTA, LICENSE AGREEMENT TMS1002
      TEXT IN ILLUSTRATION

      *1 Relay Block Assembly (PIMR Relay) - -
      *a Rear view of wire harness connector
      (to Plugin Charge Control ECU Assembly)
      - -

      Standard Resistance

      Tester Connection Switch Condition Specified Condition
      5 (L) - S31-23 (+B1) Power switch off Below 1 Ω
    4. Connect the plugin charge control ECU assembly connector.
    5. Install the PIMR relay.

    NG → REPAIR OR REPLACE HARNESS OR CONNECTOR 

    OK: Go to next step 

  10. CHECK HARNESS AND CONNECTOR (PIMR RELAY - PLUGIN CHARGE CONTROL ECU ASSEMBLY) 
    1. Remove the PIMR relay from the relay block assembly.
    2. Disconnect connector S31 from the plugin charge control ECU assembly.
    3. Measure the resistance according to the value(s) in the table below.
      GTY339323Courtesy of © TOYOTA, LICENSE AGREEMENT TMS1002
      TEXT IN ILLUSTRATION

      *1 Relay Block Assembly (PIMR Relay) - -
      *a Rear view of wire harness connector
      (to Plugin Charge Control ECU Assembly)
      - -

      Standard Resistance

      Tester Connection Switch Condition Specified Condition
      2 (+S) - S31-24 (MREL) Power switch off Below 1 Ω
      2 (+S) or S31-24 (MREL) - Body ground and other terminals Power switch off 10 kΩ or higher
    4. Connect the plugin charge control ECU assembly connector.
    5. Install the PIMR relay.

    NG → REPAIR OR REPLACE HARNESS OR CONNECTOR 

    OK: Go to next step 

  11. CHECK HARNESS AND CONNECTOR (PIMR RELAY - BODY GROUND) 
    1. Remove the PIMR relay from the relay block assembly.
    2. Measure the resistance according to the value(s) in the table below.
      GTY343387Courtesy of © TOYOTA, LICENSE AGREEMENT TMS1002

      Standard Resistance

      Tester Connection Switch Condition Specified Condition
      1 (-S) - Body ground Power switch off Below 1 Ω
      TEXT IN ILLUSTRATION

      *1 Relay Block Assembly (PIMR Relay)
    3. Install the PIMR relay.

    NG → REPAIR OR REPLACE HARNESS OR CONNECTOR 

    OK → See step   17 

  12. CHECK HARNESS AND CONNECTOR (PIMR RELAY - PIMR FUSE) 
    1. Remove the PIMR fuse from the engine room relay block and junction block assembly.
      GTY334185Courtesy of © TOYOTA, LICENSE AGREEMENT TMS1002
      TEXT IN ILLUSTRATION

      *1 Engine Room Relay Block and Junction Block Assembly
      *2 PIMR Fuse
    2. Remove the PIMR relay from the relay block assembly.
    3. Measure the resistance according to the value(s) in the table below.
      GTY324530Courtesy of © TOYOTA, LICENSE AGREEMENT TMS1002
      TEXT IN ILLUSTRATION

      *1 Relay Block Assembly (PIMR Relay) *2 Engine Room Relay Block and Junction Block Assembly
      *3 PIMR Fuse - -

      Standard Resistance

      Tester Connection Switch Condition Specified Condition
      3 (B) or 2 (PIMR fuse) - Body ground and other terminals Power switch off 10 kΩ or higher
    4. Install the PIMR relay.
    5. Install the PIMR fuse.

    NG → See step   14 

    OK: Go to next step 

  13. CHECK HARNESS AND CONNECTOR (PIMR RELAY - PLUGIN CHARGE CONTROL ECU ASSEMBLY) 
    1. Remove the PIMR relay from the relay block assembly.
    2. Disconnect connector S31 from the plugin charge control ECU assembly.
    3. Measure the resistance according to the value(s) in the table below.
      GTY339324Courtesy of © TOYOTA, LICENSE AGREEMENT TMS1002
      TEXT IN ILLUSTRATION

      *1 Relay Block Assembly (PIMR Relay) - -
      *a Rear view of wire harness connector
      (to Plugin Charge Control ECU Assembly)
      - -

      Standard Resistance

      Tester Connection Switch Condition Specified Condition
      5 (L) or S31-23 (+B1) - Body ground and other terminals Power switch off 10 kΩ or higher
    4. Install the PIMR relay.
    5. Connect the plugin charge control ECU assembly connector.

    NG → See step   15 

    OK → REPLACE FUSE (PIMR) 

  14. REPAIR OR REPLACE HARNESS OR CONNECTOR 

    NEXT → REPLACE FUSE (PIMR) 

  15. REPAIR OR REPLACE HARNESS OR CONNECTOR 

    NEXT → REPLACE FUSE (PIMR) 

  16. GO TO PROBLEM SYMPTOMS TABLE. Refer to  PROBLEM SYMPTOMS TABLE [08/2014 - ] 
  17. CHECK FOR INTERMITTENT PROBLEMS. Refer to  CHECK FOR INTERMITTENT PROBLEMS [08/2014 - ] 
  18. REPLACE PLUGIN CHARGE CONTROL ECU ASSEMBLY. Refer to  COMPONENTS [08/2014 - ] 
  19. CHECK ECU POWER SOURCE CIRCUIT (HYBRID CONTROL SYSTEM). Refer to  ECU Power Source Circuit [08/2014 - ]