LEMON Manuals: Even more car manuals for everyone: 1960-2025
Home >> Toyota >> 2015 >> Prius Plug-in >> Repair and Diagnosis >> External Pages >> Different variant/trim >> Section 81 (Lane Keeping Assist System (Diagnostics - Introduction) (Except Plug-In)) >> Lane-Keeping Assist System >> System Diagram [08/2014 - ] >> System Diagram [08/2014 - ]
April 5, 2026: LEMON Manuals is launched! Read the announcement.

System Diagram [08/2014 - ]

WARNING: This page is about a different variant/trim than selected.
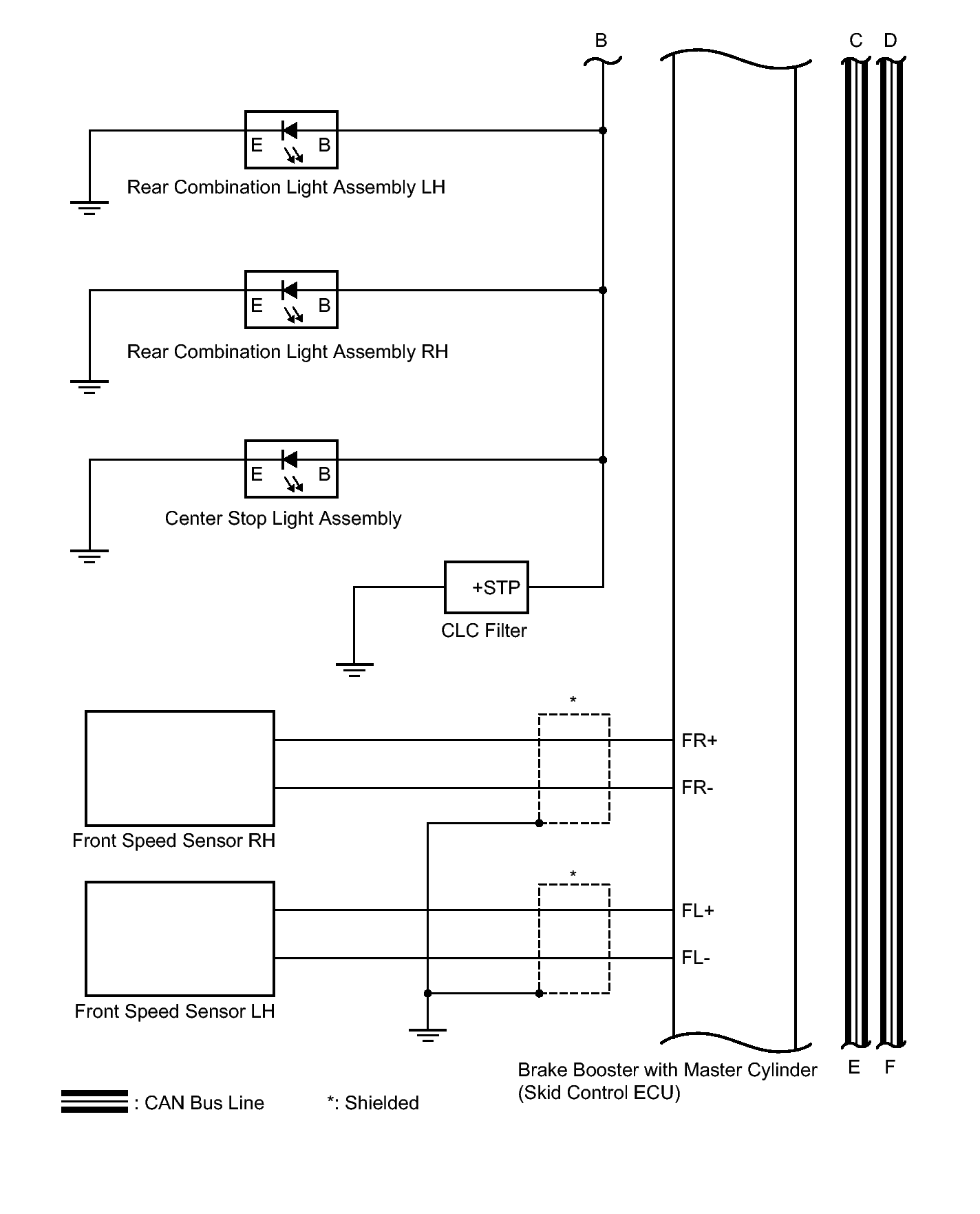
Fig 1: Identifying Lane Keeping Assist System Wiring Diagram (1 Of 4)
GTY453642Courtesy of © TOYOTA, LICENSE AGREEMENT TMS1002
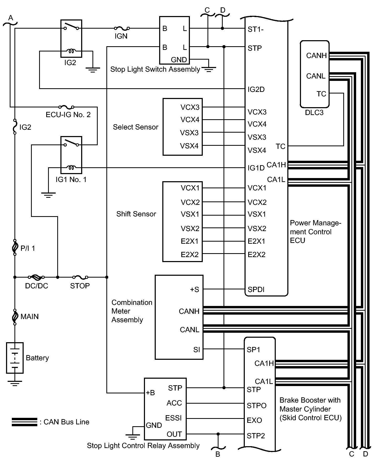
Fig 2: Identifying Lane Keeping Assist System Wiring Diagram (2 Of 4)
GTY327566Courtesy of © TOYOTA, LICENSE AGREEMENT TMS1002
Fig 3: Identifying Lane Keeping Assist System Wiring Diagram (3 Of 4)
GTY455511Courtesy of © TOYOTA, LICENSE AGREEMENT TMS1002
Fig 4: Identifying Lane Keeping Assist System Wiring Diagram (4 Of 4)
GTY334962Courtesy of © TOYOTA, LICENSE AGREEMENT TMS1002
COMMUNICATION TABLE

Sender ECU Receiver ECU Signal Line
Driving support ECU Combination meter
  • LKA indicator light signal
  • Lane-keeping assist system malfunction signal
  • Warning buzzer signal
  • Cruise control signal
  • Multi-information display signal
CAN
Power management control ECU Driving support ECU
  • Accelerator pedal position signal
  • Shift position signal (D and R)
  • Cruise control operation signal
  • Cruise control cancel demand signal
  • Hybrid control system malfunction signal
  • SFI system malfunction signal
CAN
Driving support ECU Power management control ECU Target driving force signal CAN
Millimeter wave radar sensor Driving support ECU Distance to vehicle in front signal CAN
Brake booster with master cylinder (skid control ECU) Driving support ECU
  • Vehicle speed signal
  • Yaw rate sensor malfunction signal
  • Stop light control relay malfunction signal
  • Skid control buzzer malfunction signal
  • Vehicle stability control signal
CAN
Main body ECU Driving support ECU Vehicle specification information
(destination, steering wheel position)
CAN
Power steering control ECU Driving support ECU Steering assist signal CAN
Lane-recognition camera sensor assembly Driving support ECU White line signal CAN
Driving support ECU Power steering control ECU Torque assist demand signal CAN
Driving support ECU Brake booster with master cylinder (skid control ECU) Skid control buzzer sound signal CAN