LEMON Manuals: Even more car manuals for everyone: 1960-2025
Home >> Toyota >> 2015 >> Prius Two >> Repair and Diagnosis >> External Pages >> Different variant/trim >> Section 72 (Plug-In Charge Control System - Diagnostic Codes & Circuit Tests (Plug-In)) >> Plug-In Charge Control System >> DTC P0D5C-847: Charging Power Malfunction [08/2014 - ] >> Wiring Diagram
April 5, 2026: LEMON Manuals is launched! Read the announcement.

DTC P0D5C-847: Charging Power Malfunction [08/2014 - ]: Wiring Diagram

WARNING: This page is about a different variant/trim than selected.
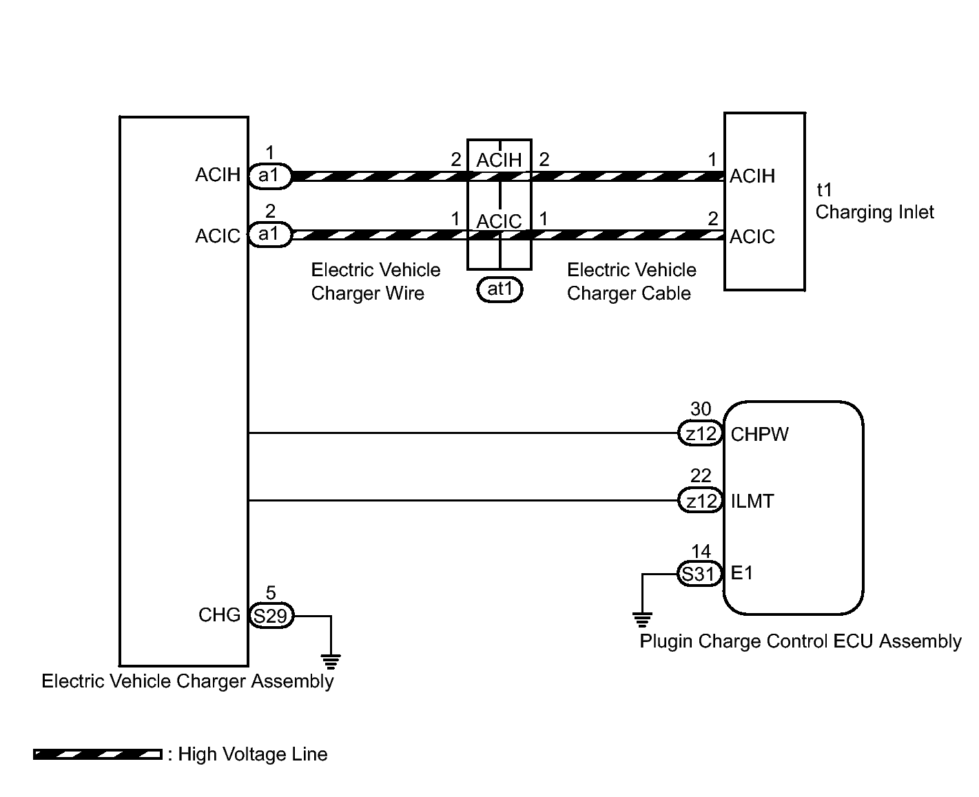
Fig 1: Identifying Plug-In Charge Control System Circuit Diagram
GTY329183Courtesy of © TOYOTA, LICENSE AGREEMENT TMS1002

Refer to the wiring diagram for DTC P0AA6-526. Refer to WIRING DIAGRAM .

Refer to the wiring diagram for DTC P0AE6-225. Refer to WIRING DIAGRAM .

Refer to the wiring diagram for DTC P0D20-422. Refer to WIRING DIAGRAM .

Refer to the wiring diagram for DTC P0D53-408. Refer to WIRING DIAGRAM .