LEMON Manuals: Even more car manuals for everyone: 1960-2025
Home >> Toyota >> 2015 >> Prius Two >> Repair and Diagnosis >> External Pages >> Different variant/trim >> Section 9 (Theft Deterrent System / Keyless Entry System (Service Information) & Diagnostics (Plug-In)) >> Push-Button Start >> DTC B2271: Ignition Hold Monitor Malfunction [08/2014 - ] >> Wiring Diagram
April 5, 2026: LEMON Manuals is launched! Read the announcement.

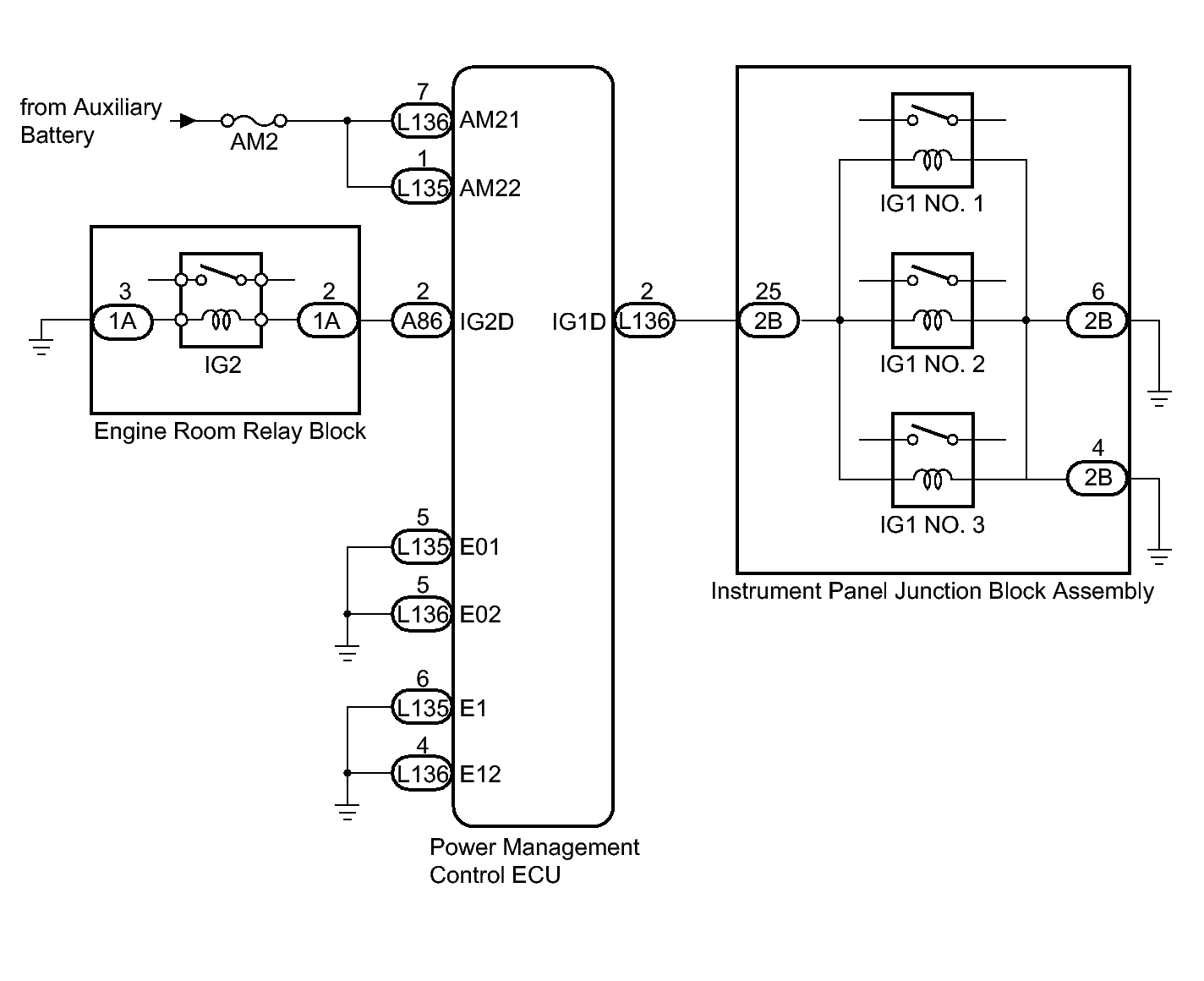
DTC B2271: Ignition Hold Monitor Malfunction [08/2014 - ]: Wiring Diagram

WARNING: This page is about a different variant/trim than selected.
Fig 1: Identifying Power Management Control ECU Circuit Diagram
GTY338520Courtesy of © TOYOTA, LICENSE AGREEMENT TMS1002