LEMON Manuals: Even more car manuals for everyone: 1960-2025
Home >> Toyota >> 2015 >> Prius V Three >> Repair and Diagnosis (Single Page) >> Engine Mechanical >> Starter >> Smart Key System - Keyless Start - (Diagnostics - Introduction) >> Smart Key System (For Start Function) >> System Diagram [11/2014 - ] >> System Diagram [11/2014 - ]
April 5, 2026: LEMON Manuals is launched! Read the announcement.

System Diagram [11/2014 - ]

Fig 1: Smart Key System (For Start Function) System Diagram (1 Of 3)
GTY379714Courtesy of © TOYOTA, LICENSE AGREEMENT TMS1002
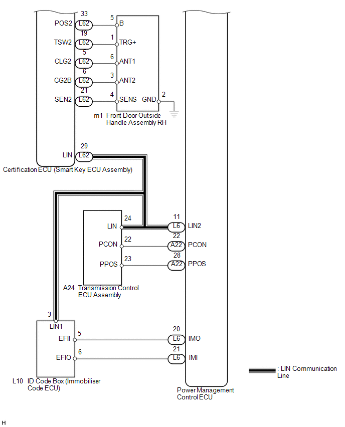
Fig 2: Smart Key System (For Start Function) System Diagram (2 Of 3)
GTY481019Courtesy of © TOYOTA, LICENSE AGREEMENT TMS1002
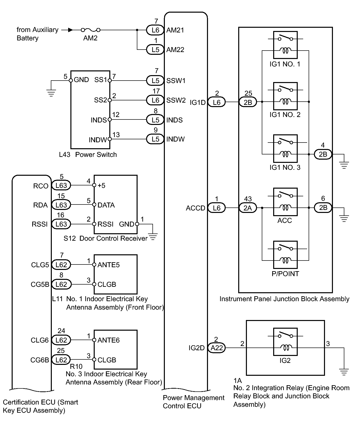
Fig 3: Smart Key System (For Start Function) System Diagram (3 Of 3)
GTY325965Courtesy of © TOYOTA, LICENSE AGREEMENT TMS1002
Component Outline
Power switch
  • Transponder key amplifier
  • Transmits the power switch signal to the power management control ECU.
  • Informs the driver of the power source mode or system abnormality with the illumination stage of the indicator light.
  • Receives the ID code and transmits it to the certification ECU (smart key ECU assembly) when the key battery is low.
Certification ECU (smart key ECU assembly)
  • Performs key verification.
  • Controls the electrical key antenna (outside), electrical key antenna (indoor) and door lock/unlock sensor.
  • Receives the open signal from the back door opener switch and outputs a signal to the main body ECU via CAN communication*.
  • Outputs smart entry door lock/unlock commands.
  • Transmits the gearshift control lock/unlock command signals to the transmission control ECU assembly.
  • Outputs immobiliser set/unset commands.
  • Controls the security indicator light and power switch indicator.
  • Forms the smart entry detection area.
ID code box (immobiliser code ECU)
  • Receives gearshift control unlock or engine immobiliser unset signals from the certification ECU (smart key ECU assembly), certifies them, and transmits each unset signal to transmission control ECU assembly or power management control ECU.
Power management control ECU
  • Changes the power source mode in 4 stages (off, on (ACC), on (IG), on (READY) in accordance with the shift state and stop light switch.
  • Controls the push-button start function in accordance with signals received from switches and ECUs.
  • The power management control ECU and certification ECU (smart key ECU assembly) permit starting of the hybrid control system after receiving an unlock signal from the transmission control ECU assembly.
Transmission control ECU assembly
  • Locks/unlocks gearshift control based on lock/unlock request signals from the certification ECU (smart key ECU assembly).
  • Detects gearshift control lock/unlock status and transmits it to other ECUs.
  • Activates the shift control actuator based on signals from the power management control ECU when gearshift control is unlocked.
  • Controls the application timing of current to the parking lock motor based on signals from the rotation angle sensor.
Combination meter sub-assembly
  • Operates various warnings (messages on the multi-information display, sounding of the buzzer in the combination meter sub-assembly, blinking or illumination of the master warning light) according to the command signals from the certification ECU (smart key ECU assembly).
  • Displays information when the smart key system has a malfunction.
  • Outputs a vehicle speed signal to the main body ECU.
Security indicator light Blinks when the engine immobiliser system is set (the hybrid control system cannot be started) according to certification ECU (smart key ECU assembly) control (immobiliser function).
IG, ACC relay Turns on/off according to power management control ECU control and provides power to each system.
Stop light switch assembly Detects that the brake pedal has been depressed (switch is on) and outputs a signal to the power management control ECU.
Front door outside handle assembly LH/RH Sends request signals from certification ECU (smart key ECU assembly) the built-in electrical key antenna and forms the vehicle exterior detection area. Door lock sensor operation signals to the certification ECU (smart key ECU assembly) (entry lock function).
Uses the built-in touch sensor to detect the operation of the front door outside handle assembly and sends signals to the certification ECU (smart key ECU assembly) (entry unlock function).
No. 1 indoor electrical key antenna assembly (front floor)
No. 3 indoor electrical key antenna assembly (center floor)
Receives the request code from the certification ECU (smart key ECU assembly) and forms the vehicle interior detection area.
No. 2 indoor electrical key antenna assembly (inside luggage) Receives the request code from the certification ECU (smart key ECU assembly) and forms the luggage compartment interior detection area.
Electrical key antenna (outside luggage)* Receives the request code from the certification ECU (smart key ECU assembly) and forms the luggage compartment exterior detection area.
Back door opener switch* Sends switch operation signals to the certification ECU (smart key ECU assembly).
Door control receiver Receives the smart key system code/ wireless code sent from the key and sends it to the certification ECU (smart key ECU assembly).
Electrical key transmitter sub-assembly (key) Sends the ID code upon receiving a request signal.