LEMON Manuals: Even more car manuals for everyone: 1960-2025
Home >> Toyota >> 2015 >> Prius V Two >> Repair and Diagnosis (Single Page) >> Electrical >> Starter >> Smart Key System - Keyless Start - Diagnostic Codes & Symptom Tests >> Smart Key System (For Start Function) >> Symptom Tests >> Power Source Mode does not Change to ON (READY) [11/2014 - ] >> Wiring Diagram
April 5, 2026: LEMON Manuals is launched! Read the announcement.

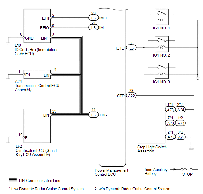
Power Source Mode does not Change to ON (READY) [11/2014 - ]: Wiring Diagram

Fig 1: Power Management Control ECU Wiring Diagram (1 Of 2)
GTY326316Courtesy of © TOYOTA, LICENSE AGREEMENT TMS1002
Fig 2: Power Management Control ECU Wiring Diagram (2 Of 2)
GTY474533Courtesy of © TOYOTA, LICENSE AGREEMENT TMS1002